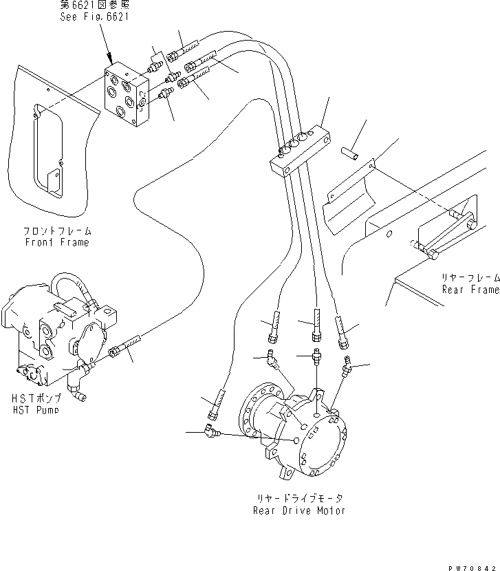
Запчасти Komatsu JV40DW-5 HST ТРУБЫ (ЗАДН. ПРИВОД МОТОР ЛИНИЯ) УПРАВЛ-Е РАБОЧИМ ОБОРУДОВАНИЕМ

Схема запчастей Komatsu JV40DW-5 - HST ТРУБЫ (ЗАДН. ПРИВОД МОТОР ЛИНИЯ) УПРАВЛ-Е РАБОЧИМ ОБОРУДОВАНИЕМ
1
2
2
2
2
3
3
4
4
5
5
6
6
7
8
9
10
FIT
1:1
100%

Артикул

Название

Примечание

Количество

1

267-13-10404

NIPPLE

SN: 6001-UP

2шт.

2

259-80-58180

HOSE

SN: 6001-UP

2шт.

3

258-07-02214

ELBOW

SN: 6001-UP

2шт.

4

267-13-10404

NIPPLE

SN: 6001-UP

2шт.

5

267-97-50495

HOSE

SN: 6001-UP

1шт.

6

267-97-50205

HOSE

SN: 6001-UP

1шт.

7

258-07-02222

ELBOW

SN: 6001-UP

1шт.

8

258-80-58240

PLATE

SN: 6001-UP

1шт.

9

258-80-58211

SUPPORT

SN: 6001-UP

1шт.

10

258-80-58231

PIPE

SN: 6001-UP

2шт.

Выбрано товаров: 10