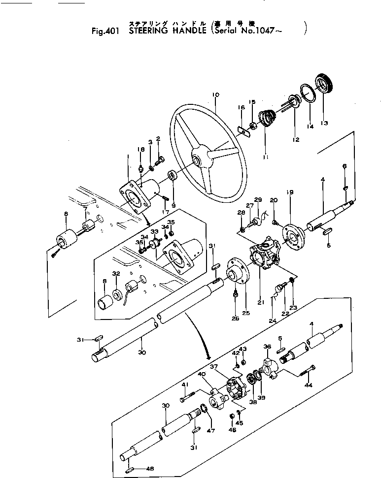
Запчасти Komatsu JV45-1 РУЛЕВ. УПРАВЛ. РУЛЕВ. УПРАВЛЕНИЕ И СИСТЕМА УПРАВЛЕНИЯS

Схема запчастей Komatsu JV45-1 - РУЛЕВ. УПРАВЛ. РУЛЕВ. УПРАВЛЕНИЕ И СИСТЕМА УПРАВЛЕНИЯS
FIT
1:1
100%

Артикул

Название

Примечание

Количество

|1

267-60-10003

STEERING ASS'Y

SN: 1192-UP

1шт.

|1

267-60-10002

STEERING ASS'Y

SN: 1157-1191

1шт.

|1

267-60-10001

STEERING ASS'Y

SN: 1137-1156

1шт.

|1

267-60-10000

STEERING ASS'Y

SN: 1111-1136

1шт.

|1

267-60-10009

STEERING ASS'Y

SN: 1057-1110

1шт.

|1

267-60-10008

STEERING ASS'Y

SN: 1047-1056

1шт.

1

267-60-13122

BRACKET

SN: 1192-UP

1шт.

|1

267-60-13121

BRACKET

SN: 1047-1191

1шт.

2

01040-31235

BOLT

SN: 1047-1191

4шт.

3

01602-01236

WASHER

SN: 1047-1191

4шт.

4

267-60-13113

SHAFT

SN: 1192-UP

1шт.

|4

267-60-13112

SHAFT

SN: 1137-1191

1шт.

|4

267-60-13111

SHAFT

SN: 1047-1136

1шт.

5

04000-00740

KEY

SN: 1192-UP

1шт.

|5

04000-01040

KEY

SN: 1047-1191

1шт.

6

265-60-12220

KEY

SN: 1142-UP

1шт.

|6

267-60-13160

KEY

SN: 1047-1141

1шт.

7

267-60-13140

BUSHING

SN: 1047-UP

1шт.

8

267-60-13132

BUSHING

SN: 1192-UP

1шт.

|8

267-60-13131

BUSHING

SN: 1047-1191

1шт.

9

267-60-13150

RETAINER

SN: 1047-UP

1шт.

10

0

HANDLE

SN: 1047-UP

1шт.

|10

265-60-12800

HANDLE ASS'Y

SN: 1047-UP

1шт.

11

0

SPRING

SN: 1047-UP

1шт.

12

0

CAP

SN: 1047-UP

1шт.

13

265-60-12820

RETAINER

SN: 1047-UP

1шт.

14

0

RING

SN: 1047-UP

1шт.

15

01503-01008

NUT

SN: 1192-UP

1шт.

|15

01503-31210

NUT

SN: 1137-1191

1шт.

|15

01500-31210

NUT

SN: 1047-1136

1шт.

16

267-60-13170

WASHER

SN: 1047-UP

1шт.

17

267-07-08016

SCREW

SN: 1192-UP

3шт.

|17

01320-00616

SCREW

SN: 1047-1191

2шт.

18

07020-00000

FITTING

SN: 1047-1191

1шт.

19

267-60-13220

FLANGE

SN: 1047-1191

1шт.

20

01046-00825

BOLT

SN: 1047-1191

1шт.

21

267-60-13300

UNIVERSAL JOINT A.

SN: 1047-1191

1шт.

|21

0

JOINT

SN: 1047-1191

1шт.

|21

0

FLANGE

SN: 1047-1191

2шт.

|21

0

RING

SN: 1047-1191

4шт.

22

267-60-13230

BOLT

SN: 1047-1191

4шт.

23

01602-01030

WASHER

SN: 1047-1191

4шт.

24

04059-01020

WIRE

SN: 1047-1191

1шт.

25

267-60-13220

FLANGE

SN: 1047-1191

1шт.

26

01046-00825

BOLT

SN: 1047-1191

1шт.

27

267-60-13230

BOLT

SN: 1047-1191

4шт.

28

01602-01030

WASHER

SN: 1047-1191

4шт.

29

04059-01020

WIRE

SN: 1047-1191

1шт.

30

267-60-13401

ROD

SN: 1192-UP

1шт.

|30

267-60-13400

ROD

SN: 1047-1191

1шт.

31

04000-00740

KEY

SN: 1192-UP

1шт.

|31

04000-01035

KEY

SN: 1047-1191

2шт.

32

267-60-13920

COLLAR

SN: 1192-UP

1шт.

33

267-60-13910

PAD

SN: 1192-UP

4шт.

34

01602-00619

WASHER

SN: 1192-UP

8шт.

35

01580-00605

NUT

SN: 1192-UP

8шт.

36

0

COUPLING

SN: 1192-UP

1шт.

37

266-50-14360

COUPLING

SN: 1192-UP

1шт.

38

265-06-05000

NUT

SN: 1192-UP

2шт.

39

265-07-05000

WASHER

SN: 1192-UP

2шт.

40

266-50-14340

COUPLING

SN: 1192-UP

1шт.

41

01010-30860

BOLT

SN: 1192-UP

3шт.

42

01602-00825

WASHER

SN: 1192-UP

3шт.

43

01580-00806

NUT

SN: 1192-UP

3шт.

44

01010-30860

BOLT

SN: 1192-UP

3шт.

45

01602-00825

WASHER

SN: 1192-UP

3шт.

46

01580-00806

NUT

SN: 1192-UP

3шт.

47

04064-02512

RING

SN: 1192-UP

1шт.

48

04000-00740

KEY

SN: 1192-UP

2шт.

Выбрано товаров: 69