Запчасти Komatsu JV45-1 VIBRATION МУФТА И ВАЛ МУФТА И ТРАНСМИССИЯ

Схема запчастей Komatsu JV45-1 - VIBRATION МУФТА И ВАЛ МУФТА И ТРАНСМИССИЯ
FIT
1:1
100%

Артикул

Название

Примечание

Количество

|$0

267-30-10002

TRANSMISSION ASS'Y

SN: 1137-UP

1шт.

|$1

267-30-10001

TRANSMISSION ASS'Y

SN: 1057-1136

1шт.

|$2

267-30-10000

TRANSMISSION ASS'Y

SN: 1047-1056

1шт.

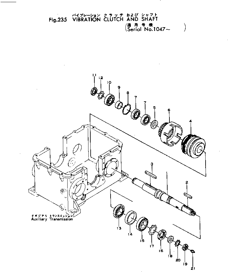
1

267-30-14110

SHAFT

SN: 1047-UP

1шт.

2

265-96-10070

KEY

SN: 1047-UP

1шт.

3

265-76-12090

KEY

SN: 1047-UP

1шт.

4

267-30-14150

CLUTCH

SN: 1047-UP

1шт.

5

267-30-14160

SPACER

SN: 1047-UP

1шт.

6

267-30-14170

GEAR

SN: 1047-UP

1шт.

7

06000-06007

BEARING

SN: 1047-UP

2шт.

8

265-08-62000

RING

SN: 1047-UP

1шт.

9

267-30-14180

SPACER

SN: 1047-UP

1шт.

10

06000-06207

BEARING

SN: 1047-UP

1шт.

11

265-06-07000

NUT

SN: 1047-UP

1шт.

12

265-07-07000

WASHER

SN: 1047-UP

1шт.

13

06000-30209

BEARING

SN: 1047-UP

1шт.

14

267-30-14140

SPACER

SN: 1047-UP

1шт.

15

06000-30209

BEARING

SN: 1047-UP

1шт.

16

265-06-09000

NUT

SN: 1047-UP

1шт.

17

265-07-09000

WASHER

SN: 1047-UP

1шт.

18

267-30-14120

WASHER

SN: 1047-UP

1шт.

19

265-06-05000

NUT

SN: 1047-UP

1шт.

20

265-07-05000

WASHER

SN: 1047-UP

1шт.

21

07020-00000

FITTING

SN: 1047-UP

1шт.

Выбрано товаров: 0