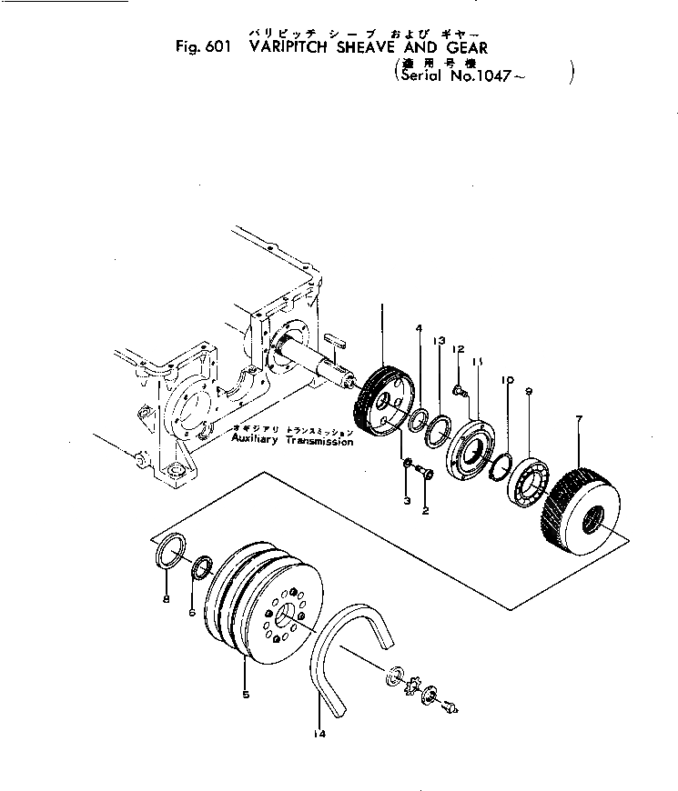
Запчасти Komatsu JV45-1 VARIPITCH SHEAVE И ПРИВОД РАБОЧЕЕ ОБОРУДОВАНИЕ И ITS СИСТЕМА УПРАВЛЕНИЯ

Схема запчастей Komatsu JV45-1 - VARIPITCH SHEAVE И ПРИВОД РАБОЧЕЕ ОБОРУДОВАНИЕ И ITS СИСТЕМА УПРАВЛЕНИЯ
FIT
1:1
100%

Артикул

Название

Примечание

Количество

|$0

267-50-10002

DRIVE ASS'Y

SN: 1137-UP

1шт.

|$1

267-50-10001

DRIVE ASS'Y

SN: 1067-1136

1шт.

|$2

267-50-10000

DRIVE ASS'Y

SN: 1047-1066

1шт.

|$3

267-50-10200

GEAR ASS'Y

SN: 1047-UP

1шт.

|$4

267-50-10400

GEAR ASS'Y

SN: 1047-UP

1шт.

1

0

SCREW

SN: 1047-UP

1шт.

2

01252-00820

BOLT

SN: 1047-UP

6шт.

3

01601-00820

WASHER

SN: 1047-UP

6шт.

4

267-50-18630

SEAL

SN: 1047-UP

1шт.

5

267-50-11141

SHEAVE

SN: 1047-UP

1шт.

6

07007-04060

PACKING

SN: 1047-UP

1шт.

7

0

GEAR

SN: 1047-UP

1шт.

8

267-30-11650

SEAL

SN: 1047-UP

1шт.

9

06030-06211

BEARING

SN: 1047-UP

1шт.

10

04064-05520

RING

SN: 1047-UP

1шт.

11

267-50-11130

COVER

SN: 1047-UP

1шт.

12

267-02-06020

SCREW

SN: 1047-UP

6шт.

13

07007-05570

PACKING

SN: 1047-UP

1шт.

14

265-99-20082

V-BELT

SN: 1047-UP

3шт.

Выбрано товаров: 19