Запчасти Komatsu JV80DW-1 ЭЛЕКТРИКА (ЛИНИЯ АККУМУЛЯТОРА)(№-) КОМПОНЕНТЫ ДВИГАТЕЛЯ И ЭЛЕКТРИКА

Схема запчастей Komatsu JV80DW-1 - ЭЛЕКТРИКА (ЛИНИЯ АККУМУЛЯТОРА)(№-) КОМПОНЕНТЫ ДВИГАТЕЛЯ И ЭЛЕКТРИКА
FIT
1:1
100%

Артикул

Название

Примечание

Количество

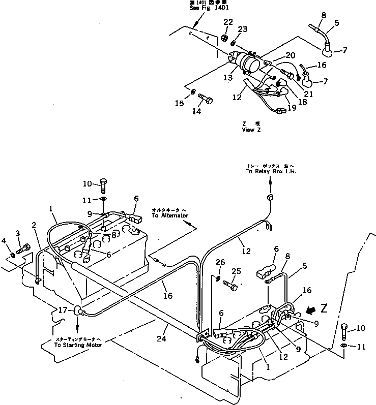
1

08028-43225

CABLE

SN: 10001-10002

1шт.

2

08028-43055

WIRE

SN: 10001-@

1шт.

3

01010-51016

BOLT

SN: 10001-@

1шт.

4

01643-31032

WASHER

SN: 10001-@

1шт.

5

08028-43030

WIRE

SN: 10001-@

1шт.

6

08038-22009

CAP

SN: 10001-10002

4шт.

7

08038-06031

CAP

SN: 10001-@

2шт.

8

234-06-41320

BAND,MARK

SN: 10001-@

2шт.

9

08036-01814

CLIP

SN: 10001-10002

7шт.

10

01010-51016

BOLT

SN: 10001-10002

5шт.

11

01643-31032

WASHER

SN: 10001-10002

5шт.

12

278-06-11750

HARNESS

SN: 10001-@

1шт.

13

22W-06-13220

SWITCH,BATTERY RELAY

SN: 10001-@

1шт.

14

01010-50825

BOLT

SN: 10001-@

2шт.

15

01643-30823

WASHER

SN: 10001-@

2шт.

16

08028-43225

CABLE

SN: 10001-@

1шт.

17

08038-06031

CAP

SN: 10001-@

1шт.

18

08038-02027

CAP

SN: 10001-@

1шт.

19

08038-00519

CAP

SN: 10001-@

2шт.

20

234-06-32240

PLATE

SN: 10001-@

1шт.

21

01010-50820

BOLT

SN: 10001-@

2шт.

22

01580-10806

NUT

SN: 10001-@

2шт.

23

01643-30823

WASHER

SN: 10001-@

2шт.

24

278-06-15170

TUBE

SN: 10001-@

1шт.

25

01010-50816

BOLT

SN: 10001-@

1шт.

26

01643-30823

WASHER

SN: 10001-@

1шт.

Выбрано товаров: 26