Запчасти Komatsu JV80DW-1 ЦИЛИНДР РУЛЕВ. УПР-Я ЭЛЕМЕНТЫ КРЕПЛЕНИЯ РУЛЕВ. УПРАВЛЕНИЕ И СИСТЕМА УПРАВЛЕНИЯS

Схема запчастей Komatsu JV80DW-1 - ЦИЛИНДР РУЛЕВ. УПР-Я ЭЛЕМЕНТЫ КРЕПЛЕНИЯ РУЛЕВ. УПРАВЛЕНИЕ И СИСТЕМА УПРАВЛЕНИЯS
FIT
1:1
100%

Артикул

Название

Примечание

Количество

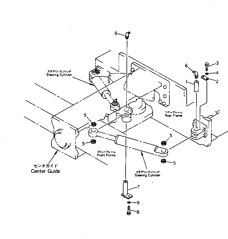
1

233-870-6720

PIN

SN: 10001-UP

2шт.

2

04082-00110

LOCK

SN: 10001-UP

2шт.

3

01010-51025

BOLT

SN: 10001-UP

4шт.

4

01643-31032

WASHER

SN: 10001-UP

4шт.

5

273-63-11120

SPACER

SN: 10001-UP

8шт.

6

07020-00900

FITTING,GREASE

SN: 10001-UP

4шт.

7

278-40-12190

PIN

SN: 10001-UP

2шт.

8

01010-51025

BOLT

SN: 10001-UP

2шт.

9

01643-31032

WASHER

SN: 10001-UP

2шт.

Выбрано товаров: 9