Запчасти Komatsu JV80DW-1 ГИДР. НАСОС. (/) ГИДРАВЛИКА

Схема запчастей Komatsu JV80DW-1 - ГИДР. НАСОС. (/) ГИДРАВЛИКА
FIT
1:1
100%

Артикул

Название

Примечание

Количество

|1

705-56-24120

PUMP ASS'Y,(SAR(2)32+32+20)

SN: 10001-UP

1шт.

|$$2

THIS ASSEMBLY CONSISTS OF ALL PARTS SHOWN IN FIGS.6101 TO 6105.

-1шт.

|1

705-22-30020

PUMP ASS'Y,VIBRATION¤ (SAR(2)32)

SN: 10001-UP

1шт.

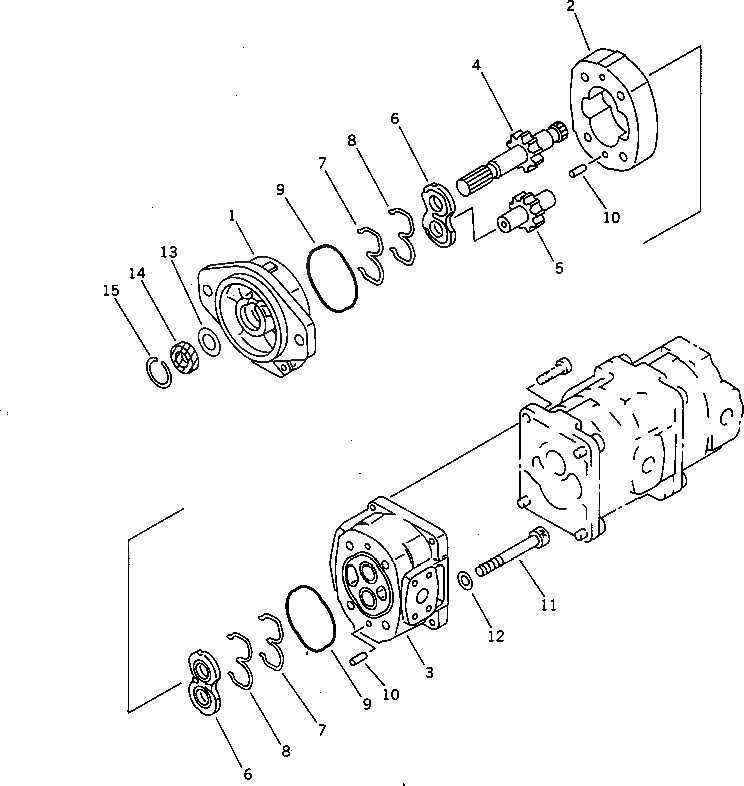
1

0

BRACKET

SN: 10001-UP

1шт.

|1

0

BUSHING,PLANE

SN: 10001-UP

2шт.

2

0

CASE,GEAR

SN: 10001-UP

1шт.

3

0

CARRIER

SN: 10001-UP

1шт.

|3

0

BUSHING,PLANE

SN: 10001-UP

2шт.

4

0

GEAR,DRIVE

SN: 10001-UP

1шт.

5

0

GEAR,DRIVEN

SN: 10001-UP

1шт.

6

0

PLATE,SIDE

SN: 10001-UP

2шт.

7

0

RING,SEAL

SN: 10001-UP

2шт.

8

0

RING,BACK-UP

SN: 10001-UP

2шт.

9

0

O-RING

SN: 10001-UP

2шт.

10

0

PIN,DOWEL

SN: 10001-UP

4шт.

11

0

BOLT

SN: 10001-UP

4шт.

12

0

WASHER

SN: 10001-UP

4шт.

13

705-17-02870

PLATE

SN: 10001-UP

1шт.

14

705-17-02810

SEAL,OIL

SN: 10001-UP

1шт.

15

04065-04018

RING,SNAP

SN: 10001-UP

1шт.

Выбрано товаров: 20