Запчасти Komatsu JW30-2 КРЕПЛЕНИЕ ДВИГАТЕЛЯ И HST НАСОС(№-) КОМПОНЕНТЫ ДВИГАТЕЛЯ И ЭЛЕКТРИКА

Схема запчастей Komatsu JW30-2 - КРЕПЛЕНИЕ ДВИГАТЕЛЯ И HST НАСОС(№-) КОМПОНЕНТЫ ДВИГАТЕЛЯ И ЭЛЕКТРИКА
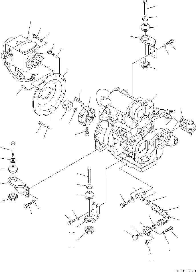
1
2
3
4
5
6
6
7
8
9
10
11
12
13
14
15
16
16
16
16
16
16
17
17
17
18
19
19
20
21
22
23
24
24
25
25
26
26
27
28
29
30
31
32
32
33
34
34
34
35
FIT
1:1
100%

Артикул

Название

Примечание

Количество

1

257-20-51500

ENGINE ASS'Y

SN: 2201-UP

1шт.

2

YM119646-39910

JOINT

SN: 2001-UP

1шт.

3

YM23857-180000

BOLT

SN: 2001-UP

1шт.

4

YM23414-220000

GASKET

SN: 2001-UP

2шт.

5

YM119836-39930

PIPE

SN: 2001-UP

1шт.

6

YM23010-025000

CLAMP

SN: 2001-UP

2шт.

7

257-20-31300

NIPPLE

SN: 2001-UP

1шт.

8

01010-80820

BOLT

SN: 2001-UP

2шт.

9

01602-20825

WASHER,SPRING

SN: 2001-UP

2шт.

10

YM119646-39930

SPRING

SN: 2001-UP

1шт.

11

YM119640-01640

PLUG

SN: 2001-UP

1шт.

12

YM22190-220002

SEAL

SN: 2001-UP

1шт.

13

257-20-51300

BRACKET

SN: 2201-UP

1шт.

14

01010-81235

BOLT

SN: 2201-UP

8шт.

15

01602-21236

WASHER,SPRING

SN: 2001-UP

8шт.

16

22F-01-11190

CUSHION

SN: 2201-UP

8шт.

17

01011-81210

BOLT

SN: 2201-UP

4шт.

18

257-20-15130

COUPLING

SN: 2001-UP

1шт.

19

01252-41240

BOLT

SN: 2001-UP

6шт.

20

258-20-25140

BOSS

SN: 2001-UP

1шт.

21

258-20-55301

HOUSING

SN: 2201-UP

1шт.

22

01010-81025

BOLT

SN: 2001-UP

2шт.

23

01010-81020

BOLT

SN: 2001-UP

6шт.

24

01602-21030

WASHER,SPRING

SN: 2001-UP

8шт.

25

01010-81025

BOLT

SN: 2201-UP

8шт.

26

01602-21030

WASHER,SPRING

SN: 2201-UP

8шт.

27

257-80-57100

PUMP ASS'Y,HST

SN: 2201-UP

1шт.

28

01010-81235

BOLT

SN: 2001-UP

2шт.

29

01602-21236

WASHER,SPRING

SN: 2001-UP

2шт.

30

267-16-81130

SEAL

SN: 2091-UP

1шт.

31

257-20-51400

BRACKET

SN: 2201-UP

1шт.

32

257-20-51110

BRACKET

SN: 2201-UP

2шт.

33

04020-00820

PIN

SN: 2201-UP

2шт.

34

2691-5-12410

WASHER

SN: 2201-UP

4шт.

35

01580-10806

NUT

SN: 2201-UP

2шт.

Выбрано товаров: 35