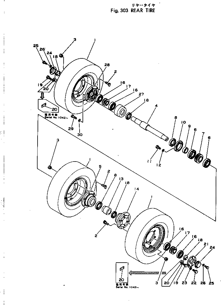
Запчасти Komatsu JW33-1 ЗАДН. ШИНЫ ШИНЫ И ТОРМОЗ.

Схема запчастей Komatsu JW33-1 - ЗАДН. ШИНЫ ШИНЫ И ТОРМОЗ.
FIT
1:1
100%

Артикул

Название

Примечание

Количество

1

257-40-11100

TIRE

SN: 1001-UP

3шт.

2

257-40-11410

BOLT

SN: 1001-UP

18шт.

3

257-40-11420

NUT

SN: 1001-UP

18шт.

4

257-70-11410

AXLE

SN: 1001-UP

1шт.

5

257-70-11430

HUB

SN: 1001-UP

1шт.

6

06006-06214

BEARING

SN: 1001-UP

2шт.

7

257-70-11500

SPACER

SN: 1001-UP

1шт.

8

265-93-23085

SEAL

SN: 1001-UP

2шт.

9

257-70-11440

SPACER

SN: 1001-UP

1шт.

10

257-70-11450

CAP

SN: 1001-UP

1шт.

11

01010-31030

BOLT

SN: 1001-UP

6шт.

12

01602-01030

WASHER

SN: 1001-UP

6шт.

13

257-70-11420

SPACER

SN: 1001-UP

1шт.

14

257-70-11220

HUB

SN: 1001-UP

1шт.

15

06006-06212

BEARING

SN: 1001-UP

4шт.

16

257-70-11300

SPACER

SN: 1001-UP

2шт.

17

265-93-23070

SEAL

SN: 1001-UP

2шт.

18

257-40-11430

WASHER

SN: 1001-UP

2шт.

19

01010-31030

BOLT

SN: 1001-UP

4шт.

20

257-40-11491

WASHER

SN: 1042-UP

2шт.

|20

01602-01030

WASHER

SN: 1001-1041

4шт.

21

257-70-11210

CAP

SN: 1001-UP

1шт.

22

01010-31030

BOLT

SN: 1001-UP

6шт.

23

01602-01030

WASHER

SN: 1001-UP

6шт.

24

257-70-11110

COVER

SN: 1001-UP

2шт.

25

01010-30612

BOLT

SN: 1001-UP

8шт.

26

01602-00619

WASHER

SN: 1001-UP

8шт.

27

257-70-11610

HOUSING

SN: 1001-UP

1шт.

28

257-70-11620

HUB

SN: 1001-UP

1шт.

29

01010-31250

BOLT

SN: 1001-UP

6шт.

30

01602-01236

WASHER

SN: 1001-UP

6шт.

Выбрано товаров: 0