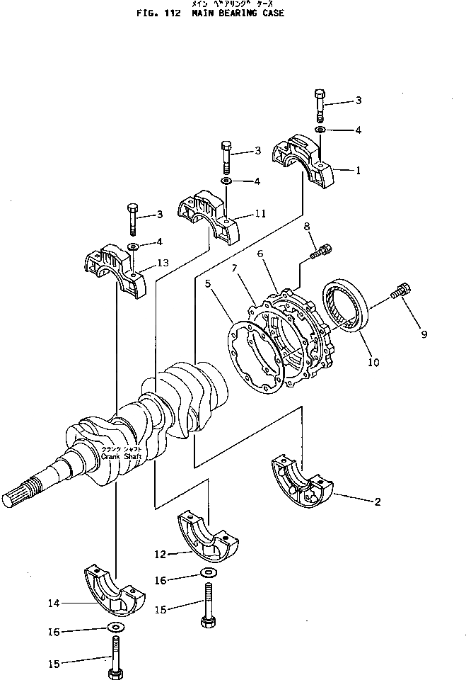
Запчасти Komatsu JW33-2 ОСНОВН. ПОДШИПНИК КОРПУС ДВИГАТЕЛЬ¤ КОМПОНЕНТЫ ДВИГАТЕЛЯ И ЭЛЕКТРИКА

Схема запчастей Komatsu JW33-2 - ОСНОВН. ПОДШИПНИК КОРПУС ДВИГАТЕЛЬ¤ КОМПОНЕНТЫ ДВИГАТЕЛЯ И ЭЛЕКТРИКА
FIT
1:1
100%

Артикул

Название

Примечание

Количество

|1

257-20-21500

ENGINE ASS'Y

SN: 1501-UP

1шт.

|1

KT19202-0404-1

CASE ASS'Y

SN: 1501-UP

1шт.

1

KT19202-0486-1

CASE

SN: 1501-UP

1шт.

2

KT19202-0487-1

CASE

SN: 1501-UP

1шт.

3

KT15521-0454-3

BOLT

SN: 1501-UP

6шт.

4

KT15521-9401-1

WASHER

SN: 1501-UP

6шт.

5

KT15221-0436-1

GASKET

SN: 1501-UP

1шт.

6

KT19202-0481-1

COVER

SN: 1501-UP

1шт.

7

KT15221-0482-1

GASKET

SN: 1501-UP

1шт.

8

KT01123-50825

BOLT

SN: 1501-UP

8шт.

9

KT01123-50828

BOLT

SN: 1501-UP

8шт.

10

KT19202-0446-1

SEAL,OIL

SN: 1501-UP

1шт.

|11

KT15521-0405-4

BEARING CASE ASS'Y

SN: 1501-UP

1шт.

11

KT15521-0488-2

CASE

SN: 1501-UP

1шт.

12

KT15521-0489-4

CASE

SN: 1501-UP

1шт.

|13

KT15521-0406-4

BEARING CASE ASS'Y

SN: 1501-UP

1шт.

13

KT15521-0490-2

CASE,BEARING

SN: 1501-UP

1шт.

14

KT15521-0491-4

CASE,BEARING

SN: 1501-UP

1шт.

15

KT15921-0456-2

BOLT

SN: 1501-UP

2шт.

16

KT15521-9402-1

WASHER

SN: 1501-UP

2шт.

Выбрано товаров: 0