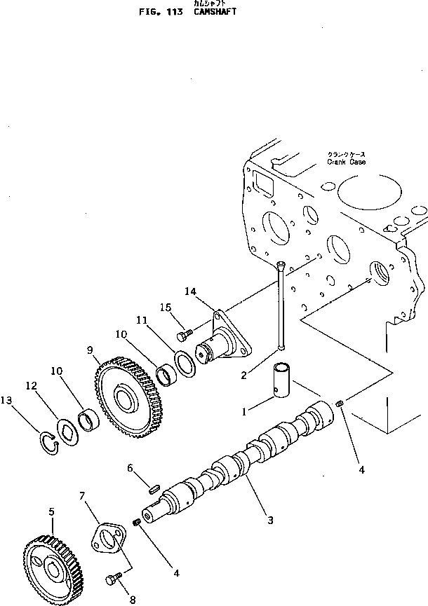
Запчасти Komatsu JW33-2 РАСПРЕДВАЛ ДВИГАТЕЛЬ¤ КОМПОНЕНТЫ ДВИГАТЕЛЯ И ЭЛЕКТРИКА

Схема запчастей Komatsu JW33-2 - РАСПРЕДВАЛ ДВИГАТЕЛЬ¤ КОМПОНЕНТЫ ДВИГАТЕЛЯ И ЭЛЕКТРИКА
FIT
1:1
100%

Артикул

Название

Примечание

Количество

|1

257-20-21500

ENGINE ASS'Y

SN: 1501-UP

1шт.

1

KT15221-1555-1

TAPPET

SN: 1501-UP

6шт.

2

KT15221-1511-2

ROD,PUSH

SN: 1501-UP

6шт.

|3

KT15521-1601-2

CAMSHAFT ASS'Y

SN: 1501-UP

1шт.

3

KT15521-1615-2

CAMSHAFT

SN: 1501-UP

1шт.

4

KT15521-9361-3

SCREW

SN: 1501-UP

2шт.

5

KT15521-1651-1

GEAR,CAMSHAFT

SN: 1501-UP

1шт.

6

KT05712-00720

KEY

SN: 1501-UP

1шт.

7

KT15221-1627-3

STOPPER

SN: 1501-UP

1шт.

8

KT01123-50818

BOLT

SN: 1501-UP

2шт.

|9

KT15221-2401-1

IDLER GEAR ASS'Y

SN: 1501-UP

1шт.

9

KT15221-3421-3

GEAR,IDLER

SN: 1501-UP

1шт.

10

KT15221-2498-1

BUSHING

SN: 1501-UP

2шт.

11

KT15521-2436-1

COLLAR

SN: 1501-UP

1шт.

12

KT15521-2437-1

COLLAR

SN: 1501-UP

1шт.

13

KT15221-2432-1

RING,SNAP

SN: 1501-UP

1шт.

14

KT15221-2425-5

SHAFT

SN: 1501-UP

1шт.

15

KTO1123-50818

BOLT

SN: 1501-UP

3шт.

Выбрано товаров: 0