Запчасти Komatsu JW33-2 РЕГУЛЯТОР ДВИГАТЕЛЬ¤ КОМПОНЕНТЫ ДВИГАТЕЛЯ И ЭЛЕКТРИКА

Схема запчастей Komatsu JW33-2 - РЕГУЛЯТОР ДВИГАТЕЛЬ¤ КОМПОНЕНТЫ ДВИГАТЕЛЯ И ЭЛЕКТРИКА
FIT
1:1
100%

Артикул

Название

Примечание

Количество

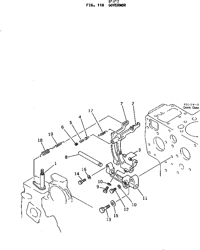
|1

257-20-21500

ENGINE ASS'Y

SN: 1501-UP

1шт.

1

KT15601-5602-1

LEVER ASS'Y

SN: 1501-UP

1шт.

|1

KT15521-5605-1

FORK LEVER ASS'Y

SN: 1501-UP

1шт.

|2

KT15521-5604-1

LEVER ASS'Y

SN: 1501-UP

1шт.

2

KT15611-5612-1

LEVER,FORK

SN: 1501-UP

1шт.

3

KT15021-5616-4

PIN

SN: 1501-UP

2шт.

4

KT15411-5417-1

PIN

SN: 1501-UP

1шт.

5

KT15601-5423-1

SPRING

SN: 1501-UP

1шт.

6

KT15601-5443-1

SCREW

SN: 1501-UP

1шт.

7

KT15611-5613-1

LEVER,FORK

SN: 1501-UP

1шт.

8

KT15221-5615-1

SHAFT

SN: 1501-UP

1шт.

9

KT15021-5624-3

BOLT

SN: 1501-UP

1шт.

10

KT04512-50060

WASHER,SPRING

SN: 1501-UP

2шт.

11

KT15221-5623-5

HOLDER

SN: 1501-UP

1шт.

12

KT15221-6641-1

BOLT

SN: 1501-UP

1шт.

13

KT01123-50832

BOLT

SN: 1501-UP

2шт.

14

KT01023-50628

BOLT

SN: 1501-UP

1шт.

15

KT04012-50080

WASHER

SN: 1501-UP

2шт.

16

KT04012-50060

WASHER

SN: 1501-UP

1шт.

17

KT15601-5648-1

SPRING,START

SN: 1501-UP

1шт.

18

KT15221-5641-2

SPRING,GOVERNOR

SN: 1501-UP

1шт.

19

KT15521-5642-1

SPRING,GOVERNOR

SN: 1501-UP

1шт.

Выбрано товаров: 0