Запчасти Komatsu JW33-2 ЭЛЕКТРИКА (ЗАДН.)(№-) ДВИГАТЕЛЬ¤ КОМПОНЕНТЫ ДВИГАТЕЛЯ И ЭЛЕКТРИКА

Схема запчастей Komatsu JW33-2 - ЭЛЕКТРИКА (ЗАДН.)(№-) ДВИГАТЕЛЬ¤ КОМПОНЕНТЫ ДВИГАТЕЛЯ И ЭЛЕКТРИКА
FIT
1:1
100%

Артикул

Название

Примечание

Количество

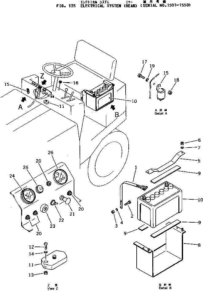
1

266-20-22240

CABLE

SN: 1001-@

1шт.

2

01010-31020

BOLT

SN: 1001-@

1шт.

3

01580-01008

NUT

SN: 1001-@

1шт.

4

01602-01030

WASHER,SPRING

SN: 1001-@

1шт.

5

257-20-16610

HOLDER

SN: 1001-@

1шт.

6

01580-00806

NUT

SN: 1001-@

1шт.

7

01602-00825

WASHER,SPRING

SN: 1001-@

1шт.

8

257-20-16500

CASE,BATTERY

SN: 1001-@

1шт.

9

257-20-16620

CUSHION

SN: 1001-@

3шт.

10

257-20-16630

BATTERY

SN: 1001-@

1шт.

11

258-20-16200

BOX,FUSE

SN: 1201-@

1шт.

12

01220-40516

SCREW

SN: 1201-@

2шт.

13

01580-00504

NUT

SN: 1201-@

2шт.

14

01601-00513

WASHER,SPRING

SN: 1201-@

2шт.

15

258-20-16360

RELAY

SN: 1501-1550

1шт.

16

268-60-13150

GROMMET

SN: 1501-@

1шт.

17

01010-30616

BOLT

SN: 1501-@

1шт.

18

01580-00605

NUT

SN: 1501-@

1шт.

19

01602-00619

WASHER,SPRING

SN: 1501-@

1шт.

20

2691-2-16320

LAMP,LAMP

SN: 1501-1550

4шт.

21

266-20-22540

SWITCH,LAMP

SN: 1501-@

1шт.

22

258-20-16700

SWITCH

SN: 1501-1550

1шт.

23

08086-00000

SWITCH,STARTING

SN: 1001-@

1шт.

24

258-20-16310

METER,THERMO

SN: 1501-@

1шт.

25

258-20-16330

SIGNAL,GLOW

SN: 1501-@

1шт.

26

257-20-16230

METER,SERVICE

SN: 1001-@

1шт.

Выбрано товаров: 26