Запчасти Komatsu JW33-2 ГИДРАВЛИКА РУЛ. УПРАВЛЕНИЯ (/) РУЛЕВ. УПРАВЛЕНИЕ И СИСТЕМА УПРАВЛЕНИЯS

Схема запчастей Komatsu JW33-2 - ГИДРАВЛИКА РУЛ. УПРАВЛЕНИЯ (/) РУЛЕВ. УПРАВЛЕНИЕ И СИСТЕМА УПРАВЛЕНИЯS
FIT
1:1
100%

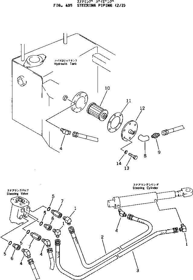
Артикул

Название

Примечание

Количество

1

267-11-31903

ELBOW

SN: 1501-UP

3шт.

2

257-60-18131

HOSE

SN: 1501-UP

1шт.

3

257-60-18170

HOSE

SN: 1501-UP

1шт.

4

267-11-31453

ELBOW

SN: 1501-UP

4шт.

5

2691-6-11112

O-RING

SN: 1001-UP

4шт.

6

2691-6-18451

BUSHING

SN: 1001-UP

2шт.

7

2691-6-18461

BUSHING

SN: 1001-UP

2шт.

8

07323-00400

ELBOW

SN: 1001-UP

1шт.

9

267-11-31004

NIPPLE

SN: 1001-UP

1шт.

10

2691-6-13720

FILTER

SN: 1001-UP

1шт.

11

257-80-14220

GASKET

SN: 1001-UP

1шт.

12

257-60-18300

FLANGE

SN: 1001-UP

1шт.

13

01010-30816

BOLT

SN: 1001-UP

6шт.

14

01602-00825

WASHER,SPRING

SN: 1001-UP

6шт.

Выбрано товаров: 14