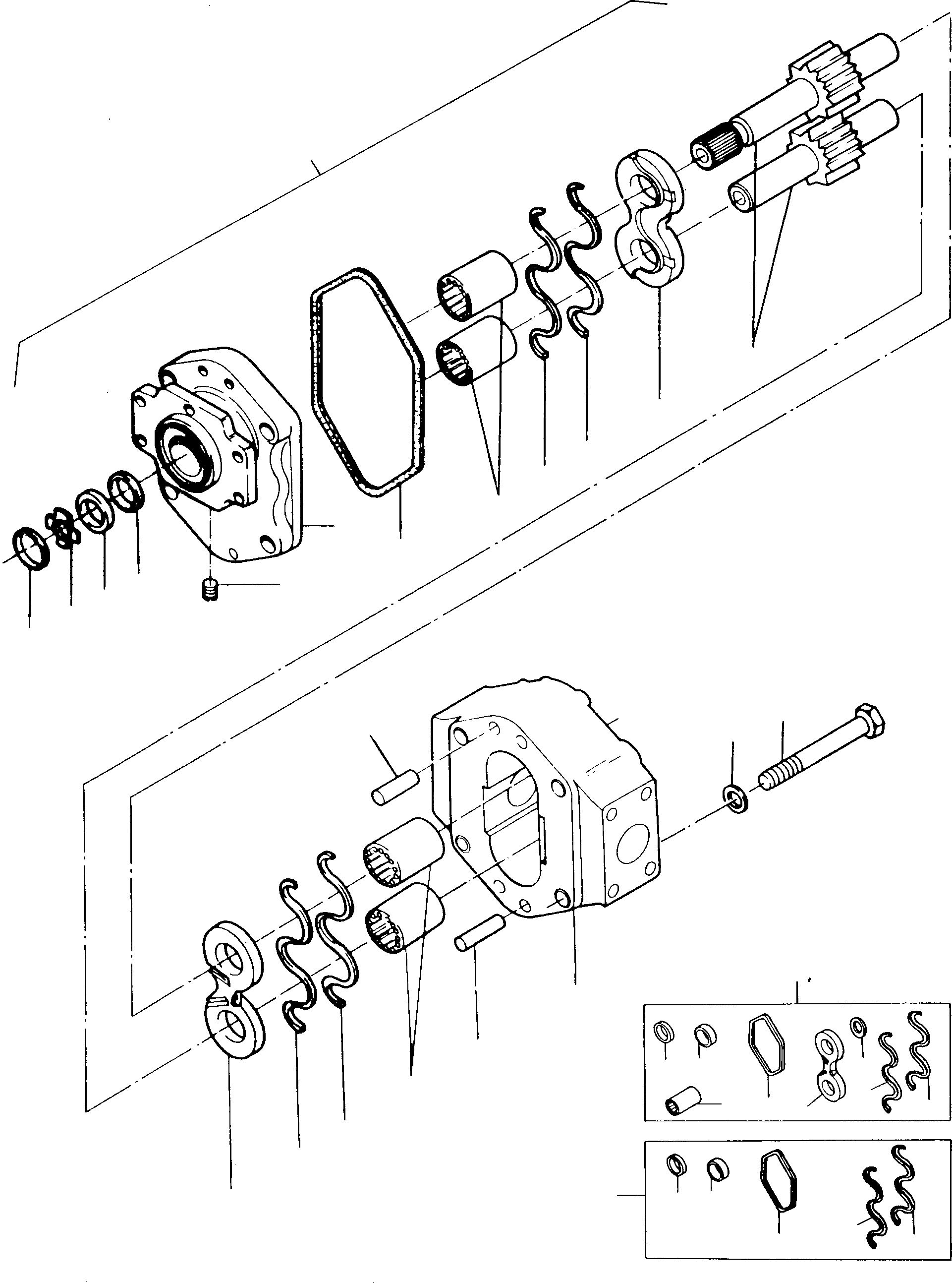
Запчасти Komatsu 35D ГИДР. НАСОС. OF СИСТЕМАУПРАВЛЕНИЯ ПОВОРОТОМ ГИДР. НАСОС. OF СИСТЕМАУПРАВЛЕНИЯ ПОВОРОТОМ

Схема запчастей Komatsu 35D - ГИДР. НАСОС. OF СИСТЕМАУПРАВЛЕНИЯ ПОВОРОТОМ ГИДР. НАСОС. OF СИСТЕМАУПРАВЛЕНИЯ ПОВОРОТОМ
17A
1
12
11
10
9
8
2
7
3
4
6
5
4
15
14
16
17
13
14
16
6
4
8
9
8
7
11
10
10
9
18
11
6
4
9
10
7
FIT
1:1
100%

Артикул

Название

Примечание

Количество

1

2970577M92

HYDRAULIC PUMP

1шт.

2

HOUSING

1шт.

3

NOT USED

-1шт.

4

SEAL

2шт.

5

NOT USED

-1шт.

6

SEAL

1шт.

7

SEAL

1шт.

8

NEEDLE BEARING

4шт.

9

BACK-UP RING

2шт.

10

GASKET

2шт.

11

PLATE

2шт.

12

GEAR KIT

1шт.

13

HOUSING

1шт.

14

2947192M1

PEG

2шт.

15

2951883M1

SCREW

4шт.

16

1892790M1

DISC

4шт.

17

NOT USED

-1шт.

17A

3228183M91

REPAIR KIT

1шт.

18

3250008M91

GASKET KIT

1шт.

Выбрано товаров: 0