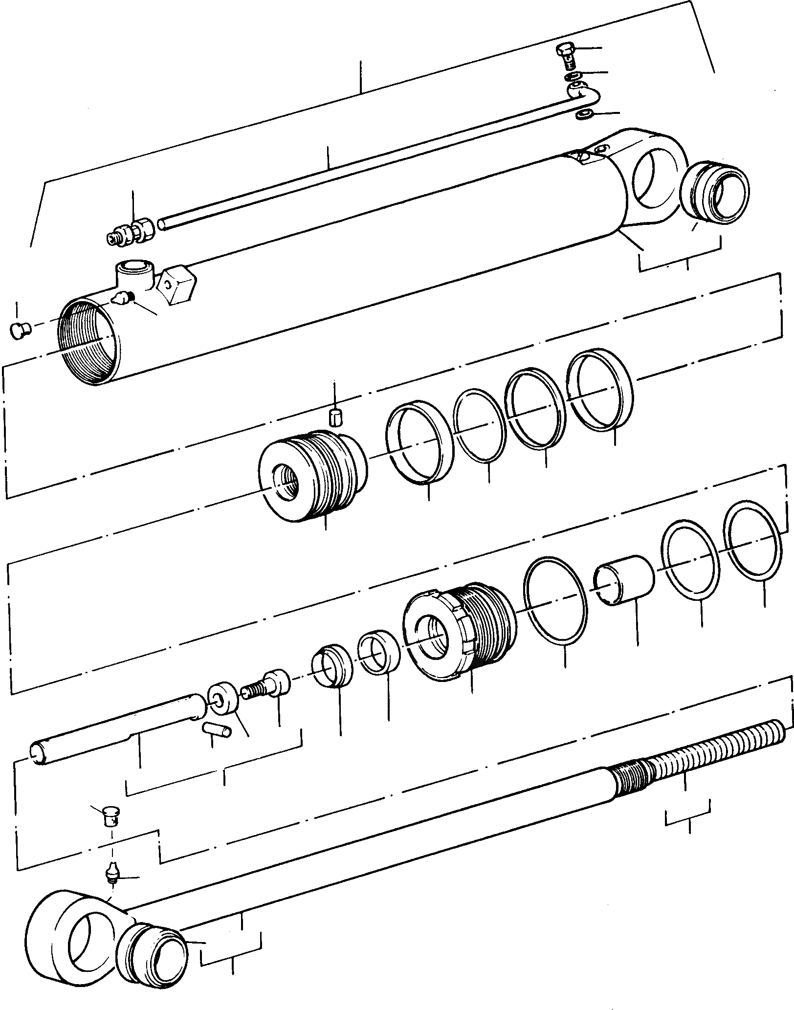
Запчасти Komatsu 35D ЦИЛИНДР РУЛЕВ. УПР-Я СИСТЕМАУПРАВЛЕНИЯ ПОВОРОТОМ, ПЕРЕДНИЙ МОСТ, ТОРМОЗ. СИСТЕМА

Схема запчастей Komatsu 35D - ЦИЛИНДР РУЛЕВ. УПР-Я СИСТЕМАУПРАВЛЕНИЯ ПОВОРОТОМ, ПЕРЕДНИЙ МОСТ, ТОРМОЗ. СИСТЕМА
1
27
24
14
28
6
28
25
26
4
3
2
30
29
21
23
22
21
20
19
18
17
16
15
12
11
13
10
9
5
30
8
5
29
7
5
FIT
1:1
100%

Артикул

Название

Примечание

Количество

1

1608170M91

STEERING CYLINDER

DeutschDesc: LENKZYLINDER

1шт.

|$31

SEAL KIT

DeutschDesc: DICHTUNGSSATZ

-3шт.

2

3187940M91

HOUSING

DeutschDesc: GEHAEUSE

1шт.

3

HOUSING

EnglischBem: ORDER 3187 940 M91

1шт.

4

3008621X1

BALL AND SOCKET JOIN

DeutschDesc: GELENKLAGER

1шт.

5

3187930M91

CYLINDER ROD

DeutschDesc: KOLBENSTANGE

1шт.

6

CYLINDER ROD

EnglischBem: ORDER 3187 930 M91

1шт.

7

3008621X1

BALL AND SOCKET JOIN

DeutschDesc: GELENKLAGER

1шт.

8

3187934M1

COMPRESSION SPRING

DeutschDesc: DRUCKFEDER

1шт.

9

3187932M1

PISTON

DeutschDesc: KOLBEN

1шт.

10

339336X1

DOWEL

DeutschDesc: ZYLINDERSTIFT

1шт.

11

3187933M1

DISC

DeutschDesc: SCHEIBE

1шт.

12

3187945M1

SCREW

DeutschDesc: SCHRAUBE

1шт.

13

1748530M1

RING

DeutschDesc: RING

1шт.

14

1748531M1

SEAL

DeutschDesc: DICHTRING

1шт.

15

3187936M1

BUSHING

DeutschDesc: BUCHSE

1шт.

16

1608615M1

SHEET

DeutschDesc: BLECH

1шт.

17

3187939M1

BOOT

DeutschDesc: MANSCHETTE

1шт.

18

1881527M1

BACK-UP RING

DeutschDesc: STUETZRING

1шт.

19

359185X1

O-RING

DeutschDesc: O-RING

1шт.

20

3187935M1

PISTON

DeutschDesc: KOLBEN

1шт.

21

1033685M1

RING

DeutschDesc: RING

2шт.

22

338855X1

SEAL

DeutschDesc: DICHTRING

1шт.

23

1606797M1

SEAL

DeutschDesc: DICHTRING

1шт.

24

1440966X1

GRUB SCREW

DeutschDesc: GEWINDESTIFT

1шт.

25

3187937M91

TUBE

DeutschDesc: ROHR

1шт.

26

1609988M1

UNION

DeutschDesc: VERSCHRAUBUNG

1шт.

27

1748283M1

BANJO BOLT

DeutschDesc: HOHLSCHRAUBE

1шт.

28

391376X1

SEAL

DeutschDesc: DICHTRING

2шт.

29

339003X1

LUBRICATION NIPPLE

DeutschDesc: SCHMIERNIPPEL

1шт.

30

4002162M1

SECURITY CAP

DeutschDesc: SCHUTZKAPPE

4шт.

Выбрано товаров: 31