Запчасти Komatsu 35D ТОРМОЗНОЙ КЛАПАН СИСТЕМАУПРАВЛЕНИЯ ПОВОРОТОМ, ПЕРЕДНИЙ МОСТ, ТОРМОЗ. СИСТЕМА

Схема запчастей Komatsu 35D - ТОРМОЗНОЙ КЛАПАН СИСТЕМАУПРАВЛЕНИЯ ПОВОРОТОМ, ПЕРЕДНИЙ МОСТ, ТОРМОЗ. СИСТЕМА
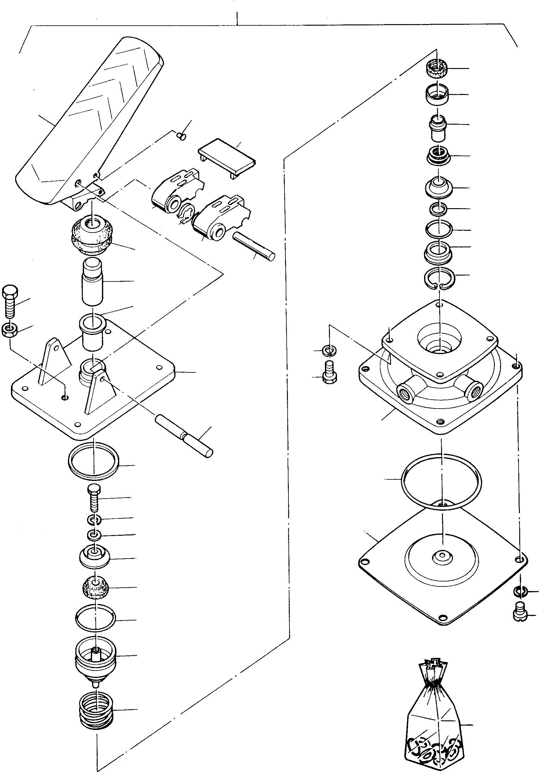
40
25
1
26
2
9
27
3
28
29
30
6
31
5
32
7
13
8
33
12
14
11
15
36
10
35
4
34
16
37
17
18
38
19
20
21
39
22
23
24
41
FIT
1:1
100%

Артикул

Название

Примечание

Количество

1

3079215M91

BRAKE CYLINDER

DeutschDesc: BREMSZYLINDER

1шт.

2

3229106M1

PEDAL

DeutschDesc: PEDAL

1шт.

3

3229112M1

SPACER

DeutschDesc: ABSTANDSTUECK

1шт.

4

3229109M1

PIN

DeutschDesc: BOLZEN

1шт.

5

3229113M1

RING

DeutschDesc: RING

1шт.

6

3229107M1

THRUST PLATE

DeutschDesc: DRUCKPLATTE

1шт.

7

3229108M1

THRUST PLATE

DeutschDesc: DRUCKPLATTE

1шт.

8

3229110M1

PIN

DeutschDesc: BOLZEN

1шт.

9

3229114M1

RIVET

DeutschDesc: NIET

1шт.

10

PLATE

EnglischBem: ORDER 3079 215 M91

1шт.

11

3229104M1

BUSHING

DeutschDesc: BUCHSE

1шт.

12

3229111M1

TAPPET

DeutschDesc: STOESSEL

1шт.

13

3229105M1

BELLOWS

DeutschDesc: FALTENBALG

1шт.

14

339337X1

SCREW

DeutschDesc: SCHRAUBE

1шт.

15

339169X1

NUT

DeutschDesc: MUTTER

1шт.

16

SEAL

EnglischBem: ORDER 3229 115 M91 NOTE: Pos. (16) included in Pos. (1) and (41)

1шт.

17

391653X1

SCREW

DeutschDesc: SCHRAUBE

1шт.

18

SPRING WASHER

EnglischBem: ORDER 3229 115 M91 NOTE: Pos. (18) included in Pos. (1) and (41)

1шт.

19

3075462M1

DISC

DeutschDesc: SCHEIBE

1шт.

20

3229127M1

SPRING SEAT

DeutschDesc: FEDERTELLER

1шт.

21

SPRING

EnglischBem: ORDER 3229 115 M91 NOTE: Pos. (21) included in Pos. (1) and (41)

1шт.

22

O-RING

EnglischBem: ORDER 3229 115 M91 NOTE: Pos. (22) included in Pos. (1) and (41)

1шт.

23

3229125M1

PISTON

DeutschDesc: KOLBEN

1шт.

24

3229124M1

SPRING

DeutschDesc: FEDER

1шт.

25

RING

EnglischBem: ORDER 3229 115 M91 NOTE: Pos. (25) included in Pos. (1) and (41)

1шт.

26

3229119M1

CAP

DeutschDesc: KAPPE

1шт.

27

3229117M1

BODY

DeutschDesc: KOERPER

1шт.

28

SPRING

EnglischBem: ORDER 3229 115 M91 NOTE: Pos. (28) included in Pos. (1) and (41)

1шт.

29

RING

EnglischBem: ORDER 3229 115 M91 NOTE: Pos. (29) included in Pos. (1) and (41)

1шт.

30

O-RING

EnglischBem: ORDER 3229 115 M91 NOTE: Pos. (30) included in Pos. (1) and (41)

1шт.

31

O-RING

EnglischBem: ORDER 3229 115 M91 NOTE: Pos. (31) included in Pos. (1) and (41)

1шт.

32

3229122M1

RING

DeutschDesc: RING

1шт.

33

CIRCLIP

EnglischBem: ORDER 3229 115 M91 NOTE: Pos. (33) included in Pos. (1) and (41)

1шт.

34

HOUSING

EnglischBem: ORDER 3079 215 M91

1шт.

35

339123X1

SCREW

DeutschDesc: SCHRAUBE

4шт.

36

3229102M1

SPRING WASHER

DeutschDesc: FEDERRING

4шт.

37

O-RING

EnglischBem: ORDER 3229 115 M91 NOTE: Pos. (37) included in Pos. (1) and (41)

1шт.

38

3229123M91

COVER

DeutschDesc: DECKEL

1шт.

39

3001280X1

SCREW

DeutschDesc: SCHRAUBE

4шт.

40

SPRING WASHER

EnglischBem: ORDER 3229 115 M91 NOTE: Pos. (40) included in Pos. (1) and (41)

4шт.

41

3229115M91

REPAIR KIT

DeutschDesc: REPARATURSATZ

1шт.

Выбрано товаров: 41