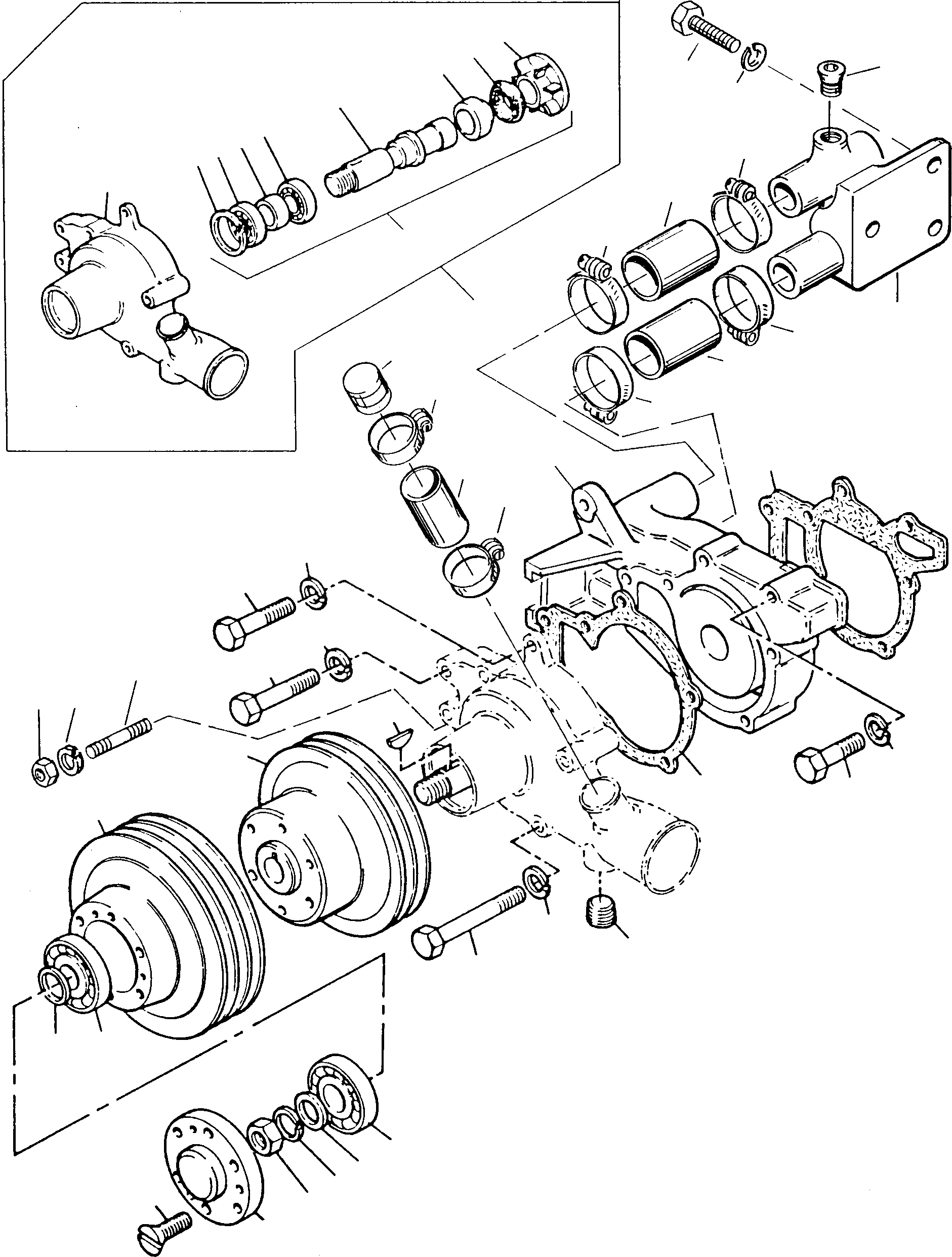
Запчасти Komatsu 35D ВОДЯНАЯ ПОМПА ДВИГАТЕЛЬ, АКСЕССУАРЫ И ЭЛЕКТРИЧ. СИСТЕМА

Схема запчастей Komatsu 35D - ВОДЯНАЯ ПОМПА ДВИГАТЕЛЬ, АКСЕССУАРЫ И ЭЛЕКТРИЧ. СИСТЕМА
44
41
9
8
43
42
34
7
39
6
4
5
43
4
3
2
42
10
1
38
43
33
32
43
11
12
32
31
29
31
28
35
36
37
15
16
31
13
30
17
31
14
27
18
19
18
20
22
24
21
23
FIT
1:1
100%

Артикул

Название

Примечание

Количество

1

4908740M91

WATER PUMP

DeutschDesc: WASSERPUMPE

1шт.

2

HOUSING

EnglischBem: ORDER 4908 740 M91

1шт.

3

4908741M1

CIRCLIP

EnglischBem: INCLUDED IN REPAIR KIT 4908 742 M91

1шт.

4

BALL BEARING

EnglischBem: ORDER 4908 742 M91

2шт.

5

BUSHING

EnglischBem: ORDER 4908 742 M91

1шт.

6

SHAFT

EnglischBem: ORDER 4908 742 M91

1шт.

7

4908743M1

SEAL

EnglischBem: INCLUDED IN REPAIR KIT 4908 742 M91

1шт.

8

4905647M1

SEAL

EnglischBem: INCLUDED IN REPAIR KIT 4908 742 M91

1шт.

9

IMPELLER

EnglischBem: ORDER 4908 742 M91

1шт.

10

4908742M91

REPAIR KIT

DeutschDesc: REPARATURSATZ

-26шт.

11

4908747M1

HOUSING

DeutschDesc: GEHAEUSE

1шт.

12

4908748M1

GASKET

DeutschDesc: DICHTUNG

1шт.

13

4919577M1

GASKET

EnglischBem: REPAIRS AND REPLACES 4908 749 M1

1шт.

14

4905509M1

PLUG

DeutschDesc: VERSCHLUSSSTOPFEN

1шт.

15

4905558M1

WOODRUFF KEY

EnglischBem: INCLUDED IN REPAIR KIT 4908 742 M91

1шт.

16

4908750M1

PULLEY

DeutschDesc: RIEMENSCHEIBE

1шт.

17

4908751M1

PULLEY

DeutschDesc: RIEMENSCHEIBE

1шт.

18

4908752M1

BALL BEARING

DeutschDesc: KUGELLAGER

2шт.

19

4908753M1

RING

DeutschDesc: RING

1шт.

20

4908754M1

RING

DeutschDesc: RING

1шт.

21

4906762M1

NUT

DeutschDesc: MUTTER

1шт.

22

1443796X1

SPRING WASHER

DeutschDesc: FEDERRING

1шт.

23

4908756M1

COVER

DeutschDesc: DECKEL

1шт.

24

4908757M1

SCREW

DeutschDesc: SCHRAUBE

2шт.

25

NOT USED

DeutschDesc: NICHT VERWENDET

-1шт.

26

NOT USED

DeutschDesc: NICHT VERWENDET

-1шт.

27

4908758M1

SCREW

DeutschDesc: SCHRAUBE

2шт.

28

4908759M1

SCREW

DeutschDesc: SCHRAUBE

2шт.

29

NOT USED

DeutschDesc: NICHT VERWENDET

-1шт.

30

4905652M1

SCREW

DeutschDesc: SCHRAUBE

1шт.

31

4905353M1

SPRING WASHER

DeutschDesc: FEDERRING

7шт.

32

1444840X1

CLIP

DeutschDesc: SCHELLE

2шт.

33

3093184M91

CAP

DeutschDesc: KAPPE

1шт.

34

3007675X1

HOSE

EnglischBem: GOODS SOLD BY THE METER 1443 910 X1 75 MM

1шт.

35

4908763M1

STUD BOLT

DeutschDesc: STIFTSCHRAUBE

1шт.

36

4905353M1

SPRING WASHER

DeutschDesc: FEDERRING

1шт.

37

4905364M1

NUT

DeutschDesc: MUTTER

1шт.

38

4908824M1

MANIFOLD

DeutschDesc: KRUEMMER

1шт.

39

4905354M1

SCREW

DeutschDesc: SCHRAUBE

2шт.

40

NOT USED

DeutschDesc: NICHT VERWENDET

-1шт.

41

4905353M1

SPRING WASHER

DeutschDesc: FEDERRING

2шт.

42

4909323M91

HOSE

DeutschDesc: SCHLAUCHSATZ

2шт.

43

4909269M1

CLIP

DeutschDesc: SCHELLE

4шт.

44

4906583M1

PLUG

DeutschDesc: VERSCHLUSSSTOPFEN

1шт.

Выбрано товаров: 44