Запчасти Komatsu 35D СИСТЕМА ОХЛАЖДЕНИЯ ДВИГАТЕЛЬ, АКСЕССУАРЫ И ЭЛЕКТРИЧ. СИСТЕМА

Схема запчастей Komatsu 35D - СИСТЕМА ОХЛАЖДЕНИЯ ДВИГАТЕЛЬ, АКСЕССУАРЫ И ЭЛЕКТРИЧ. СИСТЕМА
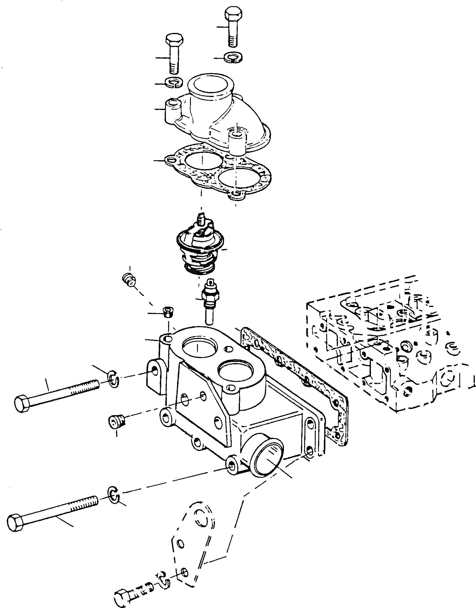
5
6
3
14
4
14
1
2
8
7
9
7
11
10
13
12
15
FIT
1:1
100%

Артикул

Название

Примечание

Количество

1

4908824M1

MANIFOLD

DeutschDesc: KRUEMMER

1шт.

2

4908825M1

GASKET

DeutschDesc: DICHTUNG

1шт.

3

4906788M1

SCREW

DeutschDesc: SCHRAUBE

2шт.

4

4905353M1

SPRING WASHER

DeutschDesc: FEDERRING

2шт.

5

4905652M1

SCREW

DeutschDesc: SCHRAUBE

1шт.

6

4905353M1

SPRING WASHER

DeutschDesc: FEDERRING

1шт.

7

4905509M1

PLUG

DeutschDesc: VERSCHLUSSSTOPFEN

2шт.

8

4908828M1

THERMOSTAT

DeutschDesc: THERMOSTAT

2шт.

9

2969686M1

THERMOCOUPLE

DeutschDesc: TEMPERATURGEBER

1шт.

10

4908826M1

HOUSING

DeutschDesc: GEHAEUSE

1шт.

11

4908827M1

GASKET

DeutschDesc: DICHTUNG

1шт.

12

4906584M1

PLUG

DeutschDesc: VERSCHLUSSSTOPFEN

1шт.

13

4908759M1

SCREW

DeutschDesc: SCHRAUBE

2шт.

14

4905353M1

SPRING WASHER

DeutschDesc: FEDERRING

4шт.

15

4908829M1

SCREW

DeutschDesc: SCHRAUBE

2шт.

Выбрано товаров: 15