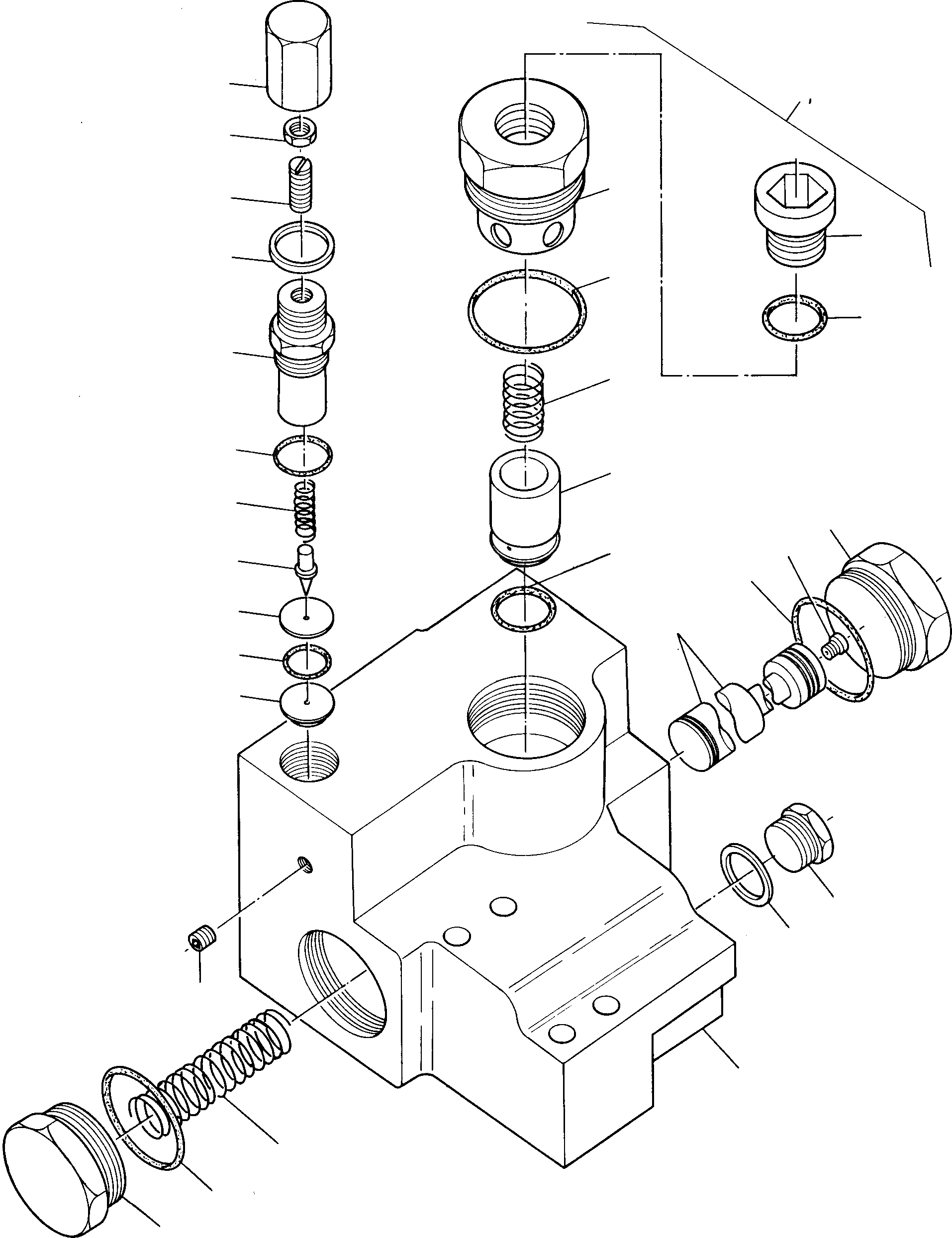
Запчасти Komatsu 35D ОТСЕКАЮЩИЙ КЛАПАН ГИДРАВЛИКА

Схема запчастей Komatsu 35D - ОТСЕКАЮЩИЙ КЛАПАН ГИДРАВЛИКА
13
1A
1
3A
12
18
11
29
10
17
28
9
16
8
15
7
25
24
14
6
21
5
23
4
3
26
27
19
2
22
21
20
FIT
1:1
100%

Артикул

Название

Примечание

Количество

1

3075228M92

BY-PASS VALVE

DeutschDesc: ABSCHALTVENTIL

1шт.

2

HOUSING

EnglischBem: ORDER 3075 228 M92

1шт.

3

NOT USED

DeutschDesc: NICHT VERWENDET

-1шт.

3A

3228179M1

SEALING HOLDER

DeutschDesc: DICHTRINGHALTER

1шт.

4

1886401M1

O-RING

DeutschDesc: O-RING

1шт.

5

1892683M1

VALVE SEAT

DeutschDesc: VENTILSITZ

1шт.

6

1892758M1

POPPET

DeutschDesc: VENTILKEGEL

1шт.

7

1892680M1

SPRING

DeutschDesc: FEDER

1шт.

8

3031848M1

O-RING

DeutschDesc: O-RING

1шт.

9

1892695M1

CAP

DeutschDesc: KAPPE

1шт.

10

1892736M1

SEAL

DeutschDesc: DICHTRING

1шт.

11

1892698M1

SCREW

DeutschDesc: SCHRAUBE

1шт.

12

1892774M1

NUT

DeutschDesc: MUTTER

1шт.

13

1892707M1

CAP NUT

DeutschDesc: HUTMUTTER

1шт.

14

2951813M1

O-RING

DeutschDesc: O-RING

1шт.

15

2964347M1

POPPET

DeutschDesc: VENTILKEGEL

1шт.

16

1892679M1

SPRING

DeutschDesc: FEDER

1шт.

17

3007062X1

O-RING

DeutschDesc: O-RING

1шт.

18

VALVE SEAT

EnglischBem: ORDER 3075 228 M92

1шт.

19

1892777M1

PLUG

DeutschDesc: VERSCHLUSSSTOPFEN

2шт.

20

1892694M1

SCREW

DeutschDesc: SCHRAUBE

1шт.

21

1892801M1

O-RING

DeutschDesc: O-RING

2шт.

22

1892681M1

SPRING

DeutschDesc: FEDER

1шт.

23

SLIDER

EnglischBem: ORDER 3075 228 M92

1шт.

24

1892786M1

THROTTLE

DeutschDesc: DROSSEL

1шт.

25

1892657M1

SCREW

DeutschDesc: SCHRAUBE

1шт.

26

3031863M1

SCREW

DeutschDesc: SCHRAUBE

1шт.

27

3031864M1

SEAL

DeutschDesc: DICHTRING

1шт.

28

1892801M1

O-RING

DeutschDesc: O-RING

1шт.

29

PLUG

EnglischBem: ORDER 3075 228 M92

1шт.

Выбрано товаров: 30