Запчасти Komatsu 35D ВОЗВРАТ В РАБОЧ. ПОЛОЖ-Е, ЭЛЕКТР. ОБОРУД-Е ОБОРУД-Е

Схема запчастей Komatsu 35D - ВОЗВРАТ В РАБОЧ. ПОЛОЖ-Е, ЭЛЕКТР. ОБОРУД-Е ОБОРУД-Е
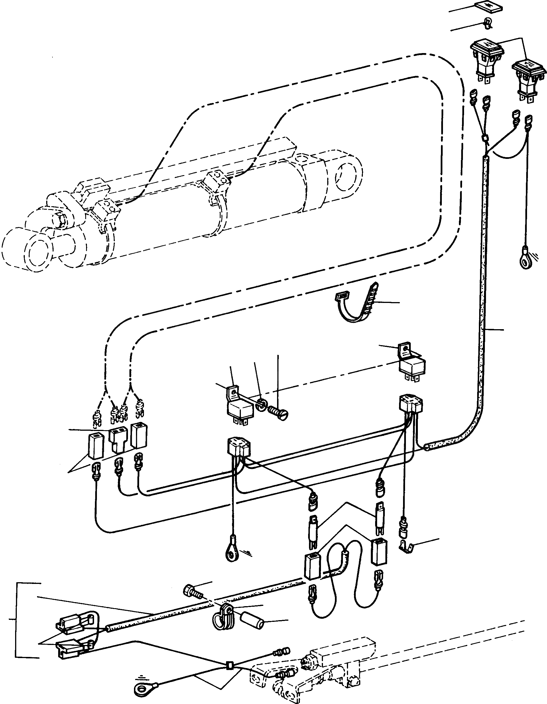
6
5
4
17
7
1
2
3
1
12
11
10
11
16
14
8
13
15
7
9
FIT
1:1
100%

Артикул

Название

Примечание

Количество

1

3097003M1

RELAY

DeutschDesc: RELAIS

2шт.

2

1444201X1

SCREW

DeutschDesc: SCHRAUBE

2шт.

3

1443793X1

SPRING WASHER

DeutschDesc: FEDERRING

2шт.

4

2937747M91

CONTROL LIGHT

DeutschDesc: KONTROLLEUCHTE

2шт.

5

1443995X1

BULB

DeutschDesc: GLUEHLAMPE

2шт.

6

3076015M1

LENS

DeutschDesc: LINSE

2шт.

7

3097611M91

HARNESS

DeutschDesc: KABELBAUM

1шт.

8

HARNESS

EnglischBem: ORDER 3097 611 M91

1шт.

9

2904737M2

DIODE

DeutschDesc: DIODE

2шт.

10

3097021M1

DIODE

DeutschDesc: DIODE

2шт.

11

2877394M1

ELECTRICAL PLUG

DeutschDesc: STECKER

4шт.

12

3061860M8

CABLE JUNCTION

DeutschDesc: KABELVERTEILER

1шт.

13

1444659X1

CLIP

DeutschDesc: SCHELLE

3шт.

14

339230X1

SCREW

DeutschDesc: SCHRAUBE

3шт.

15

1444285X1

THREADED BUSH

DeutschDesc: GEWINDEBUCHSE

3шт.

16

2999795M1

CONNECTION SOCKET

DeutschDesc: STECKVERBINDUNG

1шт.

17

2999878M1

BRACE

DeutschDesc: HALTEBAND

7шт.

Выбрано товаров: 17