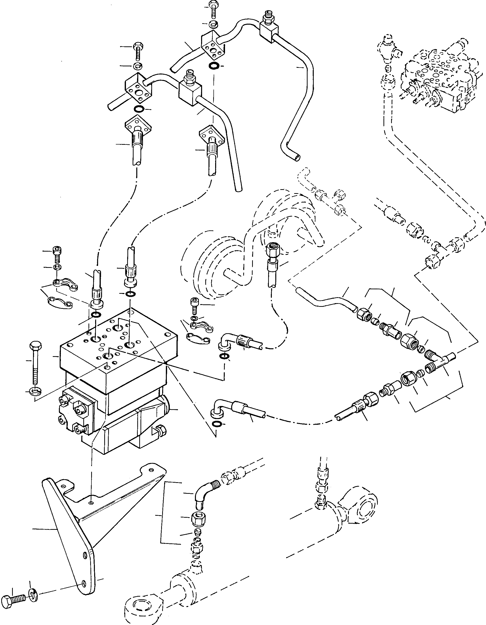
Запчасти Komatsu 35D A.L.S. ГИДРАВЛИКА ОБОРУД-Е

Схема запчастей Komatsu 35D - A.L.S. ГИДРАВЛИКА ОБОРУД-Е
15
11
14
15
11
9
14
13
9
13
8
8
12
16
11
8
8
27
23
10
9
25
12
26
10
11
24
19
21
9
22
16
4
7
9
20
6
22
21
19
5
18
9
17
17
29
28
30
1
31
2
3
FIT
1:1
100%

Артикул

Название

Примечание

Количество

1

4004044M1

SWITCH

DeutschDesc: SCHALTER

1шт.

2

NOT USED

DeutschDesc: NICHT VERWENDET

-1шт.

3

339299X1

SCREW

DeutschDesc: SCHRAUBE

2шт.

4

4211191M1

CONNECTOR

DeutschDesc: ANSCHLUSS

1шт.

5

4211192M91

SOLENOID VALVE

EnglischBem: REPAIRS AND REPLACES 4002 822 M1

1шт.

|$32

SOLENOID VALVE

DeutschDesc: MAGNETVENTIL

-3шт.

6

1443790X1

SPRING WASHER

DeutschDesc: FEDERRING

3шт.

7

339132X1

SCREW

DeutschDesc: SCHRAUBE

3шт.

8

2993559X91

HOSE

DeutschDesc: SCHLAUCH

2шт.

9

1444847X1

O-RING

DeutschDesc: O-RING

6шт.

10

3004943X1

HALF FLANGE

DeutschDesc: HALBFLANSCH

8шт.

11

1443790X1

SPRING WASHER

DeutschDesc: FEDERRING

24шт.

12

1441436X1

SCREW

DeutschDesc: SCHRAUBE

16шт.

13

4004300M91

TUBE

DeutschDesc: ROHR

1шт.

14

4004303M91

TUBE

DeutschDesc: ROHR

1шт.

15

339556X1

SCREW

DeutschDesc: SCHRAUBE

8шт.

16

2993558X91

HOSE

DeutschDesc: SCHLAUCH

1шт.

17

2993559X91

HOSE

DeutschDesc: SCHLAUCH

1шт.

18

3001118X91

REDUCER

DeutschDesc: REDUZIERSTUECK

1шт.

19

3000507X91

UNION

DeutschDesc: VERSCHRAUBUNG

1шт.

20

STUD

EnglischBem: ORDER 3000 507 X91

1шт.

21

3004123X1

BOXNUT

DeutschDesc: UEBERWURFMUTTER

2шт.

22

3004128X1

OLIVE

DeutschDesc: SCHNEIDRING

2шт.

23

3000826X91

CONNECTOR

DeutschDesc: ANSCHLUSS

1шт.

24

STUD

EnglischBem: ORDER 3000 826 X91

1шт.

25

391097X1

BOXNUT

DeutschDesc: UEBERWURFMUTTER

1шт.

26

1443841X1

OLIVE

DeutschDesc: SCHNEIDRING

1шт.

27

4004306M1

TUBE

DeutschDesc: ROHR

1шт.

28

1442498X91

UNION

EnglischBem: FOR STEERING CYLINDER, RIGHT

1шт.

29

STUD

EnglischBem: ORDER 1442 498 X91

1шт.

30

391097X1

BOXNUT

DeutschDesc: UEBERWURFMUTTER

1шт.

31

1443841X1

OLIVE

DeutschDesc: SCHNEIDRING

1шт.

Выбрано товаров: 32