Запчасти Komatsu 35D TIMING КОРПУС ШЕСТЕРЕНН. ПЕРЕДАЧИ И КАРТЕР МАХОВИКА ДВИГАТЕЛЬ, АКСЕССУАРЫ И ЭЛЕКТРИЧ. СИСТЕМА

Схема запчастей Komatsu 35D - TIMING КОРПУС ШЕСТЕРЕНН. ПЕРЕДАЧИ И КАРТЕР МАХОВИКА ДВИГАТЕЛЬ, АКСЕССУАРЫ И ЭЛЕКТРИЧ. СИСТЕМА
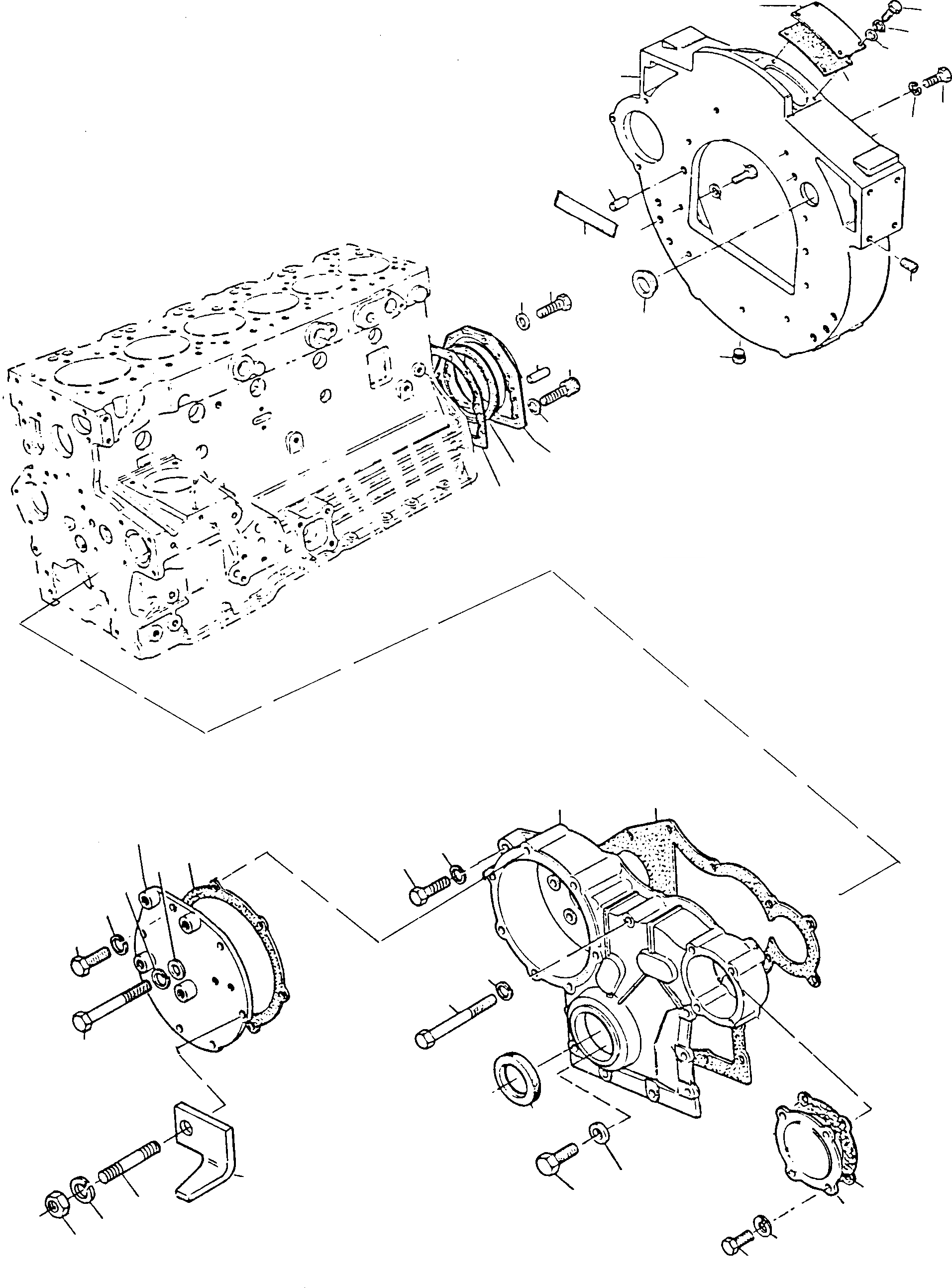
35
24
38
43
37
42
36
31
34
39
40
33
30
32
29
28
27
41
25
26
23
22
21
9
8
14
7
16
6
15
13
12
11
5
4
10
3
20
2
44
1
19
45
18
46
17
47
FIT
1:1
100%

Артикул

Название

Примечание

Количество

1

4908639M1

PLUG

DeutschDesc: VERSCHLUSSSTOPFEN

1шт.

2

4908641M1

DISC

DeutschDesc: SCHEIBE

1шт.

3

4906659M1

SEAL

DeutschDesc: DICHTRING

1шт.

4

4906182M1

SCREW

DeutschDesc: SCHRAUBE

1шт.

5

4905353M1

SPRING WASHER

DeutschDesc: FEDERRING

1шт.

6

4905376M1

SCREW

DeutschDesc: SCHRAUBE

8шт.

7

4905353M1

SPRING WASHER

DeutschDesc: FEDERRING

8шт.

8

4908633M1

HOUSING

DeutschDesc: GEHAEUSE

1шт.

9

4908637M1

GASKET

DeutschDesc: DICHTUNG

1шт.

10

4908629M1

SCREW

DeutschDesc: SCHRAUBE

2шт.

11

4905376M1

SCREW

DeutschDesc: SCHRAUBE

5шт.

12

4905353M1

SPRING WASHER

DeutschDesc: FEDERRING

5шт.

13

4905353M1

SPRING WASHER

DeutschDesc: FEDERRING

2шт.

14

4908615M1

PLATE

DeutschDesc: PLATTE

1шт.

15

4905377M1

PLAIN WASHER

DeutschDesc: UNTERLEGSCHEIBE

1шт.

16

4908614M1

GASKET

DeutschDesc: DICHTUNG

1шт.

17

NOT USED

DeutschDesc: NICHT VERWENDET

-1шт.

18

4906625M1

SPRING WASHER

DeutschDesc: FEDERRING

2шт.

19

4908631M1

STUD BOLT

DeutschDesc: STIFTSCHRAUBE

2шт.

20

4908630M1

POINTER

DeutschDesc: ZEIGER

1шт.

21

4906650M1

GASKET

DeutschDesc: DICHTUNG

1шт.

22

4906649M1

SEAL

DeutschDesc: DICHTRING

1шт.

23

4906648M91

HOUSING

DeutschDesc: GEHAEUSE

1шт.

24

4906654M1

PLAIN WASHER

DeutschDesc: UNTERLEGSCHEIBE

1шт.

25

4906652M1

DOWEL

DeutschDesc: ZYLINDERSTIFT

2шт.

26

357987X1

SCREW

DeutschDesc: SCHRAUBE

2шт.

27

4905377M1

PLAIN WASHER

DeutschDesc: UNTERLEGSCHEIBE

10шт.

28

4906651M1

SCREW

DeutschDesc: SCHRAUBE

10шт.

29

4906673M1

COVER

DeutschDesc: DECKEL

1шт.

30

4906669M1

DOWEL

DeutschDesc: ZYLINDERSTIFT

2шт.

31

4908648M1

HOUSING

DeutschDesc: GEHAEUSE

1шт.

32

4908651M1

DISC

DeutschDesc: SCHEIBE

6шт.

33

353540X1

SCREW

DeutschDesc: SCHRAUBE

6шт.

34

4908655M1

GASKET

DeutschDesc: DICHTUNG

2шт.

35

4908654M1

PLATE

DeutschDesc: PLATTE

2шт.

36

4906623M1

PLAIN WASHER

DeutschDesc: UNTERLEGSCHEIBE

8шт.

37

4906625M1

SPRING WASHER

DeutschDesc: FEDERRING

8шт.

38

4908656M1

SCREW

DeutschDesc: SCHRAUBE

8шт.

39

4908652M1

SCREW

DeutschDesc: SCHRAUBE

3шт.

40

4905464M1

SPRING WASHER

DeutschDesc: FEDERRING

3шт.

41

4908649M1

PLUG

DeutschDesc: VERSCHLUSSSTOPFEN

10шт.

42

4908657M1

PLUG

DeutschDesc: VERSCHLUSSSTOPFEN

1шт.

43

4906667M1

PLUG

DeutschDesc: VERSCHLUSSSTOPFEN

2шт.

44

4908659M1

GASKET

DeutschDesc: DICHTUNG

1шт.

45

4908658M1

COVER

DeutschDesc: DECKEL

1шт.

46

4905353M1

SPRING WASHER

DeutschDesc: FEDERRING

4шт.

47

4905357M1

SCREW

DeutschDesc: SCHRAUBE

4шт.

Выбрано товаров: 47