Запчасти Komatsu 35D РУЛЕВ. УПРАВЛЕНИЕ ASSEMBLY СИСТЕМАУПРАВЛЕНИЯ ПОВОРОТОМ, ПЕРЕДНИЙ МОСТ, ТОРМОЗ. СИСТЕМА

Схема запчастей Komatsu 35D - РУЛЕВ. УПРАВЛЕНИЕ ASSEMBLY СИСТЕМАУПРАВЛЕНИЯ ПОВОРОТОМ, ПЕРЕДНИЙ МОСТ, ТОРМОЗ. СИСТЕМА
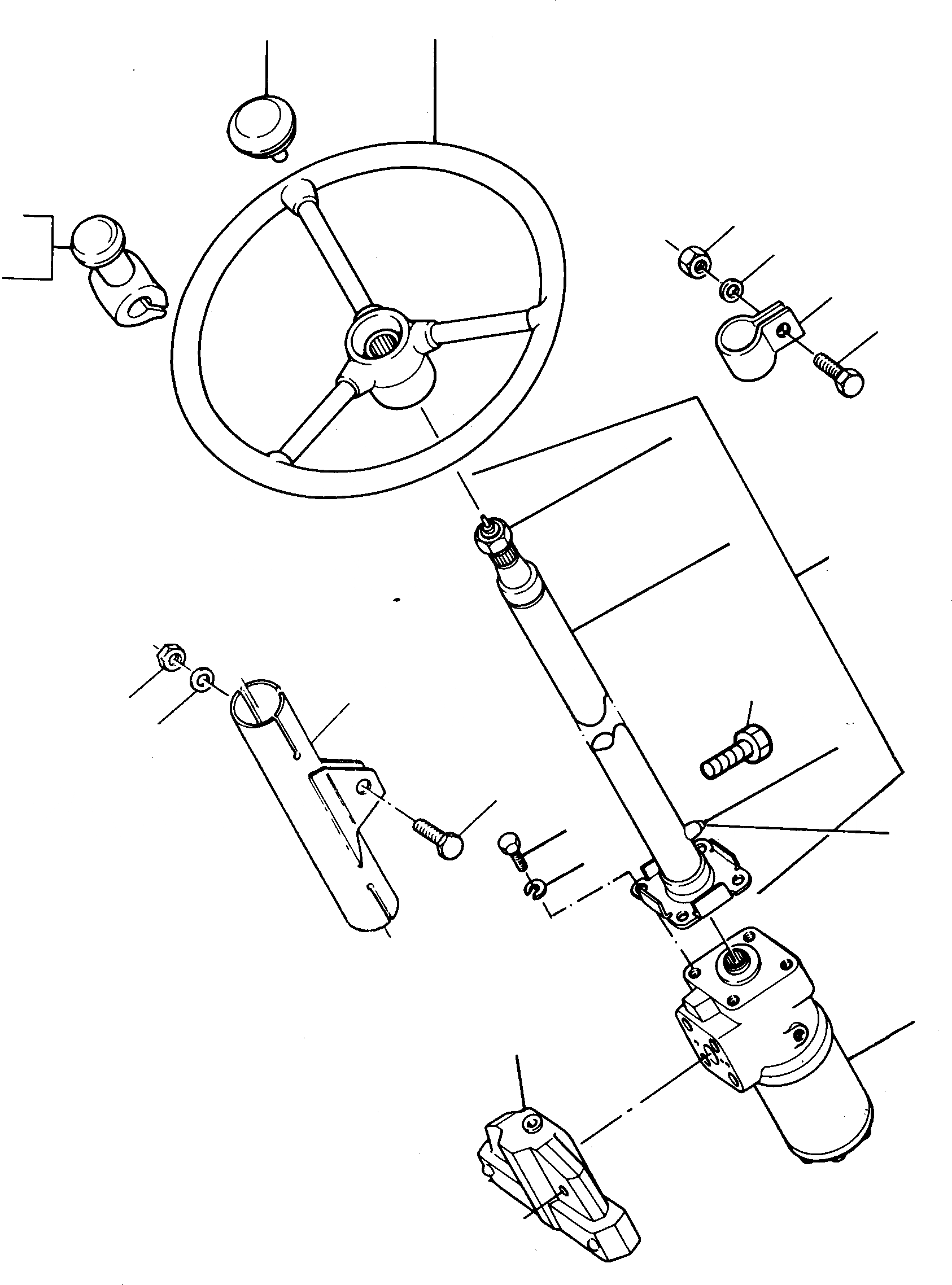
1
3
16
2A
6B
2
15
6A
13
14
7
5
4
12
16
15
14
8
6
9
10
11
FIT
1:1
100%

Артикул

Название

Примечание

Количество

1

2880880M91

BUTTON

DeutschDesc: KNOPF

1шт.

2A

4201447M91

TURN BUTTON

DeutschDesc: DREHKNOPF

1шт.

3

4002122M1

STEERING WHEEL

DeutschDesc: LENKRAD

1шт.

4

2976894M92

STEERING COLUMN

DeutschDesc: LENKSAEULE

1шт.

5

STEERING COLUMN

EnglischBem: ORDER 2976 894 M92

1шт.

6A

3229214M91

CONTACT

DeutschDesc: KONTAKT

1шт.

6B

1892971M1

SCREW

DeutschDesc: SCHRAUBE

2шт.

7

1444310X1

NUT

DeutschDesc: MUTTER

1шт.

8

354261X1

SCREW

DeutschDesc: SCHRAUBE

4шт.

9

353434X1

SPRING WASHER

DeutschDesc: FEDERRING

4шт.

10

2976895M91

STEERING

DeutschDesc: LENKUNG

1шт.

|$18

STEERING

DeutschDesc: LENKUNG

-3шт.

11

2976898M92

VALVE BLOCK

DeutschDesc: VENTILBLOCK

1шт.

|$19

VALVE BLOCK

DeutschDesc: VENTILBLOCK

-3шт.

12

NOT USED

DeutschDesc: NICHT VERWENDET

-1шт.

13

3079264M1

CLIP

DeutschDesc: SCHELLE

1шт.

14

390680X1

SCREW

DeutschDesc: SCHRAUBE

1шт.

15

390972X1

PLAIN WASHER

DeutschDesc: UNTERLEGSCHEIBE

1шт.

16

390679X1

NUT

DeutschDesc: MUTTER

1шт.

Выбрано товаров: 19