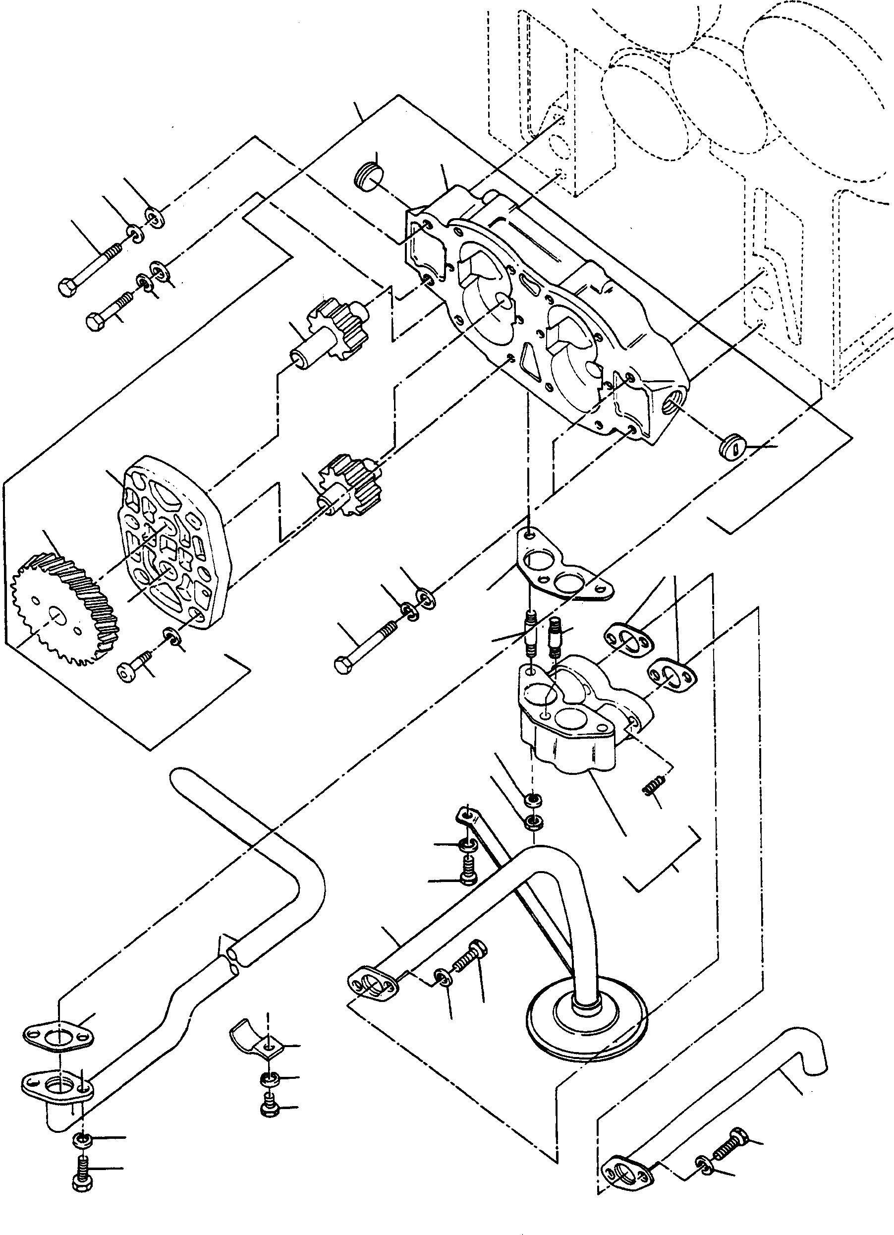
Запчасти Komatsu 44C ДВИГАТЕЛЬ СМАЗКА ДВИГАТЕЛЬ, АКСЕССУАРЫ И ЭЛЕКТРИЧ. СИСТЕМА

Схема запчастей Komatsu 44C - ДВИГАТЕЛЬ СМАЗКА ДВИГАТЕЛЬ, АКСЕССУАРЫ И ЭЛЕКТРИЧ. СИСТЕМА
1
9
2
13
12
10
13
12
4
11
9
5
3
6
13
23
12
17
10
19
18
8
7
20
21
16
25
15
31
14
22
27
28
24
25
30
25
26
31
25
24
29
25
FIT
1:1
100%

Артикул

Название

Примечание

Количество

1

2871697M91

OIL PUMP

DeutschDesc: OELPUMPE

1шт.

1A

NOT USED

DeutschDesc: NICHT VERWENDET

-1шт.

2

2871680M1

HOUSING

DeutschDesc: GEHAEUSE

1шт.

3

2871695M91

PUMP GEAR

DeutschDesc: PUMPENRAD

2шт.

4

2871696M91

PUMP GEAR

DeutschDesc: PUMPENRAD

2шт.

5

2870052M1

COVER

DeutschDesc: DECKEL

2шт.

6

2871688M1

DRIVE GEAR

DeutschDesc: ANTRIEBSZAHNRAD

2шт.

7

1442705X1

SCREW

DeutschDesc: SCHRAUBE

12шт.

8

1443789X1

SPRING WASHER

DeutschDesc: FEDERRING

12шт.

9

2870043M1

PLUG

DeutschDesc: VERSCHLUSSSTOPFEN

2шт.

10

339368X1

SCREW

DeutschDesc: SCHRAUBE

3шт.

11

339291X1

SCREW

DeutschDesc: SCHRAUBE

1шт.

12

1443789X1

SPRING WASHER

DeutschDesc: FEDERRING

4шт.

13

3076907M1

PLAIN WASHER

DeutschDesc: UNTERLEGSCHEIBE

4шт.

14

2870058M91

HOUSING

DeutschDesc: GEHAEUSE

1шт.

15

HOUSING

EnglischBem: ORDER 2870 058 M91

1шт.

16

1443919X1

THREADED INSERT

DeutschDesc: GEWINDEEINSATZ

4шт.

17

2992759M1

GASKET

EnglischBem: REPAIRS AND REPLACES 2870 049 M1

1шт.

18

1444213X1

STUD BOLT

DeutschDesc: STIFTSCHRAUBE

2шт.

19

1444217X1

STUD BOLT

DeutschDesc: STIFTSCHRAUBE

1шт.

20

1443780X1

SPRING PLATE

DeutschDesc: FEDERSCHEIBE

3шт.

21

339169X1

NUT

DeutschDesc: MUTTER

3шт.

22

2871763M93

INTAKE

DeutschDesc: EINLASSLEITUNG

1шт.

23

4700095X1

GASKET

EnglischBem: REPAIRS AND REPLACES 1444 760 X1

2шт.

24

390379X1

SCREW

DeutschDesc: SCHRAUBE

2шт.

25

391037X1

SPRING WASHER

DeutschDesc: FEDERRING

9шт.

26

2871765M91

PIPE

DeutschDesc: ROHRLEITUNG

1шт.

27

3090242M91

INTAKE

DeutschDesc: EINLASSLEITUNG

1шт.

28

4700094X1

GASKET

EnglischBem: REPAIRS AND REPLACES 1444 761 X1

1шт.

29

339761X1

SCREW

DeutschDesc: SCHRAUBE

2шт.

30

2961501M1

CLIP

DeutschDesc: SCHELLE

2шт.

31

339124X1

SCREW

DeutschDesc: SCHRAUBE

3шт.

Выбрано товаров: 32