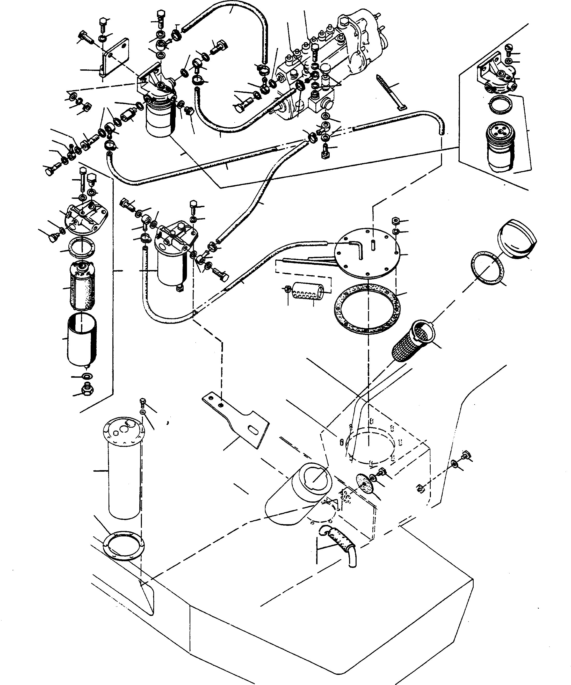
Запчасти Komatsu 44C ТОПЛИВН. СИСТЕМА, ФИЛЬТР. UP - ДВИГАТЕЛЬ NO. 9ДВИГАТЕЛЬ, АКСЕССУАРЫ И ЭЛЕКТРИЧ. СИСТЕМА

Схема запчастей Komatsu 44C - ТОПЛИВН. СИСТЕМА, ФИЛЬТР. UP - ДВИГАТЕЛЬ NO. 9  ДВИГАТЕЛЬ, АКСЕССУАРЫ И ЭЛЕКТРИЧ. СИСТЕМА
45
21
50
25
44
37
46
47
45
57
56
51
1A
45
11
13A
6A
46
46
33A
46
58
44
21
49
44
55
44
69
21
46
59
46
45
54
60
61
43
41
65
21
64
46
63
53
66
44
62
48
42
65
21
52
67
68
23
26
24
29
38
40
34
28
19
35
27
39
18
21
21
30
15
39
1
37
22
38
31
2
20
14
17
16
32
3
33
6
7
36
8
4
9
10
12
5
13
FIT
1:1
100%

Артикул

Название

Примечание

Количество

1

2876009M1

TANK CAP

DeutschDesc: TANKVERSCHLUSS

1шт.

1A

2963928M91

TANK CAP

EnglischBem: LOCKABLE

1шт.

2

2874470M2

GASKET

EnglischBem: NOTE: Pos. (2) included in Pos. (1) and (1A) Kit

1шт.

3

2949025M91

STRAINER

DeutschDesc: FILTERSIEB

1шт.

4

3092033M91

SENDER

DeutschDesc: GEBER

1шт.

|$75

TO BE INSTALLED TOGETHER WITH 2985 375 M91

DeutschDesc: ZUSAMMEN EINBAUEN MIT 2985 375 M91

-3шт.

5

2945530M1

GASKET

DeutschDesc: DICHTUNG

1шт.

6

391074X1

SCREW

EnglischBem: 12 MM

6шт.

6A

339560X1

SCREW

EnglischBem: 16 MM

6шт.

7

2999780M1

PLAIN WASHER

DeutschDesc: UNTERLEGSCHEIBE

1шт.

8

2999791M1

PLUG

DeutschDesc: VERSCHLUSSSTOPFEN

1шт.

9

1442936X1

SEAL

DeutschDesc: DICHTRING

1шт.

10

339160X1

SCREW

DeutschDesc: SCHRAUBE

1шт.

11

391011X1

PLAIN WASHER

DeutschDesc: UNTERLEGSCHEIBE

1шт.

12

2950350M1

DISC

DeutschDesc: SCHEIBE

1шт.

13

4002479M1

HOSE

EnglischBem: REPAIRS AND REPLACES 2995 190 X1 GOODS SOLD BY THE METER 2995 36

2шт.

13A

NOT USED

DeutschDesc: NICHT VERWENDET

-1шт.

14

2950343M1

GASKET

DeutschDesc: DICHTUNG

1шт.

15

3084840M91

FLANGE

DeutschDesc: FLANSCH

1шт.

16

2871766M91

SIEVE

DeutschDesc: SIEB

1шт.

17

1444329X1

NUT

DeutschDesc: MUTTER

1шт.

18

1443790X1

SPRING WASHER

DeutschDesc: FEDERRING

8шт.

19

339402X1

NUT

DeutschDesc: MUTTER

8шт.

20

2995429X1

HOSE

EnglischBem: REPAIRS AND REPLACES 1444 625 X1 GOODS SOLD BY THE METER 2995 42

1шт.

21

2995123X1

CLIP

DeutschDesc: SCHELLE

8шт.

22

2941953M91

PRE FILTER

EnglischBem: NO LONGER SERVICED, USE 1 X 2992 582 M91

1шт.

|$76

PRE FILTER

DeutschDesc: VORFILTER

-3шт.

23

1443660X1

SCREW

DeutschDesc: SCHRAUBE

1шт.

24

391376X1

SEAL

EnglischBem: REPAIRS AND REPLACES 2941 924 M1

1шт.

25

2941927M1

PLUG

DeutschDesc: VERSCHLUSSSTOPFEN

1шт.

26

390839X1

SEAL

DeutschDesc: DICHTRING

1шт.

27

2941925M1

SCREW

DeutschDesc: SCHRAUBE

1шт.

28

2941926M1

SEAL

DeutschDesc: DICHTRING

1шт.

29

2941922M1

COVER

DeutschDesc: DECKEL

1шт.

30

2941923M1

SEAL

DeutschDesc: DICHTRING

1шт.

31

2870198M1

FILTER ELEMENT

DeutschDesc: FILTERELEMENT

1шт.

32

2941920M1

HOUSING

DeutschDesc: GEHAEUSE

1шт.

33

1441535X1

SCREW

EnglischBem: REPAIRS AND REPLACES 2941 928 M1

1шт.

33A

391312X1

SEAL

DeutschDesc: DICHTRING

1шт.

34

339401X1

SCREW

DeutschDesc: SCHRAUBE

2шт.

35

1443790X1

SPRING WASHER

DeutschDesc: FEDERRING

2шт.

36

3092344M91

BRACKET

DeutschDesc: HALTER

1шт.

37

2999610M1

BANJO BOLT

DeutschDesc: HOHLSCHRAUBE

2шт.

38

390839X1

SEAL

DeutschDesc: DICHTRING

4шт.

39

2999722M1

BANJO FITTING

DeutschDesc: RINGSTUECK

2шт.

40

2995428X1

HOSE

EnglischBem: REPAIRS AND REPLACES 3003 644 X1 GOODS SOLD BY THE METER 2995 42

1шт.

41

2999722M1

BANJO FITTING

DeutschDesc: RINGSTUECK

1шт.

42

2999610M1

BANJO BOLT

DeutschDesc: HOHLSCHRAUBE

1шт.

43

390839X1

SEAL

DeutschDesc: DICHTRING

2шт.

44

2999722M1

BANJO FITTING

DeutschDesc: RINGSTUECK

5шт.

45

2999610M1

BANJO BOLT

DeutschDesc: HOHLSCHRAUBE

4шт.

46

390839X1

SEAL

DeutschDesc: DICHTRING

12шт.

47

2995428X1

HOSE

EnglischBem: REPAIRS AND REPLACES 3003 644 X1 GOODS SOLD BY THE METER 2995 42

1шт.

48

2995429X1

HOSE

EnglischBem: REPAIRS AND REPLACES 1444 625 X1 GOODS SOLD BY THE METER 2995 42

1шт.

49

2871540M91

BRACKET

DeutschDesc: HALTER

1шт.

50

339081X1

SCREW

DeutschDesc: SCHRAUBE

2шт.

51

1443790X1

SPRING WASHER

DeutschDesc: FEDERRING

2шт.

52

2871535M91

FILTER

DeutschDesc: FILTER

1шт.

|$74

FILTER

DeutschDesc: FILTER

-3шт.

53

2871513M2

FILTER

DeutschDesc: FILTER

1шт.

54

GASKET

EnglischBem: ORDER 2871 513 M2

1шт.

55

3075909M1

COVER

DeutschDesc: DECKEL

1шт.

56

2941926M1

SEAL

DeutschDesc: DICHTRING

1шт.

57

2963245M1

SCREW

DeutschDesc: SCHRAUBE

1шт.

58

390799X1

SCREW

DeutschDesc: SCHRAUBE

2шт.

59

390734X1

PLAIN WASHER

DeutschDesc: UNTERLEGSCHEIBE

2шт.

60

1443790X1

SPRING WASHER

DeutschDesc: FEDERRING

2шт.

61

339402X1

NUT

DeutschDesc: MUTTER

2шт.

62

1443750X1

PLUG

DeutschDesc: VERSCHLUSSSTOPFEN

1шт.

63

2865994M91

VALVE

DeutschDesc: VENTIL

1шт.

64

1444757X1

BANJO BOLT

DeutschDesc: HOHLSCHRAUBE

1шт.

65

391376X1

SEAL

DeutschDesc: DICHTRING

2шт.

66

3093432M91

BANJO FITTING

DeutschDesc: RINGSTUECK

1шт.

67

2999609M1

BANJO BOLT

DeutschDesc: HOHLSCHRAUBE

1шт.

68

2995432X1

HOSE

EnglischBem: REPAIRS AND REPLACES 3068 931 M8 GOODS SOLD BY THE METER 2995 42

1шт.

69

2963655M1

BRACE

DeutschDesc: HALTEBAND

2шт.

Выбрано товаров: 76