Запчасти Komatsu 44C QUICK CHANGE DEVICE ОБОРУД-Е

Схема запчастей Komatsu 44C - QUICK CHANGE DEVICE ОБОРУД-Е
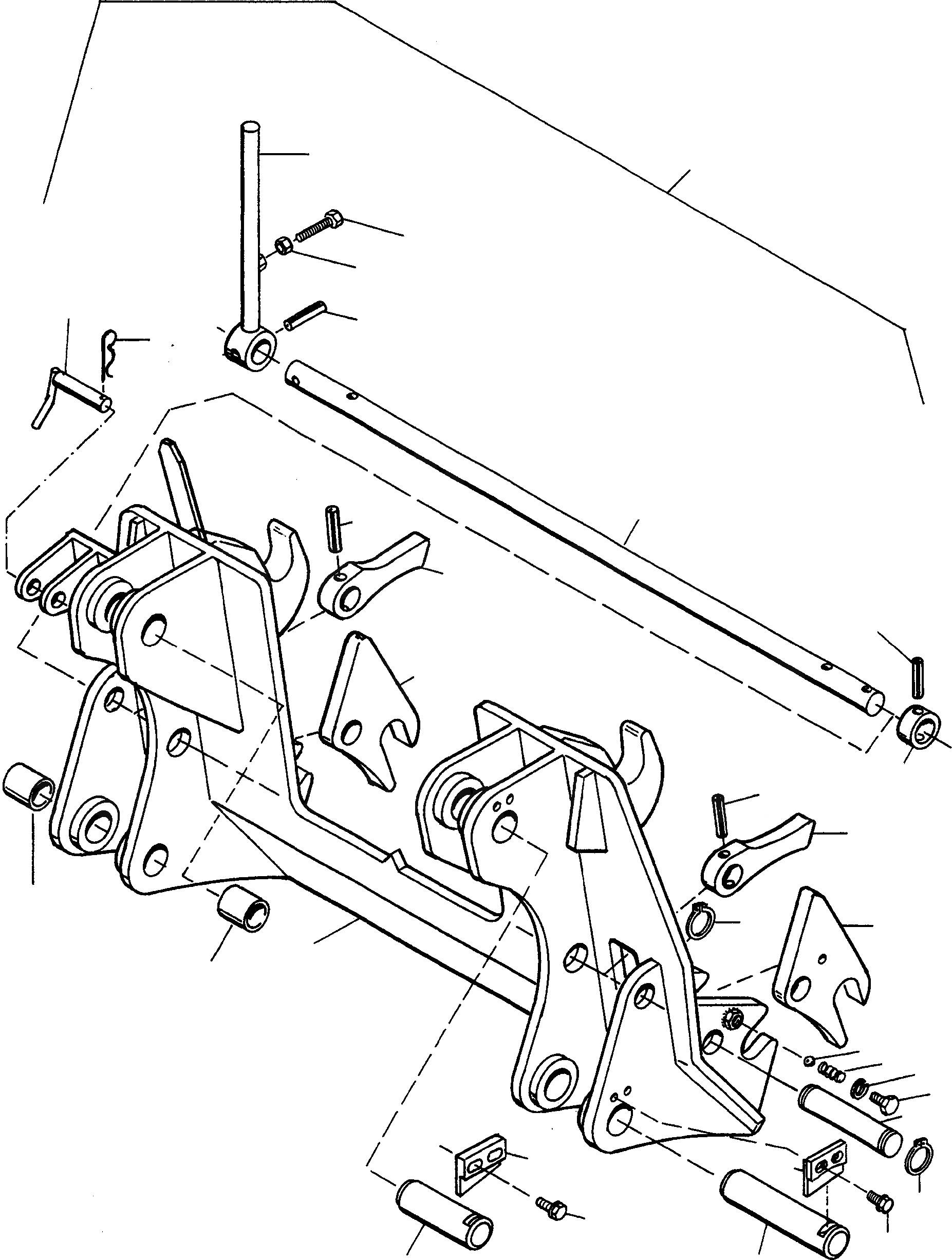
3
1
14
5
12
2A
6
2A
4
13
7
11
10
9
8
11
10
17
15
2
20
19
27
18
16
25
22
17
26
23
24
21
FIT
1:1
100%

Артикул

Название

Примечание

Количество

1

2980781M91

CHANGE DEVICE

DeutschDesc: WECHSELVORRICHTUNG

1шт.

2

CHANGE DEVICE

EnglischBem: ORDER 2980 781 M91

1шт.

2A

2907625M1

BUSHING

DeutschDesc: BUCHSE

8шт.

3

3230250M91

LEVER

EnglischBem: TO ADAPT AT QUICK CHANGE DEVICE

1шт.

4

1444054X1

SCREW

DeutschDesc: SCHRAUBE

1шт.

5

339402X1

NUT

DeutschDesc: MUTTER

1шт.

6

2995645X1

GROOVE PIN

DeutschDesc: KERBSTIFT

1шт.

7

3230254M1

SHAFT

EnglischBem: TO ADAPT AT QUICK CHANGE DEVICE

1шт.

8

3230251M1

BUSHING

DeutschDesc: BUCHSE

1шт.

9

2995645X1

GROOVE PIN

DeutschDesc: KERBSTIFT

1шт.

10

4918759M1

LEVER

EnglischBem: TO ADAPT AT QUICK CHANGE DEVICE

2шт.

11

2995645X1

GROOVE PIN

DeutschDesc: KERBSTIFT

2шт.

12

3230252M1

PIN

DeutschDesc: BOLZEN

1шт.

13

3001099X1

HAIR PIN

DeutschDesc: FEDERSTECKER

1шт.

14

4918760M1

EXCLUDER

EnglischBem: TO ADAPT AT QUICK CHANGE DEVICE

1шт.

15

4918760M1

EXCLUDER

EnglischBem: TO ADAPT AT QUICK CHANGE DEVICE

1шт.

16

3230253M1

PIN

DeutschDesc: BOLZEN

2шт.

17

391129X1

CIRCLIP

DeutschDesc: SICHERUNGSRING

4шт.

18

1444059X1

SCREW

DeutschDesc: SCHRAUBE

1шт.

19

3230256M1

SPRING

DeutschDesc: FEDER

1шт.

20

1443829X1

BALL

DeutschDesc: KUGEL

1шт.

21

2950000M1

PIN

DeutschDesc: BOLZEN

2шт.

22

2951972M91

AXLE HOLDER

DeutschDesc: ACHSHALTER

2шт.

23

1444131X1

SCREW

DeutschDesc: SCHRAUBE

4шт.

24

2950001M1

PIN

DeutschDesc: BOLZEN

2шт.

25

2951971M91

AXLE HOLDER

DeutschDesc: ACHSHALTER

2шт.

26

1444131X1

SCREW

DeutschDesc: SCHRAUBE

4шт.

27

1443796X1

SPRING WASHER

DeutschDesc: FEDERRING

1шт.

Выбрано товаров: 28