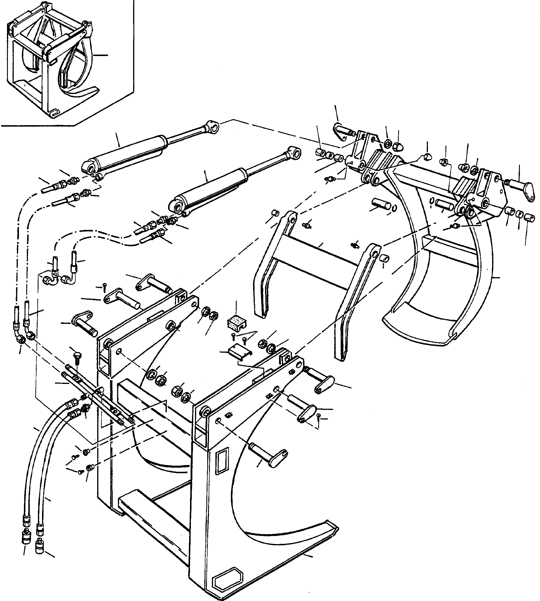
Запчасти Komatsu 44C УДЛИНН.WOOD ЗАХВАТ ОБОРУД-Е

Схема запчастей Komatsu 44C - УДЛИНН.WOOD ЗАХВАТ ОБОРУД-Е
1
5
9
6
7
4
9
7
9
6
5
8
15
4
16
9
10
15
15
16
11
10
12
16
11
12
15
13
10
9
10
8
4
16
9
16
16
18
13
3
17
22
21
16
25
20
23
19
19
23
20
24
6
16
7
7
26
6
18
21
17
28
27
30
31
25
30
28
2
29
29
FIT
1:1
100%

Артикул

Название

Примечание

Количество

1

4003867M91

LONGWOOD GRAPPLE

EnglischBem: 1,0 M2

1шт.

2

FRAME

EnglischBem: ORDER 4003 867 M91

1шт.

3

4917341M91

GRAPPLE

DeutschDesc: GREIFER

1шт.

4

4917149M91

HOLDER

DeutschDesc: HALTETEIL

1шт.

5

3230178M91

PIN

DeutschDesc: BOLZEN

2шт.

6

4909725M1

SPRING WASHER

DeutschDesc: FEDERRING

4шт.

7

4909724M1

NUT

DeutschDesc: MUTTER

4шт.

8

4917342M1

DISTANCE PIECE

DeutschDesc: DISTANZSTUECK

2шт.

9

3230181M1

BUSHING

DeutschDesc: BUCHSE

4шт.

10

3230179M1

LUBRICATION NIPPLE

DeutschDesc: SCHMIERNIPPEL

4шт.

11

4917343M1

PIN

DeutschDesc: BOLZEN

2шт.

12

4917344M1

CIRCLIP

DeutschDesc: SICHERUNGSRING

2шт.

13

4917345M1

BUSHING

DeutschDesc: BUCHSE

2шт.

14

3230180M91

HYDR. CYLINDER

DeutschDesc: HYDRAULIKZYLINDER

2шт.

|$32

HYDR. CYLINDER

DeutschDesc: HYDRAULIKZYLINDER

-3шт.

15

3230182M1

REDUCER

DeutschDesc: REDUZIERSTUECK

4шт.

16

3230183M91

HYDR HOSE

DeutschDesc: HYDRAULIKSCHLAUCH

4шт.

17

391444X1

COTTER

DeutschDesc: SPLINT

2шт.

18

3230184M91

PIN

DeutschDesc: BOLZEN

2шт.

19

4909725M1

SPRING WASHER

DeutschDesc: FEDERRING

2шт.

20

4909724M1

NUT

DeutschDesc: MUTTER

2шт.

21

4917346M91

PIN

DeutschDesc: BOLZEN

2шт.

22

3230186M1

STOP

DeutschDesc: ANSCHLAG

2шт.

23

3230185M1

SCREW

DeutschDesc: SCHRAUBE

7шт.

24

4909717M1

UNDERLAY

DeutschDesc: UNTERLAGE

2шт.

25

3230184M91

PIN

DeutschDesc: BOLZEN

2шт.

26

4909719M91

PIPE

DeutschDesc: ROHRLEITUNGSSATZ

1шт.

27

4917347M1

ADAPTOR

DeutschDesc: ADAPTER

1шт.

28

3230283M91

HYDR HOSE

DeutschDesc: HYDRAULIKSCHLAUCH

2шт.

29

3230228M91

COUPLING/CLUTCH

DeutschDesc: KUPPLUNG

2шт.

30

NOT USED

DeutschDesc: NICHT VERWENDET

-1шт.

31

NOT USED

DeutschDesc: NICHT VERWENDET

-1шт.

Выбрано товаров: 0