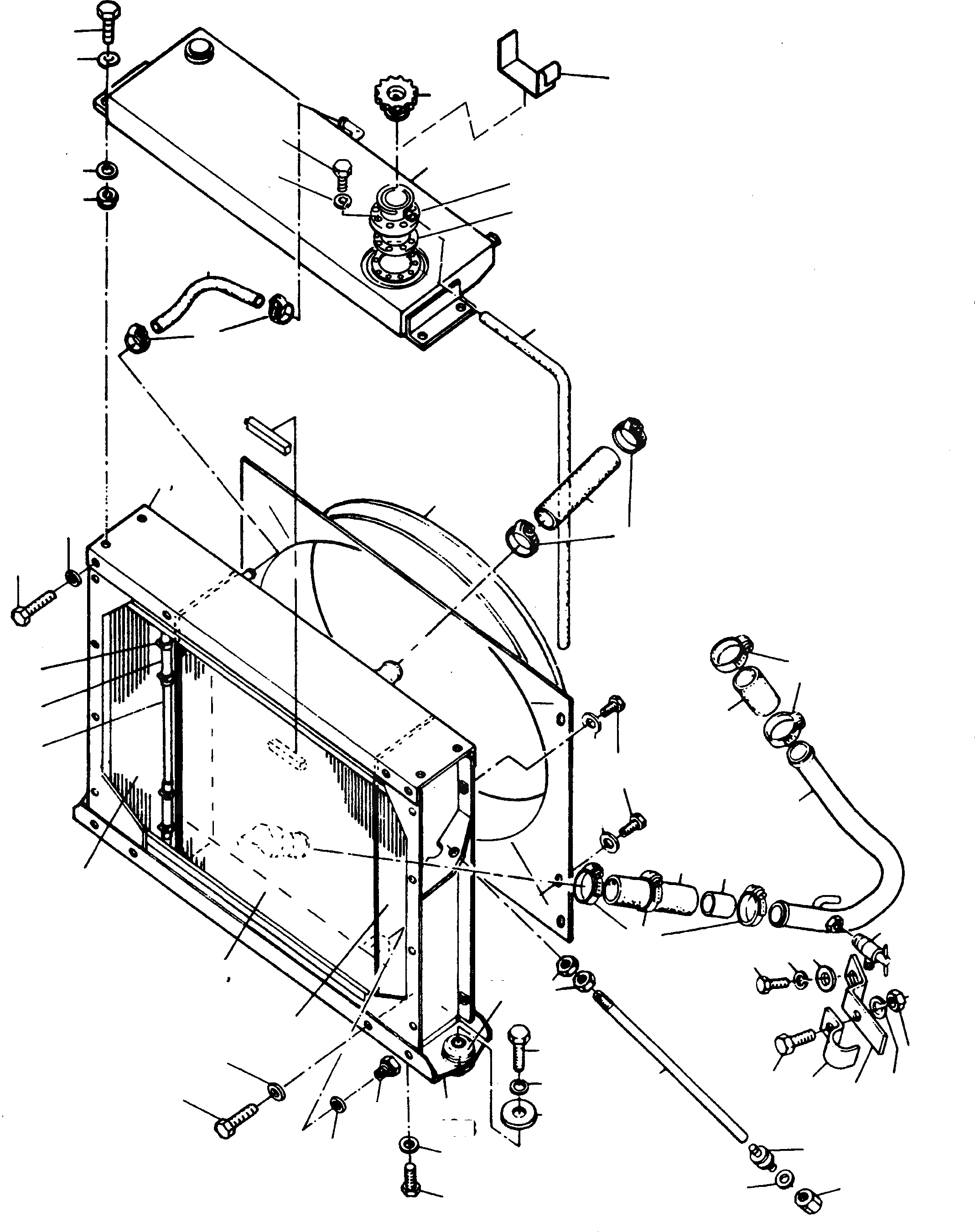
Запчасти Komatsu 44C РАДИАТОР ДВИГАТЕЛЬ, АКСЕССУАРЫ И ЭЛЕКТРИЧ. СИСТЕМА

Схема запчастей Komatsu 44C - РАДИАТОР ДВИГАТЕЛЬ, АКСЕССУАРЫ И ЭЛЕКТРИЧ. СИСТЕМА
19
19A
17C
1A
8A
10A
10B
10C
2A
18
17A
17B
17
17D
20
21
15
22
16
14
1
13
23
2
24
3
4
28
5
27
6
26
25
29
26
31
30
7
32
28
35
34
33
8
41
9
46
2
40
42
36
47
39
37
3
38
10
48
43
49
11
45
44
12
FIT
1:1
100%

Артикул

Название

Примечание

Количество

0

2979648M91

COOLER

EnglischBem: SUPPLY ON REQUEST

1шт.

1

3230158M91

FRAME

SN: 377623257

1шт.

1A

3232119M91

FRAME

SN: 377623258-377623258

1шт.

2

3067846M8

PLAIN WASHER

DeutschDesc: UNTERLEGSCHEIBE

16шт.

2A

3230152M1

INDICATOR

DeutschDesc: ANZEIGER

1шт.

3

3243128M1

SCREW

DeutschDesc: SCHRAUBE

16шт.

4

1444839X1

CLIP

DeutschDesc: SCHELLE

4шт.

5

3008259X1

HOSE

EnglischBem: 100 MM

2шт.

6

3232183M1

TUBE

DeutschDesc: ROHR

1шт.

7

3230160M91

COOLER

EnglischBem: COOLER FOR CONVERTER

1шт.

8

3230159M91

COOLER

SN: 377623257

1шт.

8A

3232117M91

COOLER

SN: 377623258-377623258

1шт.

9

3230161M91

COOLER

EnglischBem: COOLER FOR HYDRAULIC

1шт.

10

3004954X1

PLUG

DeutschDesc: VERSCHLUSSSTOPFEN

1шт.

10A

3230171M91

BRIDGE PIECE

SN: 377623257

1шт.

10B

3232165M1

BRIDGE PIECE

SN: 377623258-377623258

1шт.

10C

3073949M1

BUFFER

EnglischBem: NOTE: Pos.(10C) included in Pos.(10A) and (10B) Kit

2шт.

11

390972X1

PLAIN WASHER

DeutschDesc: UNTERLEGSCHEIBE

5шт.

12

390379X1

SCREW

DeutschDesc: SCHRAUBE

5шт.

13

2979643M92

FAN SHELL

EnglischBem: REPAIRS AND REPLACES 2979 643 M91

1шт.

14

2981666M1

GASKET

EnglischBem: GOODS SOLD BY THE METER 2981 667 M1 680 MM

2шт.

15

3000409X1

HOSE

EnglischBem: 250 MM

1шт.

16

1444845X1

CLIP

DeutschDesc: SCHELLE

2шт.

17

3232118M91

CONTAINER

DeutschDesc: BEHAELTER

1шт.

17A

3232401M1

FILLER

DeutschDesc: EINFUELLSTUTZEN

1шт.

17B

4917896M1

GASKET

EnglischBem: REPAIRS AND REPLACES 3232 402 M1

1шт.

17C

339560X1

SCREW

DeutschDesc: SCHRAUBE

6шт.

17D

1444355X1

PLAIN WASHER

DeutschDesc: UNTERLEGSCHEIBE

6шт.

18

3005504X1

COVER

DeutschDesc: DECKEL

1шт.

19

339123X1

SCREW

DeutschDesc: SCHRAUBE

4шт.

19A

NOT USED

DeutschDesc: NICHT VERWENDET

-1шт.

20

390972X1

PLAIN WASHER

DeutschDesc: UNTERLEGSCHEIBE

4шт.

21

339169X1

NUT

DeutschDesc: MUTTER

4шт.

22

2977938M91

HOSE

DeutschDesc: SCHLAUCH

1шт.

23

1443890X1

HOSE

EnglischBem: GOODS SOLD BY THE METER 1443 912 X1 170 MM

1шт.

24

1444841X1

CLIP

DeutschDesc: SCHELLE

2шт.

25

390379X1

SCREW

DeutschDesc: SCHRAUBE

6шт.

26

391039X1

PLAIN WASHER

DeutschDesc: UNTERLEGSCHEIBE

6шт.

27

3066001M8

HOSE

EnglischBem: GOODS SOLD BY THE METER 1443 914 X1 80 MM

1шт.

28

1444842X1

CLIP

DeutschDesc: SCHELLE

5шт.

29

2979636M91

TUBE

DeutschDesc: ROHR

1шт.

30

2963441M1

TUBE

DeutschDesc: ROHR

1шт.

31

3005502X1

HOSE

EnglischBem: GOODS SOLD BY THE METER 1443 914 X1 200 MM

1шт.

32

1444637X1

DRAIN COOK

DeutschDesc: ABLASSHAHN

1шт.

33

339401X1

SCREW

DeutschDesc: SCHRAUBE

1шт.

34

1443790X1

SPRING WASHER

DeutschDesc: FEDERRING

1шт.

35

390597X1

PLAIN WASHER

DeutschDesc: UNTERLEGSCHEIBE

1шт.

36

339139X1

SCREW

DeutschDesc: SCHRAUBE

1шт.

37

3000878X1

CLIP

DeutschDesc: SCHELLE

1шт.

38

3073698M1

BRACKET

DeutschDesc: HALTER

1шт.

39

1443792X1

SPRING WASHER

DeutschDesc: FEDERRING

1шт.

40

339054X1

NUT

DeutschDesc: MUTTER

1шт.

41

339034X1

NUT

DeutschDesc: MUTTER

4шт.

42

2950255M1

STAND

DeutschDesc: STUETZE

2шт.

43

3079781M1

BUFFER

DeutschDesc: PUFFER

2шт.

44

390597X1

PLAIN WASHER

DeutschDesc: UNTERLEGSCHEIBE

4шт.

45

1444315X1

NUT

DeutschDesc: MUTTER

2шт.

46

339341X1

SCREW

DeutschDesc: SCHRAUBE

2шт.

47

1443792X1

SPRING WASHER

DeutschDesc: FEDERRING

2шт.

48

2948080M1

DISC

DeutschDesc: SCHEIBE

2шт.

49

390839X1

SEAL

DeutschDesc: DICHTRING

1шт.

Выбрано товаров: 61