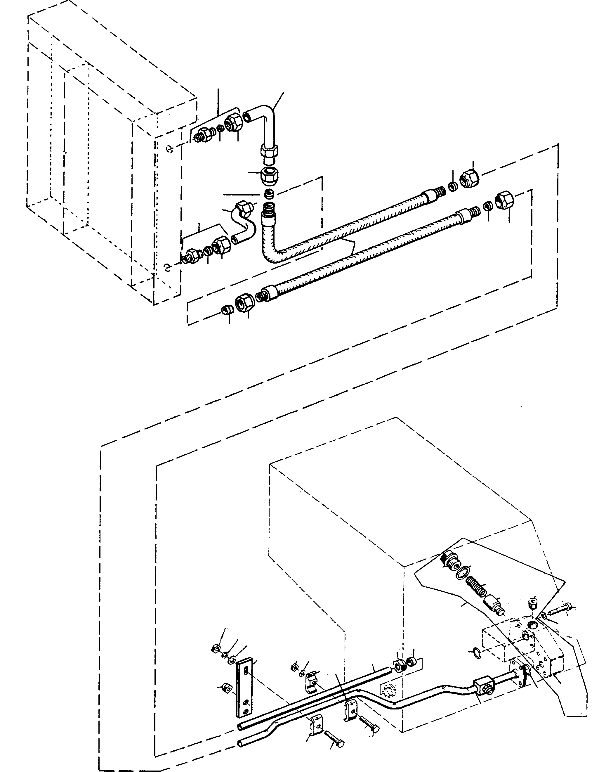
Запчасти Komatsu 44C ГИДРАВЛ МАСЛ. ОХЛАЖД-Е ДВИГАТЕЛЬ, АКСЕССУАРЫ И ЭЛЕКТРИЧ. СИСТЕМА

Схема запчастей Komatsu 44C - ГИДРАВЛ МАСЛ. ОХЛАЖД-Е ДВИГАТЕЛЬ, АКСЕССУАРЫ И ЭЛЕКТРИЧ. СИСТЕМА
7
24
17
31
30
28
1
4
3
2
8
8
7
5
1
8
7
6
3
2
8
7
22
23
21
20
26
18
15
27
14
7
13
8
25
16
9
19
25
10
29
11
12
FIT
1:1
100%

Артикул

Название

Примечание

Количество

1

1442059X91

UNION

DeutschDesc: VERSCHRAUBUNG

2шт.

2

1444691X1

OLIVE

DeutschDesc: SCHNEIDRING

2шт.

3

1442060X1

BOXNUT

DeutschDesc: UEBERWURFMUTTER

2шт.

4

2979603M91

TUBE

DeutschDesc: ROHR

1шт.

5

2979604M91

TUBE

DeutschDesc: ROHR

1шт.

6

2999235M1

HIGH PRESSURE HOSE

DeutschDesc: HD-SCHLAUCH

2шт.

7

1444691X1

OLIVE

DeutschDesc: SCHNEIDRING

5шт.

8

1442060X1

BOXNUT

DeutschDesc: UEBERWURFMUTTER

5шт.

9

2949768M1

TUBE

DeutschDesc: ROHR

1шт.

10

2978496M91

TUBE

DeutschDesc: ROHR

1шт.

11

2891965M1

HOLDING CLAMP

DeutschDesc: HALTESCHELLE

1шт.

12

390398X1

SCREW

DeutschDesc: SCHRAUBE

1шт.

13

390734X1

PLAIN WASHER

DeutschDesc: UNTERLEGSCHEIBE

1шт.

14

1443790X1

SPRING WASHER

DeutschDesc: FEDERRING

2шт.

15

339402X1

NUT

DeutschDesc: MUTTER

2шт.

16

2950961M1

BRACKET

DeutschDesc: HALTER

1шт.

17

1444331X1

NUT

DeutschDesc: MUTTER

2шт.

18

2979628M91

VALVE

DeutschDesc: VENTIL

1шт.

19

HOUSING

EnglischBem: ORDER 2979 628 M91

1шт.

20

2947121M1

PISTON

DeutschDesc: KOLBEN

1шт.

21

2951897M1

COMPRESSION SPRING

DeutschDesc: DRUCKFEDER

1шт.

22

1444753X1

SEAL

DeutschDesc: DICHTRING

1шт.

23

1443746X1

PLUG

DeutschDesc: VERSCHLUSSSTOPFEN

1шт.

24

1443743X1

PLUG

DeutschDesc: VERSCHLUSSSTOPFEN

1шт.

25

1444847X1

O-RING

DeutschDesc: O-RING

2шт.

26

1444189X1

SCREW

DeutschDesc: SCHRAUBE

3шт.

27

391241X1

SPRING WASHER

DeutschDesc: FEDERRING

3шт.

28

2891965M1

HOLDING CLAMP

DeutschDesc: HALTESCHELLE

2шт.

29

390398X1

SCREW

DeutschDesc: SCHRAUBE

1шт.

30

1443790X1

SPRING WASHER

DeutschDesc: FEDERRING

1шт.

31

339402X1

NUT

DeutschDesc: MUTTER

1шт.

Выбрано товаров: 31