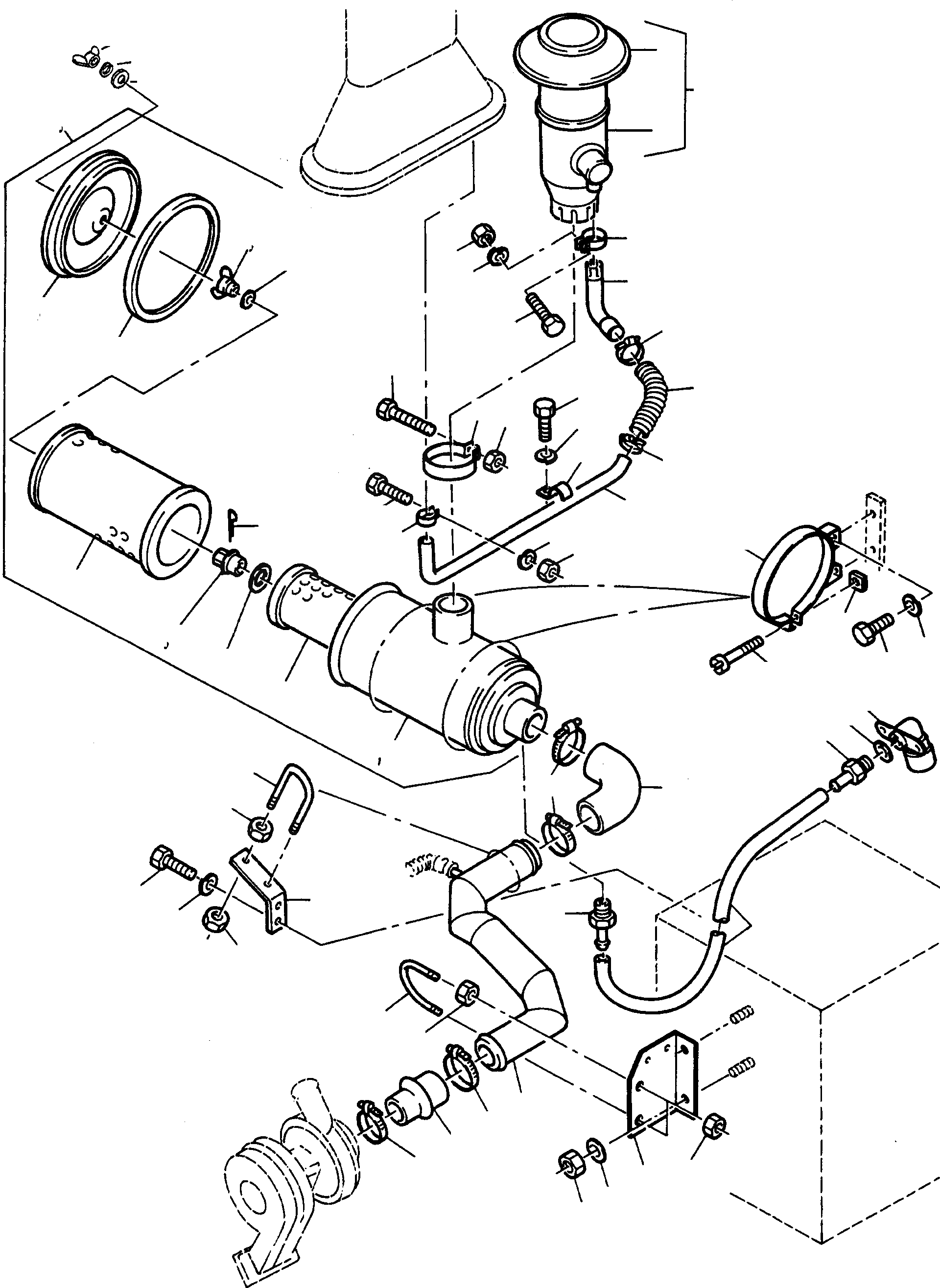
Запчасти Komatsu 44C ВОЗД. ФИЛЬТР. СИСТЕМА, EJECTOR ДВИГАТЕЛЬ, АКСЕССУАРЫ И ЭЛЕКТРИЧ. СИСТЕМА

Схема запчастей Komatsu 44C - ВОЗД. ФИЛЬТР. СИСТЕМА, EJECTOR ДВИГАТЕЛЬ, АКСЕССУАРЫ И ЭЛЕКТРИЧ. СИСТЕМА
28A
28C
28B
27
28
12
57
41
39
14
15
40
46
24
25
49
23
48
45
51
47
26
43
50
54
42
44
55
53
51
52
21
58
29
56
59
22
31
20
19
32
23
33
30
18
38
37
36
16
17
11
3
13
12
10
8
34
9
35
12
11
12
4
3
2
1
5
6
7
FIT
1:1
100%

Артикул

Название

Примечание

Количество

1

2995192X1

CLIP

DeutschDesc: SCHELLE

1шт.

2

2984668M1

HOSE

DeutschDesc: SCHLAUCH

1шт.

3

2995193X1

CLIP

DeutschDesc: SCHELLE

3шт.

4

2984693M91

INTAKE PIPE

DeutschDesc: ANSAUGROHR

1шт.

5

2982635M1

BRACKET

DeutschDesc: HALTER

1шт.

6

2964056M1

DISC

DeutschDesc: SCHEIBE

2шт.

7

1444331X1

NUT

DeutschDesc: MUTTER

2шт.

8

2982636M1

BRACKET

DeutschDesc: HALTER

1шт.

9

1443790X1

SPRING WASHER

DeutschDesc: FEDERRING

2шт.

10

339081X1

SCREW

DeutschDesc: SCHRAUBE

2шт.

11

2982634M1

STIRRUP

DeutschDesc: BUEGEL

2шт.

12

339169X1

NUT

DeutschDesc: MUTTER

8шт.

13

2984669M1

HOSE

DeutschDesc: SCHLAUCH

1шт.

14

2976409M91

AIR FILTER

EnglischBem: DONALDSON TYPE

1шт.

15

3096342M91

AIR FILTER

EnglischBem: MANN & HUMMEL TYPE

1шт.

16

HOUSING

EnglischBem: ORDER 2976 409 M91

1шт.

17

HOUSING

EnglischBem: ORDER 3096 342 M91

1шт.

18

3074308M1

FILTER ELEMENT

EnglischBem: ALTERNATIVE 3096 344 M91 NOTE: Pos.(18) included in Pos.(14) and

1шт.

19

1885787M91

NUT

DeutschDesc: MUTTER

1шт.

20

3241177M1

NUT

DeutschDesc: MUTTER

1шт.

21

3074339M1

COTTER

EnglischBem: NOTE: Pos.(21) included in Pos.(14) and (15) Kit

1шт.

22

3074305M1

FILTER ELEMENT

EnglischBem: ALTERNATIVE 3096 343 M91 NOTE: Pos.(22) included in Pos.(14) and

1шт.

23

3072252M1

SEAL

EnglischBem: NOTE: Pos.(23) included in Pos.(14) and (15) Kit

2шт.

24

1090108M91

WING NUT

DeutschDesc: FLUEGELMUTTER

1шт.

25

3241176M91

NUT

DeutschDesc: MUTTER

1шт.

26

3074344M1

SEAL

DeutschDesc: DICHTRING

1шт.

27

3074345M1

COVER

DeutschDesc: DECKEL

1шт.

28

3241178M91

COVER

DeutschDesc: DECKEL

1шт.

28A

4919408M1

WING NUT

DeutschDesc: FLUEGELMUTTER

1шт.

28B

4919410M1

GASKET DISC

DeutschDesc: DICHTSCHEIBE

1шт.

28C

4919409M1

CIRCLIP

DeutschDesc: SICHERUNGSRING

1шт.

29

2977820M91

CLIP

DeutschDesc: SCHELLE

2шт.

30

3004572X1

SCREW

DeutschDesc: SCHRAUBE

2шт.

31

3004792X1

NUT

DeutschDesc: MUTTER

2шт.

32

1443790X1

SPRING WASHER

DeutschDesc: FEDERRING

4шт.

33

339282X1

SCREW

DeutschDesc: SCHRAUBE

4шт.

34

2976416M1

STUD

DeutschDesc: STUTZEN

1шт.

35

1444628X1

HOSE

EnglischBem: GOODS SOLD BY THE METER 3003 373 X1

1шт.

36

2999983M1

STUD

DeutschDesc: STUTZEN

1шт.

37

1440993X1

SEAL

DeutschDesc: DICHTRING

1шт.

38

2872975M1

INDICATOR

DeutschDesc: ANZEIGER

1шт.

39

2976410M91

CYCLONE

DeutschDesc: ZYKLON

1шт.

40

HOUSING

EnglischBem: ORDER 2976 410 M91

1шт.

41

3078919M91

COVER

DeutschDesc: DECKEL

1шт.

42

3071319M91

CLIP

DeutschDesc: SCHELLE

1шт.

43

390398X1

SCREW

DeutschDesc: SCHRAUBE

1шт.

44

339402X1

NUT

DeutschDesc: MUTTER

1шт.

45

3086909M91

MANIFOLD

DeutschDesc: KRUEMMER

1шт.

46

3000541X1

CLIP

DeutschDesc: SCHELLE

1шт.

47

339761X1

SCREW

DeutschDesc: SCHRAUBE

1шт.

48

1443789X1

SPRING WASHER

DeutschDesc: FEDERRING

1шт.

49

339169X1

NUT

DeutschDesc: MUTTER

1шт.

50

3093109M1

HOSE

EnglischBem: GOODS SOLD BY THE METER 2994 446 M1 200 MM

1шт.

51

1444841X1

CLIP

DeutschDesc: SCHELLE

2шт.

52

2982643M1

TUBE

DeutschDesc: ROHR

1шт.

53

3007909X1

CLIP

DeutschDesc: SCHELLE

1шт.

54

339081X1

SCREW

DeutschDesc: SCHRAUBE

1шт.

55

1443790X1

SPRING WASHER

DeutschDesc: FEDERRING

1шт.

56

2995194X1

CLIP

DeutschDesc: SCHELLE

1шт.

57

339337X1

SCREW

DeutschDesc: SCHRAUBE

1шт.

58

1443789X1

SPRING WASHER

DeutschDesc: FEDERRING

1шт.

59

339169X1

NUT

DeutschDesc: MUTTER

1шт.

Выбрано товаров: 62