Запчасти Komatsu 44C ГОЛОВКА ЦИЛИНДРОВ И ATTACHING ЧАСТИ ДВИГАТЕЛЬ, АКСЕССУАРЫ И ЭЛЕКТРИЧ. СИСТЕМА

Схема запчастей Komatsu 44C - ГОЛОВКА ЦИЛИНДРОВ И ATTACHING ЧАСТИ ДВИГАТЕЛЬ, АКСЕССУАРЫ И ЭЛЕКТРИЧ. СИСТЕМА
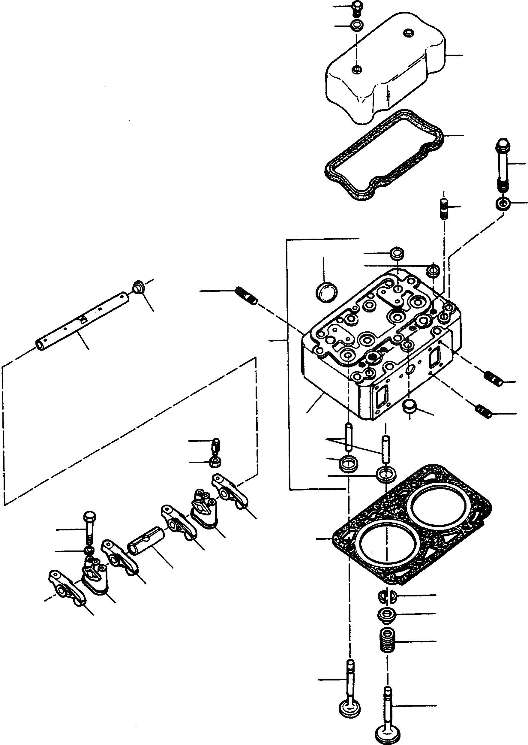
17
21
22
19
20
33
4
3
3
15
24
1
23
16
16
5
2
6
31
7
32
8
27
9
26
30
25
28
27
12
26
13
25
14
10
11
29
18
FIT
1:1
100%

Артикул

Название

Примечание

Количество

1

3090236M91

CYLINDER HEAD

DeutschDesc: ZYLINDERKOPF

2шт.

|$34

SEAL KIT

DeutschDesc: DICHTUNGSSATZ

-3шт.

2

CYLINDER HEAD

EnglischBem: ORDER 3090 236 M91

2шт.

3

2867115M1

COVER

EnglischBem: Ш 22 MM

10шт.

4

2867117M1

COVER

EnglischBem: Ш 45 MM

2шт.

5

1444859X1

COVER

DeutschDesc: DECKEL

2шт.

6

2870997M1

PILOT

DeutschDesc: FUEHRUNG

8шт.

7

2871005M1

VALVE SEAT

DeutschDesc: VENTILSITZ

4шт.

8

3090235M1

VALVE SEAT

DeutschDesc: VENTILSITZ

4шт.

9

2992579M1

HEAD GASKET

EnglischBem: REPAIRS AND REPLACES 3070 733 M1

2шт.

10

2871004M1

EXHAUST VALVE

DeutschDesc: AUSLASSVENTIL

4шт.

11

3090234M1

INTAKE VALVE

DeutschDesc: EINLASSVENTIL

4шт.

12

2870976M1

POPPET

DeutschDesc: VENTILKEGEL

16шт.

13

2870992M1

SPRING SEAT

DeutschDesc: FEDERTELLER

8шт.

14

2871014M1

COMPRESSION SPRING

DeutschDesc: DRUCKFEDER

8шт.

15

2995026X1

STUD BOLT

DeutschDesc: STIFTSCHRAUBE

12шт.

16

2995026X1

STUD BOLT

DeutschDesc: STIFTSCHRAUBE

8шт.

17

2992315M1

SCREW

EnglischBem: REPAIRS AND REPLACES 3070 691 M1

18шт.

18

2871002M1

PLAIN WASHER

DeutschDesc: UNTERLEGSCHEIBE

18шт.

19

2871039M1

COVER

DeutschDesc: DECKEL

2шт.

20

2871040M1

GASKET

DeutschDesc: DICHTUNG

2шт.

21

339761X1

SCREW

DeutschDesc: SCHRAUBE

4шт.

22

1443847X1

SEAL

DeutschDesc: DICHTRING

4шт.

23

2870986M1

ROCKER SHAFT AXLE

DeutschDesc: KIPPHEBELACHSE

2шт.

24

2870987M1

PLUG

DeutschDesc: VERSCHLUSSSTOPFEN

4шт.

25

2870984M1

ROCKER ARM

DeutschDesc: KIPPHEBEL

4шт.

26

2870985M1

ROCKER SOCKET

DeutschDesc: KIPPHEBELBOCK

4шт.

27

2870983M1

ROCKER ARM

DeutschDesc: KIPPHEBEL

4шт.

28

2870988M1

SLEEVE

DeutschDesc: HUELSE

2шт.

29

1444018X1

SCREW

DeutschDesc: SCHRAUBE

8шт.

30

390734X1

PLAIN WASHER

DeutschDesc: UNTERLEGSCHEIBE

8шт.

31

2865157M1

ADJUSTING SCREW

DeutschDesc: EINSTELLSCHRAUBE

8шт.

32

391712X1

NUT

DeutschDesc: MUTTER

8шт.

33

3005319X1

STUD BOLT

DeutschDesc: STIFTSCHRAUBE

8шт.

Выбрано товаров: 34