Запчасти Komatsu 505-1 ПАНЕЛЬ ПРИБОРОВ(№9-) КОМПОНЕНТЫ ДВИГАТЕЛЯ И ЭЛЕКТРИКА

Схема запчастей Komatsu 505-1 - ПАНЕЛЬ ПРИБОРОВ(№9-) КОМПОНЕНТЫ ДВИГАТЕЛЯ И ЭЛЕКТРИКА
FIT
1:1
100%

Артикул

Название

Примечание

Количество

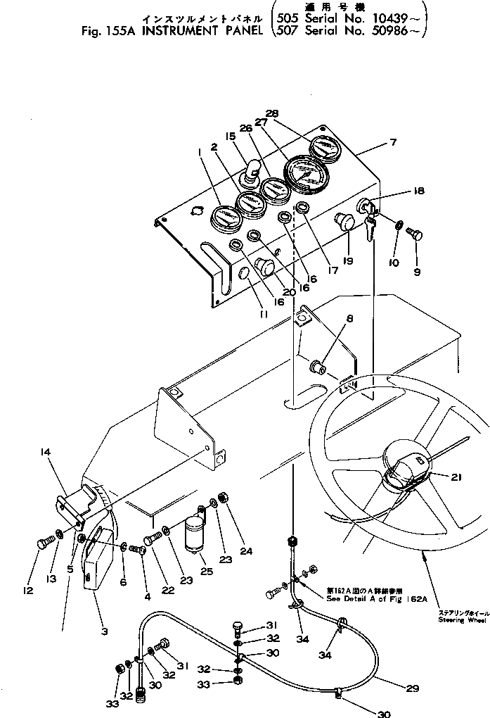
1

381-897685-2

GAUGE,T/C OIL TEMPERATURE

SN: 10001-UP

1шт.

2

381-897686-3

GAUGE,ENGINE WATER TEMPERATURE

SN: 10001-UP

1шт.

3

381-985772-1

RESISTOR

SN: 10001-UP

1шт.

4

01220-40512

SCREW

SN: 10001-UP

2шт.

5

01580-10504

NUT

SN: 10001-UP

2шт.

6

01601-20513

WASHER

SN: 10001-UP

2шт.

7

385-10246053

PANEL,INSTRUMENT

SN: 10685-UP

1шт.

|7

0

PANEL,INSTRUMENT

SN: 10559-10684

1шт.

|7

0

PANEL,INSTRUMENT

SN: 10439-10558

1шт.

8

381-934811-1

CUSHION

SN: 10331-UP

4шт.

9

382-025483-1

BOLT

SN: 10331-UP

4шт.

10

382-025532-1

WASHER

SN: 10331-UP

4шт.

11

385-11048121

BUTTON,(FOR WORK LAMP PILOT)

SN: 10001-UP

1шт.

12

01010-50620

BOLT

SN: 10331-UP

2шт.

13

382-025551-1

WASHER

SN: 10001-UP

2шт.

14

385-10228711

HINGE ASS'Y

SN: 10331-UP

1шт.

15

380-888290-3

LAMP,INSTRUMENT PANEL

SN: 10001-UP

1шт.

|15

08110-12410

BULB¤ 12W

SN: 10001-UP

1шт.

16

08147-22400

LAMP,PILOT

SN: 10001-UP

3шт.

|16

08111-02430

BULB¤ 3W

SN: 10001-UP

1шт.

17

08147-22401

LAMP,PILOT¤ TURN SIGNAL

SN: 10001-UP

1шт.

|17

08111-02430

BULB¤ 3W

SN: 10001-UP

1шт.

18

08086-10000

SWITCH,STARTING

SN: 10559-UP

1шт.

|18

0

SWITCH,STARTING

SN: 10001-10558

1шт.

19

08061-50010

SWITCH,LIGHTING

SN: 10001-UP

1шт.

20

08061-30050

SWITCH,PARKING

SN: 10001-UP

1шт.

21

08075-60000

SWITCH,TURN SIGNAL

SN: 10001-UP

1шт.

22

01010-50820

BOLT

SN: 10001-UP

1шт.

23

01643-30823

WASHER

SN: 10001-UP

2шт.

24

01580-10806

NUT

SN: 10001-UP

1шт.

25

08077-32400

FLASHER

SN: 10001-UP

1шт.

26

08652-00000

GAUGE,FUEL

SN: 10439-UP

1шт.

27

385-10247001

SPEEDOMETER

SN: 10439-UP

1шт.

28

385-11047951

METER,SERVICE

SN: 10439-UP

1шт.

29

385-10245851

CABLE,SPEEDOMETER

SN: 10439-UP

1шт.

30

381-299402-1

CLIP

SN: 10439-UP

3шт.

31

01010-51025

BOLT

SN: 10439-UP

2шт.

32

01643-31032

WASHER

SN: 10439-UP

4шт.

33

01580-11008

NUT

SN: 10439-UP

2шт.

34

381-935522-1

STRAP

SN: 10439-UP

2шт.

Выбрано товаров: 40