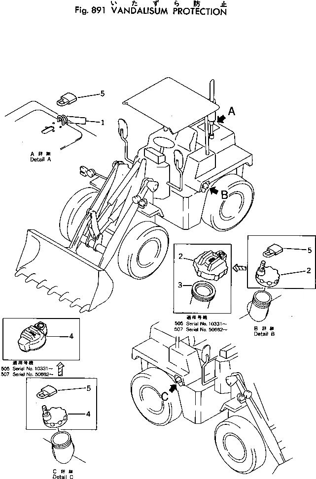
Запчасти Komatsu 505-1 VANDALISUM ЗАЩИТА ОПЦИОННЫЕ КОМПОНЕНТЫ

Схема запчастей Komatsu 505-1 - VANDALISUM ЗАЩИТА ОПЦИОННЫЕ КОМПОНЕНТЫ
FIT
1:1
100%

Артикул

Название

Примечание

Количество

1

385-11048361

ROD

SN: 10001-UP

2шт.

2

07091-00920

CAP ASS'Y

SN: 10331-UP

1шт.

|2

385-10089551

CAP

SN: 10001-10330

1шт.

3

385-10456701

ADAPTER

SN: 10331-UP

1шт.

4

07092-00000

CAP

SN: 10331-UP

1шт.

|4

385-10089551

CAP

SN: 10001-10330

1шт.

5

09460-00000

LOCK

SN: 10331-UP

1шт.

|5

09460-00003

LOCK

SN: 10001-10330

1шт.

Выбрано товаров: 8