Запчасти Komatsu 505-1 ДВИГАТЕЛЬ И ТРАНСМИССИЯ КРЕПЛЕНИЕ КОМПОНЕНТЫ ДВИГАТЕЛЯ И ЭЛЕКТРИКА

Схема запчастей Komatsu 505-1 - ДВИГАТЕЛЬ И ТРАНСМИССИЯ КРЕПЛЕНИЕ КОМПОНЕНТЫ ДВИГАТЕЛЯ И ЭЛЕКТРИКА
FIT
1:1
100%

Артикул

Название

Примечание

Количество

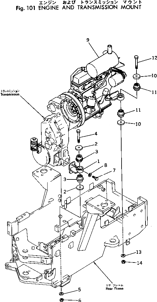
1

385-10116991

SUPPORT

SN: 10001-UP

2шт.

2

385-10108671

WASHER

SN: 10001-UP

4шт.

3

385-10108681

CUSHION

SN: 10001-UP

4шт.

4

01011-31630

BOLT

SN: 10001-UP

2шт.

5

01643-31645

WASHER

SN: 10001-UP

2шт.

6

01580-01613

NUT

SN: 10001-UP

2шт.

7

01010-51235

BOLT

SN: 10001-UP

4шт.

8

01643-31232

WASHER

SN: 10001-UP

4шт.

9

385-10108662

ENGINE ASS'Y

SN: 10331-UP

1шт.

|9

0

ENGINE ASS'Y

SN: 10001-10330

1шт.

10

385-10108671

WASHER

SN: 10001-UP

4шт.

11

385-10108681

CUSHION

SN: 10001-UP

4шт.

12

01011-31630

BOLT

SN: 10001-UP

2шт.

13

01643-31645

WASHER

SN: 10001-UP

2шт.

14

01580-01613

NUT

SN: 10001-UP

2шт.

Выбрано товаров: 15