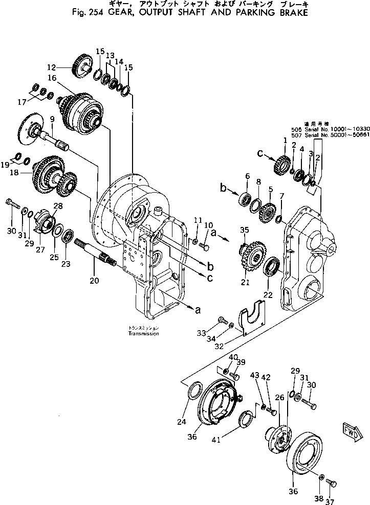
Запчасти Komatsu 505-1 ПРИВОД¤ OUPPUT ВАЛ И СТОЯНОЧНЫЙ ТОРМОЗ ТРАНСМИССИЯ

Схема запчастей Komatsu 505-1 - ПРИВОД¤ OUPPUT ВАЛ И СТОЯНОЧНЫЙ ТОРМОЗ ТРАНСМИССИЯ
FIT
1:1
100%

Артикул

Название

Примечание

Количество

|1

385-10135983

TRANSMISSION ASS'Y

SN: 10523-UP

1шт.

|1

0

TRANSMISSION ASS'Y

SN: 10151-10522

1шт.

|1

0

TRANSMISSION ASS'Y

SN: 10001-10150

1шт.

1

385-10095851

GEAR¤ 24 TEETH

SN: 10001-UP

1шт.

2

04064-03515

RING

SN: 10367-UP

2шт.

|2

04064-03515

RING

SN: 10001-10366

2шт.

3

04065-07225

RING

SN: 10001-UP

1шт.

4

385-10178641

BEARING

SN: 10271-UP

1шт.

|4

0

BEARING

SN: 10001-10270

1шт.

5

385-10162991

GEAR¤ 25 TEETH

SN: 10007-UP

1шт.

|5

385-10095751

GEAR¤ 25 TEETH

SN: 10001-10006

1шт.

6

385-10178621

BEARING

SN: 10271-UP

1шт.

|6

0

BEARING

SN: 10001-10270

1шт.

7

382-233041-1

RING

SN: 10007-UP

1шт.

|7

04064-04018

RING

SN: 10001-10006

1шт.

8

04065-08025

RING

SN: 10001-UP

1шт.

9

711-09-11003

TORQUE CONVERTER A.,(SEE FIG.221)

SN: 10001-UP

1шт.

|9

0

TORQUE CONVERTER A.,(SEE FIG.221)

SN: (10001-10006)

1шт.

10

01010-31050

BOLT

SN: 10001-UP

4шт.

11

01643-31032

WASHER

SN: 10001-UP

4шт.

12

385-10095881

GEAR

SN: 10001-UP

1шт.

13

385-10178631

BEARING

SN: 10271-UP

2шт.

|13

0

BEARING

SN: 10001-10270

2шт.

14

04064-03515

RING

SN: 10001-UP

1шт.

15

04065-06220

RING

SN: 10001-UP

2шт.

16

385-10258961

SHAFT ASS'Y,UPPER (SEE FIG.252)

SN: 10523-UP

1шт.

|16

385-10095942

SHAFT ASS'Y,UPPER (SEE FIG.252)

SN: 10151-10522

1шт.

|16

0

SHAFT ASS'Y,UPPER (SEE FIG.252)

SN: 10001-10150

1шт.

17

385-10096092

RING

SN: 10001-UP

3шт.

18

385-10259021

SHAFT ASS'Y,LOWER (SEE FIG.253)

SN: 10523-UP

1шт.

|18

385-10096102

SHAFT ASS'Y,LOWER (SEE FIG.253)

SN: 10151-10522

1шт.

|18

0

SHAFT ASS'Y,LOWER (SEE FIG.253)

SN: 10001-10150

1шт.

19

385-10096092

RING

SN: 10001-UP

2шт.

20

385-10151111

SHAFT

SN: 10001-UP

1шт.

21

385-10151121

GEAR¤ 38 TEETH

SN: 10001-UP

1шт.

22

385-10178641

BEARING

SN: 10271-UP

1шт.

|22

0

BEARING

SN: 10001-10270

1шт.

23

385-10096381

BEARING

SN: .-UP

1шт.

|23

0

BEARING

SN: 10001-.

1шт.

24

385-10096131

SEAL

SN: 10001-UP

1шт.

25

385-10096391

SEAL

SN: 10001-UP

1шт.

26

385-10136321

YOKE

SN: 10001-UP

1шт.

27

385-10129371

YOKE ASS'Y

SN: 10001-UP

1шт.

28

385-10108951

SLINGER

SN: 10001-UP

1шт.

29

382-254954-1

O-RING

SN: 10001-UP

2шт.

30

01010-31270

BOLT

SN: 10001-UP

2шт.

31

385-10129391

WASHER

SN: 10001-UP

2шт.

32

385-10152641

SHROUD

SN: 10001-UP

1шт.

33

01010-31020

BOLT

SN: 10001-UP

2шт.

34

01643-31032

WASHER

SN: 10001-UP

2шт.

35

04064-04518

RING

SN: 10001-UP

1шт.

36

385-11111471

PARKING BRAKE ASS'Y,(SEE FIG.255)

SN: 10554-UP

1шт.

|36

0

PARKING BRAKE ASS'Y,(SEE FIG.255)

SN: 10001-10553

1шт.

37

01010-31020

BOLT

SN: 10001-UP

6шт.

38

01643-31032

WASHER

SN: 10001-UP

6шт.

39

01010-31225

BOLT

SN: 10001-UP

4шт.

40

01643-31232

WASHER

SN: 10001-UP

4шт.

41

385-10096231

RETAINER

SN: 10001-UP

1шт.

42

01010-31025

BOLT

SN: 10001-UP

2шт.

43

01643-31032

WASHER

SN: 10001-UP

2шт.

Выбрано товаров: 60