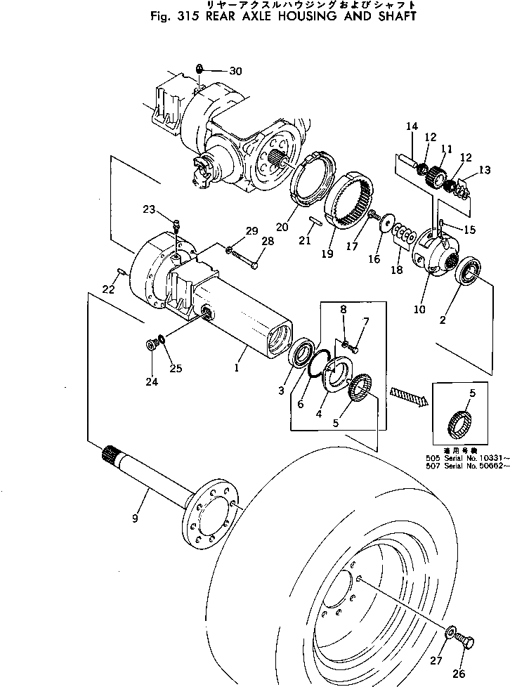
Запчасти Komatsu 505-1 КОРПУС ЗАДНЕГО МОСТА И ВАЛ ПРИВОДВАЛ¤ ДИФФЕРЕНЦ. И КОЛЕСА

Схема запчастей Komatsu 505-1 - КОРПУС ЗАДНЕГО МОСТА И ВАЛ ПРИВОДВАЛ¤ ДИФФЕРЕНЦ. И КОЛЕСА
FIT
1:1
100%

Артикул

Название

Примечание

Количество

|1

385-10129242

REAR AXLE ASS'Y

SN: 10523-UP

1шт.

|1

0

REAR AXLE ASS'Y

SN: 10001-10522

1шт.

1

385-10228661

HOUSING

SN: 10311-UP

2шт.

|1

0

HOUSING

SN: .-10330

2шт.

|$$5

(385-10228661{385-10228641)}

-1шт.

|1

0

HOUSING

SN: 10007-.

2шт.

|1

385-10129422

HOUSING

SN: 10001-10006

2шт.

2

381-937077-1

BEARING

SN: 10001-UP

2шт.

3

385-10109051

BEARING

SN: 10001-UP

2шт.

4

385-10109111

RETAINER

SN: 10001-10330

2шт.

5

385-10228642

SEAL

SN: .-UP

2шт.

|5

0

SEAL

SN: 10331-.

2шт.

|5

381-973636-2

SEAL

SN: 10001-10330

2шт.

6

382-022411-1

O-RING

SN: 10001-10330

2шт.

7

01010-31025

BOLT

SN: .-10330

4шт.

|7

01010-31030

BOLT

SN: 10001-.

4шт.

8

01643-31032

WASHER

SN: 10001-10330

4шт.

9

385-10129441

SHAFT

SN: 10001-UP

2шт.

10

385-10125521

CARRIER

SN: 10001-UP

6шт.

11

385-10125532

GEAR

SN: 10224-UP

6шт.

|11

0

GEAR

SN: 10001-10223

6шт.

12

381-973614-1

CONE

SN: 10001-UP

12шт.

13

381-973616-1

SHIM¤ 0.2MM (KIT)

SN: 10001-UP

-2шт.

|13

381-973617-1

SHIM¤ 0.3MM (KIT)

SN: 10001-UP

-2шт.

|13

381-973618-1

SHIM¤ 0.5MM (KIT)

SN: 10001-UP

-2шт.

14

385-10125541

PIN

SN: 10001-UP

6шт.

15

04025-00616

PIN

SN: 10001-UP

6шт.

16

385-10129451

WASHER

SN: 10001-UP

2шт.

17

01010-31230

BOLT

SN: 10001-UP

2шт.

18

385-10125551

SHIM¤ 0.05MM

SN: 10001-UP

2шт.

|18

385-10125561

SHIM¤ 0.20MM

SN: 10001-UP

4шт.

|18

385-10125571

SHIM¤ 0.30MM

SN: 10001-UP

6шт.

|18

385-10125581

SHIM¤ 0.80MM

SN: 10001-UP

2шт.

19

385-10156111

GEAR

SN: 10007-UP

2шт.

|19

385-10125592

GEAR

SN: 10001-10006

2шт.

20

385-10156101

RING

SN: 10007-UP

2шт.

|20

385-10131842

RING

SN: 10001-10006

2шт.

21

385-10152811

PIN

SN: 10001-UP

6шт.

22

04020-01228

PIN

SN: 10001-UP

4шт.

23

07030-01030

BREATHER

SN: 10451-UP

1шт.

|23

07030-01030

BREATHER

SN: 10001-10450

2шт.

24

07040-12414

PLUG

SN: 10001-UP

2шт.

25

07002-02434

O-RING

SN: 10001-UP

2шт.

26

385-10213731

BOLT

SN: 10001-UP

16шт.

27

01643-32460

WASHER

SN: 10001-UP

16шт.

28

01011-31210

BOLT

SN: 10001-UP

24шт.

29

01643-31232

WASHER

SN: 10001-UP

24шт.

30

07042-00108

PLUG

SN: 10451-UP

1шт.

Выбрано товаров: 48