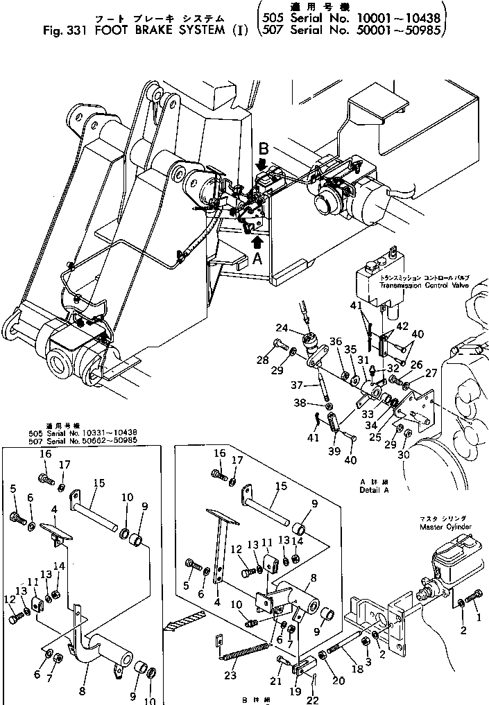
Запчасти Komatsu 505-1 FOOT ТОРМОЗ. СИСТЕМА (I)(№-8) ПРИВОДВАЛ¤ ДИФФЕРЕНЦ. И КОЛЕСА

Схема запчастей Komatsu 505-1 - FOOT ТОРМОЗ. СИСТЕМА (I)(№-8) ПРИВОДВАЛ¤ ДИФФЕРЕНЦ. И КОЛЕСА
FIT
1:1
100%

Артикул

Название

Примечание

Количество

1

01010-51040

BOLT

SN: 10001-@

2шт.

2

01643-31032

WASHER

SN: 10001-@

4шт.

3

01580-11008

NUT

SN: 10001-@

2шт.

4

385-10229141

PEDAL

SN: 10331-10438

1шт.

|4

385-10111261

PEDAL

SN: 10001-10330

1шт.

5

01010-51035

BOLT

SN: 10331-10438

1шт.

|5

01010-51035

BOLT

SN: 10001-10330

2шт.

6

01643-31032

WASHER

SN: 10331-10438

2шт.

|6

01643-31032

WASHER

SN: 10001-10330

4шт.

7

01580-11008

NUT

SN: 10331-10438

1шт.

|7

01580-11008

NUT

SN: 10001-10330

2шт.

|8

385-10229121

LEVER ASS'Y

SN: 10331-10438

1шт.

|8

385-10111331

LEVER ASS'Y

SN: 10001-10330

1шт.

8

385-10229131

LEVER

SN: 10331-10438

1шт.

|8

385-10111321

LEVER

SN: 10001-10330

1шт.

9

385-10191821

BUSHING

SN: 10331-@

2шт.

|9

385-621050-1

BUSHING

SN: 10001-10330

2шт.

10

385-10191811

SEAL

SN: 10331-@

2шт.

|10

07020-00675

FITTING

SN: 10001-10330

1шт.

11

385-11040781

SEAL

SN: 10001-10438

1шт.

12

01010-50625

BOLT

SN: 10001-10438

1шт.

13

01643-30623

WASHER

SN: 10001-10438

2шт.

14

01580-10605

NUT

SN: 10001-10438

1шт.

15

381-944734-1

PIN

SN: 10001-10438

1шт.

16

01010-51020

BOLT

SN: 10001-@

1шт.

17

382-025553-1

WASHER

SN: 10001-@

1шт.

18

385-10137601

ROD

SN: 10001-@

1шт.

19

04211-21266

YOKE

SN: 10001-@

1шт.

20

01582-11210

NUT

SN: 10001-@

1шт.

21

04205-11235

PIN

SN: 10001-@

1шт.

22

04050-13020

PIN

SN: 10001-@

1шт.

23

380-42755D-0

SPRING

SN: 10001-@

1шт.

24

385-10110431

CYLINDER ASS'Y,(SEE FIG.334)

SN: 10001-@

1шт.

25

385-10110422

SUPPORT

SN: .-@

1шт.

|25

0

SUPPORT

SN: 10001-.

1шт.

26

01010-51025

BOLT

SN: 10001-@

3шт.

27

01643-31032

WASHER

SN: 10001-@

3шт.

28

01010-51035

BOLT

SN: 10001-@

2шт.

29

01643-31032

WASHER

SN: 10001-@

4шт.

30

01580-11008

NUT

SN: 10001-@

2шт.

|31

385-10110282

BELLCRANK ASS'Y

SN: .-@

1шт.

|31

0

BELLCRANK ASS'Y

SN: 10001-.

1шт.

31

385-10110272

BELLCRANK

SN: .-@

1шт.

|31

0

BELLCRANK

SN: 10001-.

1шт.

32

07020-00000

FITTING

SN: 10001-.

1шт.

33

385-10191821

BUSHING

SN: .-@

1шт.

|33

381-621050-1

BEARING

SN: 10001-.

1шт.

34

385-10191811

SEAL

SN: .-@

1шт.

35

382-025555-1

WASHER

SN: 10001-@

1шт.

36

01580-11210

NUT

SN: 10001-@

1шт.

37

385-10110391

ROD

SN: 10001-@

1шт.

38

01580-10806

NUT

SN: 10001-@

1шт.

39

385-10130251

YOKE

SN: 10001-@

1шт.

40

384-0121741

PIN

SN: 10001-@

3шт.

41

384-0103373

PIN

SN: 10001-@

3шт.

42

385-10110241

LINK

SN: 10001-@

2шт.

Выбрано товаров: 56