Запчасти Komatsu 505-1 МАРКИРОВКА РАМА И ЧАСТИ КОРПУСА

Схема запчастей Komatsu 505-1 - МАРКИРОВКА РАМА И ЧАСТИ КОРПУСА
FIT
1:1
100%

Артикул

Название

Примечание

Количество

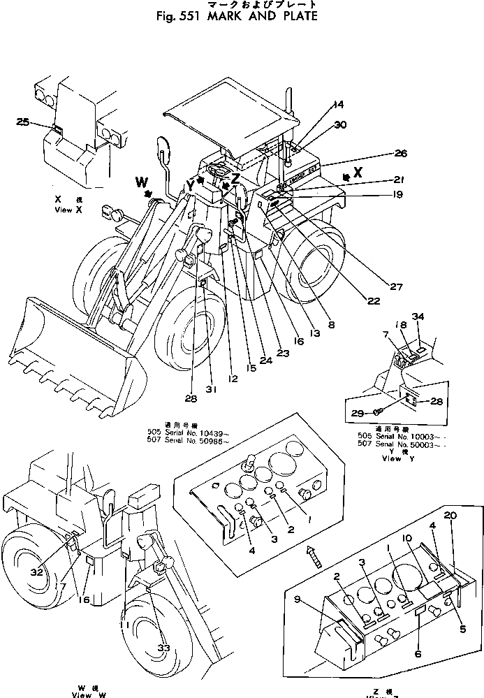
1

380-885880-2

PLATE¤ NAME,TURN SIGNAL LAMP

SN: 10001-10330

1шт.

2

381-897399-2

PLATE¤ NAME,PARKING BRAKE LAMP

SN: 10001-UP

1шт.

3

385-10119271

PLATE¤ NAME,ENGINE OIL PRESSURE LAMP

SN: 10001-UP

1шт.

4

385-10119191

PLATE¤ NAME,CHARGE LAMP

SN: 10001-UP

1шт.

5

385-11050071

PLATE¤ NAME,STARTING SWITCH

SN: 10001-UP

1шт.

6

381-988144-2

PLATE¤ NAME,HEAD LAMP

SN: 10001-UP

1шт.

7

380-885268-1

PLATE¤ OPERATING,HYDRAULIC CONTROL LEVER

SN: 10001-UP

1шт.

8

385-11050061

PLATE¤ OPERATING,PARKING BRAKE LEVER

SN: 10001-UP

1шт.

9

385-10119201

PLATE¤ OPERATING,TRANSMISSION CONTROL LEVER

SN: 10001-UP

1шт.

10

385-10119211

PLATE¤ OPERATING,ENGINE STOP

SN: 10001-UP

1шт.

11

385-10119221

PLATE¤ NAME,HYDRAULIC OIL FILTER

SN: 10001-10330

1шт.

12

385-10119231

PLATE¤ NAME,OIL FILTER

SN: 10001-10330

1шт.

13

385-11049701

PLATE¤ NAME,DIESEL FUEL

SN: 10331-UP

1шт.

|13

385-10196221

PLATE¤ NAME,DIESEL FUEL

SN: 10091-10330

1шт.

|13

385-11049701

PLATE¤ NAME,DIESEL FUEL

SN: 10001-10090

1шт.

14

385-10177451

PLATE¤ SAFETY,RADIATOR CAP

SN: 10115-UP

1шт.

|14

0

PLATE¤ SAFETY,RADIATOR CAP

SN: 10001-10114

1шт.

15

385-11050041

PLATE¤ CAUTION,BRAKE OIL

SN: 10001-UP

1шт.

16

385-10177491

PLATE¤ SAFETY,KEEP OUT

SN: 10115-UP

2шт.

|16

0

PLATE¤ SAFETY,KEEP OUT

SN: 10001-10114

2шт.

17

385-11050101

PLATE¤ CAUTION,RESERVOIR

SN: 10001-10198

1шт.

18

385-10177431

PLATE¤ CAUTION,WARNING

SN: 10115-UP

1шт.

|18

0

PLATE¤ CAUTION,WARNING

SN: 10001-10114

1шт.

19

385-11050121

PLATE¤ CAUTION,TRANSMISSION OIL LEVEL

SN: 10001-UP

1шт.

20

385-10119281

PLATE¤ CAUTION,WARM-UP

SN: 10001-UP

1шт.

21

385-11050141

PLATE¤ CAUTION,BATTERY

SN: 10001-UP

1шт.

22

385-11050151

PLATE¤ MARK,SYMBOL

SN: 10001-.

2шт.

23

385-11052452

PLATE¤ NAME,(LIMITED SUPPLY)

SN: 10001-UP

1шт.

24

380-168753-1

SCREW

SN: 10001-UP

4шт.

25

385-10119251

PLATE¤ MARK,KI

SN: 10001-UP

1шт.

26

385-10135801

PLATE¤ MARK,505¤ L.H.

SN: 10001-UP

1шт.

|26

385-10135811

PLATE¤ MARK,505¤ R.H.

SN: 10001-UP

1шт.

|26

385-10119291

PLATE¤ MARK,507¤ L.H.

SN: 10000-10000

1шт.

|26

385-10119301

PLATE¤ MARK,507¤ R.H.

SN: 10000-10000

1шт.

27

385-10119262

PLATE¤ STRIPE

SN: .-UP

2шт.

|27

0

PLATE¤ STRIPE

SN: 10001-.

2шт.

28

385-10165471

PLATE¤ DATA

SN: 10001-UP

1шт.

|28

385-10165491

PLATE¤ DATA,(FOR BACK HOE)

SN: .-UP

1шт.

|28

0

PLATE¤ DATA,(FOR BACK HOE)

SN: 10001-.

1шт.

|28

385-10165481

PLATE¤ DATA

SN: 10000-10000

1шт.

|28

385-10165501

PLATE¤ DATA,(FOR BACK HOE)

SN: 10000-10000

1шт.

29

04418-02550

SCREW

SN: 10001-.

4шт.

30

385-10154971

CHART¤ OIL

SN: 10001-UP

1шт.

|30

385-10154961

CHART¤ OIL

SN: 10000-10000

1шт.

31

385-10211791

PLATE¤ CAUTION,PERIODICAL REPLACEMENT PARTS

SN: 10175-UP

1шт.

32

385-10196231

PLATE¤ NAME,HYDRAULIC OIL

SN: 10091-UP

1шт.

33

385-10177471

PLATE¤ CAUTION,FRAME LOCK

SN: 10115-UP

1шт.

34

385-10154551

PLATE¤ CAUTION,RECOMMENDED ENGINE OIL (OP)

SN: 10001-UP

1шт.

Выбрано товаров: 48