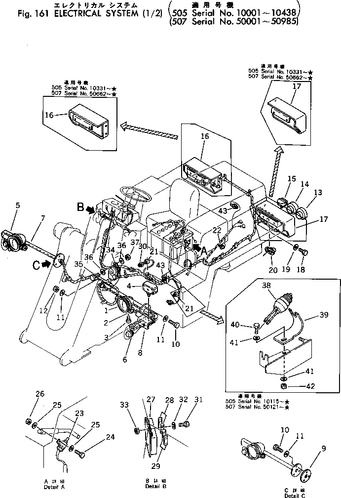
Запчасти Komatsu 507-1 ЭЛЕКТРИКА (/)(№-98) КОМПОНЕНТЫ ДВИГАТЕЛЯ И ЭЛЕКТРИКА

Схема запчастей Komatsu 507-1 - ЭЛЕКТРИКА (/)(№-98) КОМПОНЕНТЫ ДВИГАТЕЛЯ И ЭЛЕКТРИКА
FIT
1:1
100%

Артикул

Название

Примечание

Количество

1

381-897072-3

LAMP ASS'Y,FRONT

SN: 50001-@

2шт.

|1

381-985652-1

BULB

SN: 50001-@

1шт.

2

381-972496-2

SUPPORT

SN: 50493-@

2шт.

|2

0

SUPPORT

SN: 50001-50493

2шт.

3

380-173443-1

SCREW

SN: 50001-@

2шт.

4

381-980948-2

LAMP,COMBINATION¤ L.H.

SN: 50001-@

1шт.

|4

08105-12420

BULB¤ 25W,TURN SIGNAL

SN: 50001-@

1шт.

|4

08110-12410

BULB¤ 12W,MARKER

SN: 50001-@

1шт.

|4

381-980950-1

LENS

SN: 50001-@

1шт.

5

381-980949-2

LAMP,COMBINATION¤ R.H.

SN: 50001-@

1шт.

|5

08105-12420

BULB¤ 25W,TURN SIGNAL

SN: 50001-@

1шт.

|5

08110-12410

BULB¤ 12W,MARKER

SN: 50001-@

1шт.

|5

381-980950-1

LENS

SN: 50001-@

1шт.

6

381-981114-2

LAMP,PARKING

SN: 50001-@

2шт.

|6

08102-02403

BULB¤ 3W

SN: 50001-@

1шт.

|6

381-981113-1

LENS

SN: 50001-@

1шт.

7

385-10118801

SUPPORT,R.H.

SN: 50001-@

1шт.

|7

385-10162921

SUPPORT,R.H.

SN: 50000-50000

1шт.

8

385-10118811

SUPPORT,L.H.

SN: 50001-@

1шт.

|8

385-10162931

SUPPORT,L.H.

SN: 50000-50000

1шт.

9

385-10158121

RUBBER

SN: 50001-@

2шт.

10

01010-51040

BOLT

SN: 50001-@

6шт.

11

01643-31032

WASHER

SN: 50001-@

12шт.

12

385-10163491

NUT

SN: .-@

6шт.

|12

0

NUT

SN: 50001-.

6шт.

13

385-10051701

LAMP,COMBINATION

SN: 50001-50985

2шт.

|13

385-10051711

BULB¤ 6W

SN: 50001-@

2шт.

|13

08105-12420

BULB¤ 25W,STOP

SN: 50001-@

1шт.

|13

385-10051721

LENS

SN: 50001-@

1шт.

14

385-10071541

LAMP,TURN SIGNAL¤ REAR

SN: 50001-@

2шт.

|14

08105-12420

BULB¤ 25W

SN: 50001-@

1шт.

|14

385-10071551

LENS

SN: 50001-@

1шт.

15

381-970605-2

LAMP,REVERSE

SN: 50001-@

1шт.

|15

08110-12410

BULB¤ 12W

SN: 50001-@

1шт.

|15

381-976941-1

LENS

SN: 50001-@

1шт.

16

385-10228681

SUPPORT

SN: 50662-@

1шт.

|16

385-10150922

SUPPORT

SN: .-50661

1шт.

|16

0

SUPPORT

SN: 50001-.

1шт.

17

385-10228691

SUPPORT

SN: 50662-@

1шт.

|17

385-10150962

SUPPORT

SN: .-50661

1шт.

|17

0

SUPPORT

SN: 50001-.

1шт.

18

01010-51230

BOLT

SN: 50662-@

4шт.

|18

01010-51230

BOLT

SN: 50001-50661

6шт.

19

01643-31232

WASHER

SN: 50662-@

4шт.

|19

01643-31232

WASHER

SN: 50001-50661

6шт.

20

381-981393-1

LAMP,LICENSE

SN: 50001-@

1шт.

|20

08110-12410

BULB¤ 12W

SN: 50001-@

1шт.

|20

381-976943-1

LENS

SN: 50001-@

1шт.

21

385-11093021

SWITCH,STOP LAMP

SN: 50001-@

1шт.

22

08073-00505

SWITCH

SN: 50001-@

1шт.

23

380-183135-2

SWITCH,PARKING BRAKE

SN: .-@

1шт.

|23

0

SWITCH,PARKING BRAKE

SN: 50001-.

1шт.

24

01010-50820

BOLT

SN: 50001-@

1шт.

25

01643-30823

WASHER

SN: 50001-@

2шт.

26

01580-10806

NUT

SN: 50001-@

1шт.

27

08043-04000

BOX,FUSE

SN: 50001-@

1шт.

28

08040-01000

FUSE¤ 10A

SN: 50001-@

2шт.

29

08040-02000

FUSE¤ 20A

SN: 50001-@

2шт.

30

385-10117691

ADAPTER,STOP LAMP SWITCH

SN: 50001-@

1шт.

31

01220-40520

SCREW

SN: 50001-@

2шт.

32

01601-20513

WASHER

SN: 50001-@

2шт.

33

01580-10504

NUT

SN: 50001-@

2шт.

34

381-972674-1

HORN

SN: 50001-@

1шт.

35

01010-50825

BOLT

SN: 50001-@

2шт.

36

01643-30823

WASHER

SN: 50001-@

4шт.

37

01580-10806

NUT

SN: 50001-@

2шт.

38

385-10210301

SWITCH,BACK LAMP

SN: 50121-@

1шт.

|38

385-11093021

SWITCH,BACK LAMP

SN: 50001-50120

1шт.

39

385-10210291

SUPPORT

SN: 50121-@

1шт.

40

01010-50825

BOLT

SN: 50121-@

1шт.

41

01643-30823

WASHER

SN: 50121-@

2шт.

42

01580-10806

NUT

SN: 50121-@

1шт.

43

385-10051641

SENSOR

SN: 50001-@

2шт.

Выбрано товаров: 0