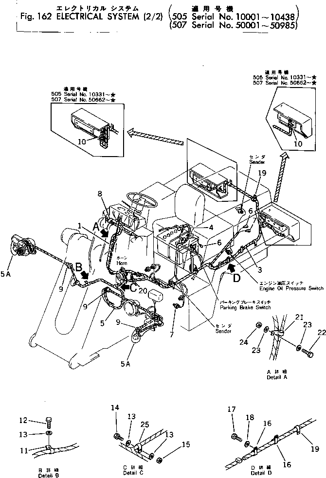
Запчасти Komatsu 507-1 ЭЛЕКТРИКА (/)(№-98) КОМПОНЕНТЫ ДВИГАТЕЛЯ И ЭЛЕКТРИКА

Схема запчастей Komatsu 507-1 - ЭЛЕКТРИКА (/)(№-98) КОМПОНЕНТЫ ДВИГАТЕЛЯ И ЭЛЕКТРИКА
FIT
1:1
100%

Артикул

Название

Примечание

Количество

1

385-10152762

WIRING HARNESS

SN: .-50985

1шт.

|1

0

WIRING HARNESS

SN: 50001-.

1шт.

2

385-10231432

WIRING HARNESS

SN: 50986-@

1шт.

|2

0

WIRING HARNESS

SN: 50662-50985

1шт.

|2

385-10152772

WIRING HARNESS

SN: 50001-50661

1шт.

3

385-10152782

WIRING HARNESS

SN: 50662-@

1шт.

|3

0

WIRING HARNESS

SN: 50001-50661

1шт.

4

385-10231441

WIRING HARNESS

SN: 50662-@

1шт.

|4

385-10152791

WIRING HARNESS

SN: 50001-50661

1шт.

5

385-10152802

WIRING HARNESS

SN: .-@

1шт.

|5

0

WIRING HARNESS

SN: 50001-.

1шт.

5A

385-10163391

CABLE

SN: 50001-50048

2шт.

6

08038-00519

CAP

SN: 50001-@

2шт.

7

381-970708-1

CAP

SN: 50001-@

4шт.

8

380-129668-1

CLIP

SN: 50662-@

2шт.

|8

380-129668-1

CLIP

SN: .-50661

4шт.

|8

380-129668-1

CLIP

SN: 50001-.

2шт.

9

381-970088-1

PLUG

SN: 50001-@

4шт.

10

385-10152731

GROMMET

SN: 50001-@

2шт.

11

381-299404-1

CLIP

SN: 50001-@

4шт.

12

01010-50812

BOLT

SN: 50121-@

4шт.

|12

01010-50816

BOLT

SN: 50001-50120

4шт.

13

01643-30823

WASHER

SN: 50001-@

6шт.

14

01010-50820

BOLT

SN: 50001-@

1шт.

15

01580-10806

NUT

SN: 50001-@

1шт.

16

382-129083-1

CLAMP

SN: 50001-@

2шт.

17

01010-50812

BOLT

SN: 50169-@

3шт.

|17

01010-50812

BOLT

SN: 50121-50168

2шт.

|17

01010-50816

BOLT

SN: 50001-50120

2шт.

18

01643-30823

WASHER

SN: 50169-@

3шт.

|18

01643-30823

WASHER

SN: 50001-50168

2шт.

19

385-10005701

CLIP

SN: 50001-@

5шт.

20

381-976197-1

STRAP

SN: .-@

12шт.

|20

381-976197-1

STRAP

SN: 50001-.

10шт.

21

381-406381-1

CLAMP

SN: 50001-@

1шт.

22

01010-51025

BOLT

SN: 50001-@

1шт.

23

01643-31032

WASHER

SN: 50001-@

2шт.

24

01580-11008

NUT

SN: 50001-@

1шт.

25

381-299566-1

CLAMP

SN: 50001-@

1шт.

Выбрано товаров: 39