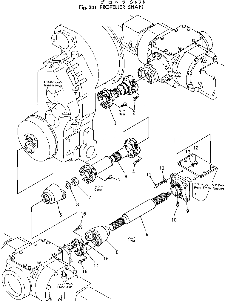
Запчасти Komatsu 507-1 КАРДАНН. ВАЛ ПРИВОДВАЛ¤ ДИФФЕРЕНЦ. И КОЛЕСА

Схема запчастей Komatsu 507-1 - КАРДАНН. ВАЛ ПРИВОДВАЛ¤ ДИФФЕРЕНЦ. И КОЛЕСА
FIT
1:1
100%

Артикул

Название

Примечание

Количество

1

385-10156841

DRIVE SHAFT ASS'Y,REAR (SEE FIG.302A)

SN: 50013-UP

1шт.

|1

0

DRIVE SHAFT ASS'Y,REAR (SEE FIG.302)

SN: 50001-50012

1шт.

2

01010-30840

BOLT

SN: 50001-UP

8шт.

3

385-10156851

DRIVE SHAFT ASS'Y,CENTER (SEE FIG.302A)

SN: 50013-UP

1шт.

|3

0

DRIVE SHAFT ASS'Y,CENTER (SEE FIG.302)

SN: 50001-50012

1шт.

4

01010-30840

BOLT

SN: 50001-UP

8шт.

5

385-10129511

YOKE

SN: 50001-UP

2шт.

6

385-10135741

SHAFT

SN: 50001-UP

1шт.

7

01599-02425

NUT

SN: 50001-UP

1шт.

8

01643-32460

WASHER

SN: 50001-UP

1шт.

9

385-11042841

BEARING

SN: 50001-UP

1шт.

10

384-0109454

FITTING

SN: 50001-UP

1шт.

11

01010-31445

BOLT

SN: 50001-UP

4шт.

12

01580-01411

NUT

SN: 50001-UP

4шт.

13

01643-31445

WASHER

SN: 50001-UP

8шт.

14

385-10155511

SPIDER ASS'Y

SN: 50013-UP

1шт.

|14

380-135764-1

SPIDER ASS'Y

SN: 50001-50012

1шт.

15

07020-00000

FITTING

SN: 50013-UP

1шт.

|15

384-0126121

FITTING

SN: 50001-50012

1шт.

16

01010-30840

BOLT

SN: 50001-UP

8шт.

Выбрано товаров: 20