Запчасти Komatsu 507-1 ВПУСК ВОЗДУХА И ВЫПУСКН. СИСТЕМАS КОМПОНЕНТЫ ДВИГАТЕЛЯ И ЭЛЕКТРИКА

Схема запчастей Komatsu 507-1 - ВПУСК ВОЗДУХА И ВЫПУСКН. СИСТЕМАS КОМПОНЕНТЫ ДВИГАТЕЛЯ И ЭЛЕКТРИКА
FIT
1:1
100%

Артикул

Название

Примечание

Количество

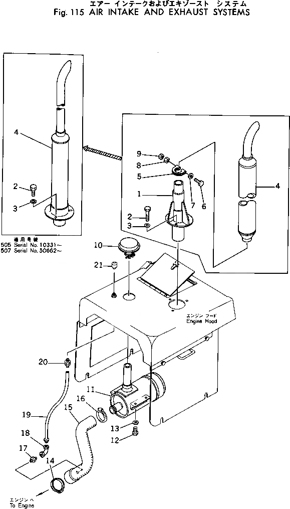
1

385-10132901

STACK

SN: 50001-50661

1шт.

2

01010-51230

BOLT

SN: 50662-UP

3шт.

|2

01010-51240

BOLT

SN: 50001-50661

3шт.

3

01643-31232

WASHER

SN: 50001-UP

3шт.

4

385-10228831

STACK

SN: 50662-UP

1шт.

|4

385-10139701

PIPE

SN: 50001-50661

1шт.

5

385-10118701

CLAMP

SN: 50001-50661

1шт.

6

01050-31285

BOLT

SN: 50001-50661

1шт.

7

01640-21223

WASHER

SN: 50001-50661

2шт.

8

01583-21207

NUT

SN: 50001-50661

1шт.

9

01582-21210

NUT,LOCK

SN: 50001-50661

1шт.

10

385-10109511

CAP

SN: 50001-UP

1шт.

11

385-10108641

AIR CLEANER ASS'Y

SN: 50001-UP

1шт.

12

01010-51025

BOLT

SN: 50001-UP

4шт.

13

01643-31032

WASHER

SN: 50001-UP

4шт.

14

382-279029-1

CLAMP

SN: 50001-UP

1шт.

15

385-10154181

HOSE

SN: 50001-UP

1шт.

16

382-279029-1

CLAMP

SN: 50001-UP

1шт.

17

380-890337-1

NIPPLE

SN: 50001-UP

1шт.

18

380-182866-1

ELBOW

SN: 50001-UP

1шт.

19

385-10227541

TUBE

SN: 50662-UP

1шт.

|19

0

TUBE

SN: 50001-50661

1шт.

20

380-175773-1

CONNECTOR

SN: 50001-UP

1шт.

21

380-890262-1

INDICATOR,DUST

SN: 50001-UP

1шт.

Выбрано товаров: 24