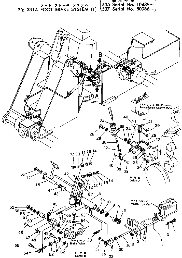
Запчасти Komatsu 507-1 FOOT ТОРМОЗ. СИСТЕМА (I)(№98-) ПРИВОДВАЛ¤ ДИФФЕРЕНЦ. И КОЛЕСА

Схема запчастей Komatsu 507-1 - FOOT ТОРМОЗ. СИСТЕМА (I)(№98-) ПРИВОДВАЛ¤ ДИФФЕРЕНЦ. И КОЛЕСА
FIT
1:1
100%

Артикул

Название

Примечание

Количество

1

01010-51040

BOLT

SN: 50001-UP

2шт.

2

01643-31032

WASHER

SN: 50001-UP

4шт.

3

01580-11008

NUT

SN: 50001-UP

2шт.

7

385-10259292

LEVER ASS'Y

SN: .-UP

1шт.

|7

0

LEVER ASS'Y

SN: 50986-.

1шт.

8

385-10259302

LEVER

SN: .-UP

1шт.

|8

0

LEVER

SN: 50986-.

1шт.

9

385-10191821

BUSHING

SN: 50662-UP

2шт.

10

385-10191811

SEAL

SN: 50662-UP

2шт.

11

385-11040781

SEAL

SN: 50986-UP

2шт.

12

01010-50625

BOLT

SN: 50986-UP

2шт.

13

01643-30623

WASHER

SN: 50986-UP

4шт.

14

01580-10605

NUT

SN: 50986-UP

2шт.

15

385-10246651

PIN

SN: 50986-UP

1шт.

16

01010-51020

BOLT

SN: 50001-UP

1шт.

17

382-025553-1

WASHER

SN: 50001-UP

1шт.

18

385-10137601

ROD

SN: 50001-UP

1шт.

19

04211-21266

YOKE

SN: 50001-UP

1шт.

20

01582-11210

NUT

SN: 50001-UP

1шт.

21

04205-11235

PIN

SN: 50001-UP

1шт.

22

04050-13020

PIN

SN: 50001-UP

1шт.

23

380-42755D-0

SPRING

SN: 50001-UP

1шт.

24

385-10110431

CYLINDER ASS'Y,(SEE FIG.334)

SN: 50001-UP

1шт.

25

385-10110422

SUPPORT

SN: 50001-UP

1шт.

26

01010-51025

BOLT

SN: 50001-UP

3шт.

27

01643-31032

WASHER

SN: 50001-UP

3шт.

28

01010-51035

BOLT

SN: 50001-UP

2шт.

29

01643-31032

WASHER

SN: 50001-UP

4шт.

30

01580-11008

NUT

SN: 50001-UP

2шт.

|31

385-10110282

BELLCRANK ASS'Y

SN: 50001-UP

1шт.

31

385-10110272

BELLCRANK

SN: 50001-UP

1шт.

32

385-10191821

BUSHING

SN: .-UP

1шт.

33

385-10191811

SEAL

SN: .-UP

1шт.

34

382-025555-1

WASHER

SN: 50001-UP

1шт.

35

01580-11210

NUT

SN: 50001-UP

1шт.

36

385-10110391

ROD

SN: 50001-UP

1шт.

37

01580-10806

NUT

SN: 50001-UP

1шт.

38

385-10130251

YOKE

SN: 50001-UP

1шт.

39

384-0121741

PIN

SN: 50001-UP

3шт.

40

384-0103373

PIN

SN: 50001-UP

3шт.

41

385-10110241

LINK

SN: 50001-UP

2шт.

|42

385-10246711

LEVER ASS'Y

SN: 50986-UP

1шт.

42

385-10246721

LEVER

SN: 50986-UP

1шт.

43

385-10191821

BUSHING

SN: 50986-UP

1шт.

44

385-10191811

SEAL

SN: 50986-UP

2шт.

45

385-10246681

BAR

SN: 50986-UP

2шт.

46

04205-10620

PIN

SN: 51238-UP

2шт.

|46

0

PIN

SN: 50986-51237

2шт.

47

01641-20608

WASHER

SN: 50986-UP

2шт.

48

381-988231-1

PIN

SN: 50986-UP

2шт.

|49

385-10246691

BELLCRANK ASS'Y

SN: 50986-UP

1шт.

49

385-10246701

BELLCRANK

SN: 50986-UP

1шт.

50

385-10191821

BUSHING

SN: 50986-UP

1шт.

51

385-10191811

SEAL

SN: 50986-UP

2шт.

52

01580-10806

NUT

SN: 50986-UP

1шт.

53

382-025555-1

WASHER

SN: 50986-UP

1шт.

54

385-10246671

END

SN: 50986-UP

1шт.

55

01010-50625

BOLT

SN: 50986-UP

1шт.

56

01580-10605

NUT

SN: 50986-UP

1шт.

57

01643-30623

WASHER

SN: 50986-UP

1шт.

58

01580-10605

NUT

SN: 50986-UP

1шт.

59

04210-20624

YOKE

SN: 50986-UP

1шт.

60

04205-10618

PIN

SN: 50986-UP

1шт.

61

01641-20608

WASHER

SN: 50986-UP

1шт.

62

04050-01610

PIN

SN: 50986-UP

1шт.

63

01010-50640

BOLT

SN: 50986-UP

3шт.

64

01643-30623

WASHER

SN: 50986-UP

3шт.

65

380-130801-1

SPRING

SN: 50986-UP

1шт.

66

01643-30823

WASHER

SN: 50986-UP

1шт.

67

385-10286711

STRIP

SN: 50986-UP

1шт.

Выбрано товаров: 70