Запчасти Komatsu 507-1 BACK HOE КРЕПЛЕНИЕ(№7-) РАБОЧЕЕ ОБОРУДОВАНИЕ

Схема запчастей Komatsu 507-1 - BACK HOE КРЕПЛЕНИЕ(№7-) РАБОЧЕЕ ОБОРУДОВАНИЕ
FIT
1:1
100%

Артикул

Название

Примечание

Количество

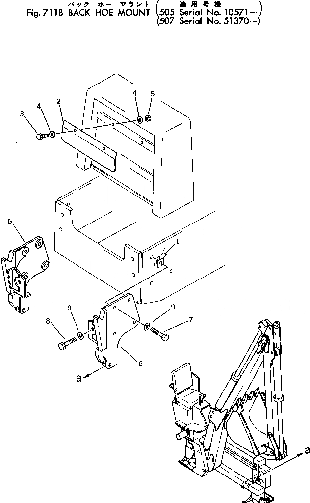
1

385-10054012

SHIM¤ 1.6MM

SN: 50001-UP

-2шт.

|1

385-10054022

SHIM¤ 0.5MM

SN: 50001-UP

-2шт.

2

385-10151193

COVER

SN: 50001-UP

1шт.

3

01010-51225

BOLT

SN: 50001-UP

2шт.

4

01643-31232

WASHER

SN: 50001-UP

4шт.

5

01580-11210

NUT

SN: 50001-UP

2шт.

6

385-10320961

ADAPTER,R.H.

SN: 51370-UP

1шт.

|6

385-10320951

ADAPTER,L.H.

SN: 51370-UP

1шт.

7

01010-62490

BOLT

SN: 51370-UP

8шт.

8

01011-62405

BOLT

SN: 50001-UP

2шт.

9

01643-32460

WASHER

SN: 51370-UP

10шт.

Выбрано товаров: 11