Запчасти Komatsu 50E BY-PASS КЛАПАН СИСТЕМАУПРАВЛЕНИЯ ПОВОРОТОМ, ПЕРЕДНИЙ МОСТ, ТОРМОЗ. СИСТЕМА

Схема запчастей Komatsu 50E - BY-PASS КЛАПАН СИСТЕМАУПРАВЛЕНИЯ ПОВОРОТОМ, ПЕРЕДНИЙ МОСТ, ТОРМОЗ. СИСТЕМА
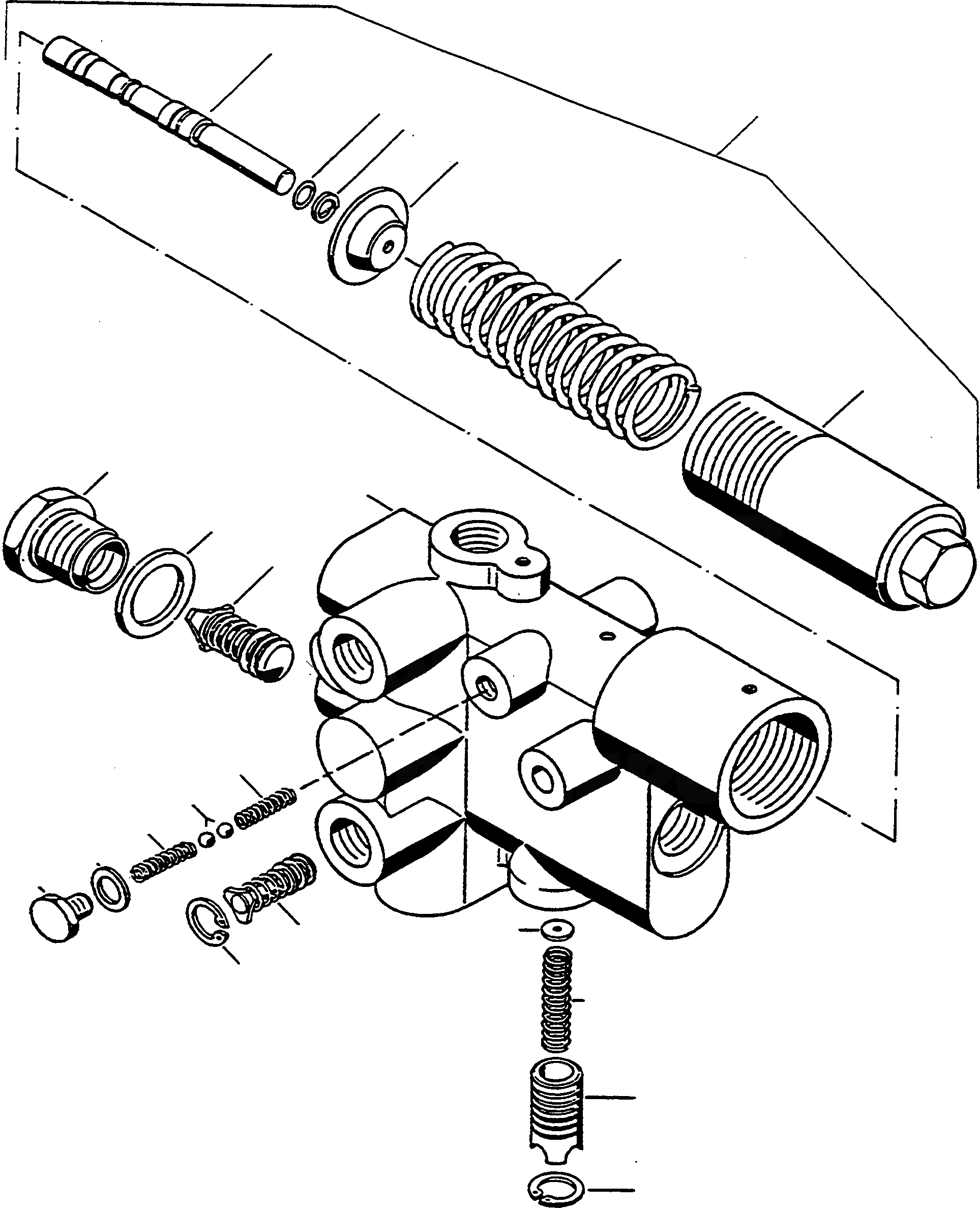
4
3
1
5
6
7
8
11
2
10
9
12
13
12
14
15
18
16
17
19
20
17
FIT
1:1
100%

Артикул

Название

Примечание

Количество

1

4202705M91

BY-PASS VALVE

DeutschDesc: ABSCHALTVENTIL

1шт.

2

HOUSING

EnglischBem: ORDER 4202 705 M91

1шт.

3

NOT USED

DeutschDesc: NICHT VERWENDET

-1шт.

4

4909929M1

O-RING

DeutschDesc: O-RING

1шт.

5

NOT USED

DeutschDesc: NICHT VERWENDET

-1шт.

6

NOT USED

DeutschDesc: NICHT VERWENDET

-1шт.

7

NOT USED

DeutschDesc: NICHT VERWENDET

-1шт.

8

NOT USED

DeutschDesc: NICHT VERWENDET

-1шт.

9

4909930M91

CHECK VALVE

DeutschDesc: RUECKSCHLAGVENTIL

1шт.

10

1444747X1

SEAL

DeutschDesc: DICHTRING

1шт.

11

4917441M1

STUD

EnglischBem: REPAIRS AND REPLACES 390 066 X1

1шт.

12

4909931M1

COMPRESSION SPRING

DeutschDesc: DRUCKFEDER

2шт.

13

1441767X1

BALL

DeutschDesc: KUGEL

2шт.

14

3005043X1

SEAL

DeutschDesc: DICHTRING

1шт.

15

NOT USED

DeutschDesc: NICHT VERWENDET

-1шт.

16

4909932M91

VALVE

DeutschDesc: VENTIL

2шт.

17

3068300M8

CIRCLIP

DeutschDesc: SICHERUNGSRING

3шт.

18

NOT USED

DeutschDesc: NICHT VERWENDET

-1шт.

19

NOT USED

DeutschDesc: NICHT VERWENDET

-1шт.

20

NOT USED

DeutschDesc: NICHT VERWENDET

-1шт.

Выбрано товаров: 20