Запчасти Komatsu 50E ГИДРОЦИЛИНДР ПОДЪЕМА, EXECUTION I ГИДРАВЛИКА

Схема запчастей Komatsu 50E - ГИДРОЦИЛИНДР ПОДЪЕМА, EXECUTION I ГИДРАВЛИКА
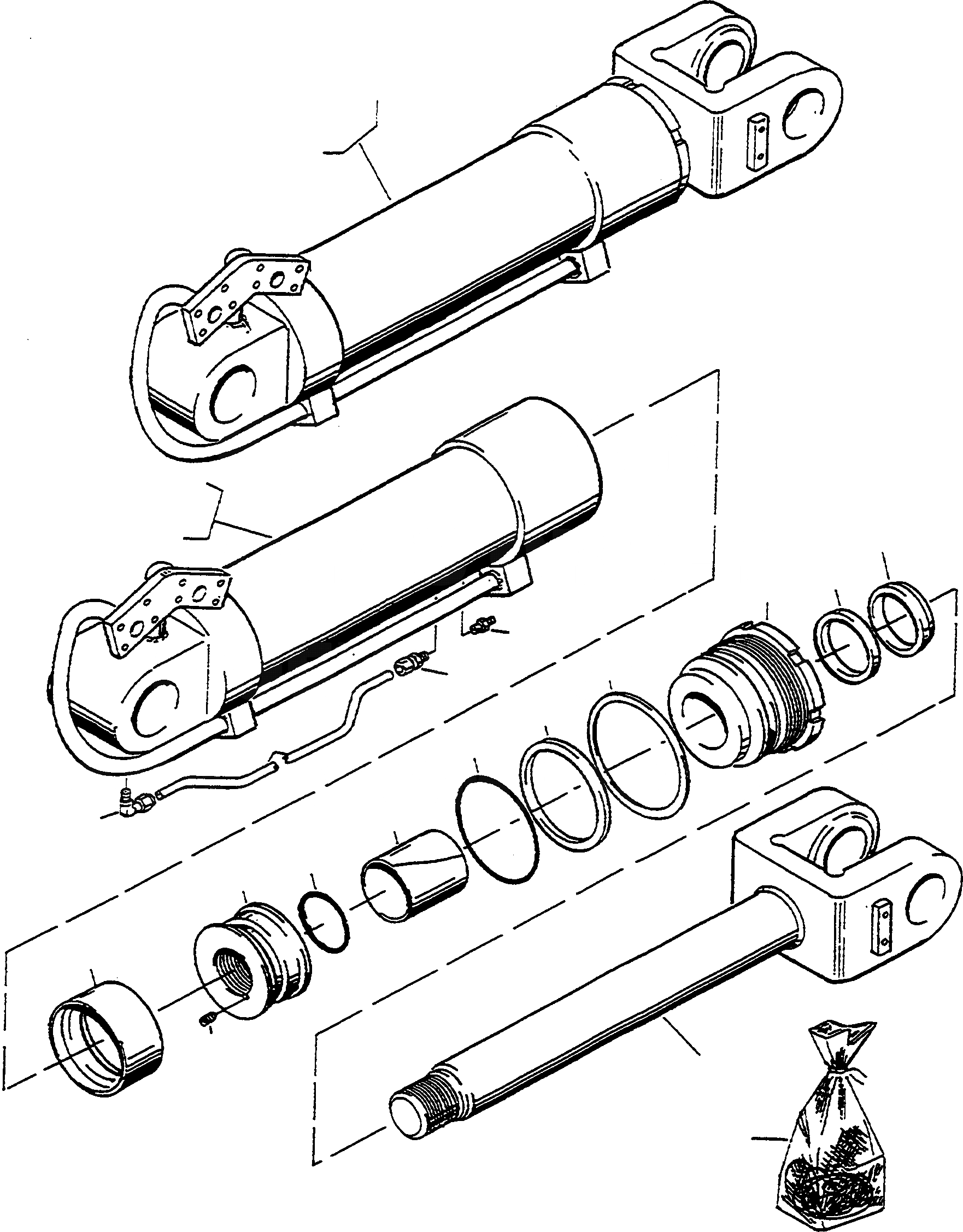
1
2
3
4
17
16
8
18
7
21
15
19
14
13
20
12
6
11
5
9
10
FIT
1:1
100%

Артикул

Название

Примечание

Количество

1

4500961M91

HYDR. CYLINDER

EnglischBem: RIGHT

1шт.

2

4500962M91

HYDR. CYLINDER

EnglischBem: LEFT

1шт.

3

4910508M91

CYLINDER HOUSING

DeutschDesc: HYD.ZYLINDERGEHAEUSE

1шт.

4

4910509M91

CYLINDER HOUSING

DeutschDesc: HYD.ZYLINDERGEHAEUSE

1шт.

5

4910510M1

GRUB SCREW

EnglischBem: NOTE: Pos. (5) included in Pos. (1) and (2) Kit

1шт.

6

4910511M1

PISTON

EnglischBem: NOTE: Pos. (6) included in Pos. (1) and (2) Kit

1шт.

7

4910512M1

TAB WASHER

EnglischBem: NOTE: Pos. (7) included in Pos. (1) and (2) Kit

1шт.

8

4910513M1

GUIDE BUSH

EnglischBem: NOTE: Pos. (8) included in Pos. (1) and (2) Kit

1шт.

9

4910514M1

CYLINDER ROD

EnglischBem: NOTE: Pos. (9) included in Pos. (1) and (2) Kit

1шт.

10

4910515M91

GASKET KIT

DeutschDesc: DICHTUNGSSATZ

1шт.

11

4910516M1

GASKET

DeutschDesc: DICHTUNG

1шт.

12

4910517M1

O-RING

DeutschDesc: O-RING

1шт.

13

4910518M1

BAND

DeutschDesc: BAND

1шт.

14

4910519M1

O-RING

DeutschDesc: O-RING

1шт.

15

4910520M1

SEAL

DeutschDesc: DICHTRING

1шт.

16

4910521M1

GASKET

DeutschDesc: DICHTUNG

1шт.

17

4910522M1

STRIPPER

DeutschDesc: ABSTREIFER

1шт.

18

339608X1

LUBRICATION NIPPLE

DeutschDesc: SCHMIERNIPPEL

1шт.

19

4215762M1

TUBE

DeutschDesc: ROHR

1шт.

20

3002322X91

UNION

DeutschDesc: VERSCHRAUBUNG

1шт.

21

3002304X91

UNION

DeutschDesc: VERSCHRAUBUNG

1шт.

Выбрано товаров: 0