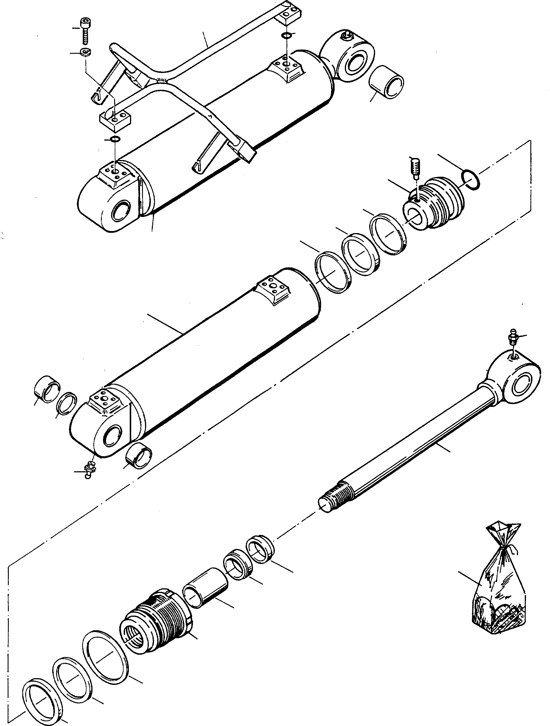
Запчасти Komatsu 50E ЦИЛИНДР КОВША ГИДРАВЛИКА

Схема запчастей Komatsu 50E - ЦИЛИНДР КОВША ГИДРАВЛИКА
6
18
20
19
21
24
19
12
13
10
9
11
9
1
2
14
22
23
3
14
22
17
5
16
4
15
7
8
FIT
1:1
100%

Артикул

Название

Примечание

Количество

1

4501044M91

BUCKET CYLINDER

EnglischBem: REPAIRS AND REPLACES 4500 983 M91

1шт.

2

4919591M1

CYLINDER HOUSING

EnglischBem: ORDER 4501 044 M91

1шт.

3

4911981M91

CYLINDER ROD

DeutschDesc: KOLBENSTANGE

1шт.

4

4911982M1

GUIDE BUSH

DeutschDesc: FUEHRUNGSBUCHSE

1шт.

5

1607859M1

STRIPPER

EnglischBem: NOTE: Pos. (5) included in Pos. (1) and (17) Kit

1шт.

6

3235582M1

SEAL

EnglischBem: NOTE: Pos. (6) included in Pos. (1) and (17) Kit

1шт.

7

359215X1

O-RING

EnglischBem: NOTE: Pos. (7) included in Pos. (1) and (17) Kit

1шт.

8

338914X1

BACK-UP RING

EnglischBem: NOTE: Pos. (8) included in Pos. (1) and (17) Kit

1шт.

9

3235584M1

PILOT

EnglischBem: NOTE: Pos. (9) included in Pos. (1) and (17) Kit

2шт.

10

4911983M1

PISTON

DeutschDesc: KOLBEN

1шт.

11

4911984M1

GASKET

EnglischBem: NOTE: Pos. (11) included in Pos. (1) and (17) Kit

1шт.

12

359193X1

O-RING

EnglischBem: NOTE: Pos. (12) included in Pos. (1) and (17) Kit

1шт.

13

3402928M1

GRUB SCREW

DeutschDesc: GEWINDESTIFT

1шт.

14

339608X1

LUBRICATION NIPPLE

DeutschDesc: SCHMIERNIPPEL

2шт.

15

4911985M1

TAB WASHER

DeutschDesc: SICHERUNGSBLECH

1шт.

16

4911986M1

PILOT

EnglischBem: NOTE: Pos. (16) included in Pos. (1) and (17) Kit

1шт.

17

4911987M91

GASKET KIT

DeutschDesc: DICHTUNGSSATZ

1шт.

18

4500978M91

TUBE

DeutschDesc: ROHR

1шт.

19

3007103X1

O-RING

DeutschDesc: O-RING

2шт.

20

1440818X1

SCREW

DeutschDesc: SCHRAUBE

8шт.

21

NOT USED

DeutschDesc: NICHT VERWENDET

-1шт.

22

4215074M1

BUSHING

DeutschDesc: BUCHSE

2шт.

23

2947343M1

RING

DeutschDesc: RING

1шт.

24

4215073M1

BUSHING

DeutschDesc: BUCHSE

1шт.

Выбрано товаров: 0