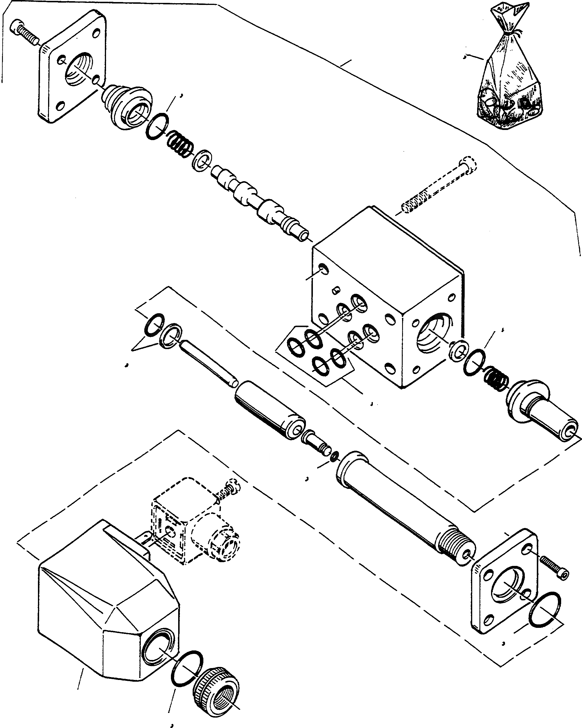
Запчасти Komatsu 50E A.L.S. УДАЛЕНН. УПРАВЛЯЮЩ. КЛАПАН ОБОРУД-Е

Схема запчастей Komatsu 50E - A.L.S. УДАЛЕНН. УПРАВЛЯЮЩ. КЛАПАН ОБОРУД-Е
3
2
1
2
3
3
2
3
2
2
3
3
2
2
3
4
2
3
FIT
1:1
100%

Артикул

Название

Примечание

Количество

1

4912348M91

REMOTE CONTROL VALVE

EnglischBem: REPAIRS AND REPLACES 3232 382 M91

1шт.

2

3232364M91

GASKET KIT

EnglischBem: FOR 3232 382 M91

1шт.

3

4912404M91

GASKET KIT

EnglischBem: FOR 4912 348 M91

1шт.

4

4912223M91

MAGNET

EnglischBem: REPAIRS AND REPLACES 3232 369 M91

1шт.

Выбрано товаров: 4