Запчасти Komatsu 50E ВПРЫСК СИСТЕМА ДВИГАТЕЛЬ, АКСЕССУАРЫ И ЭЛЕКТРИЧ. СИСТЕМА

Схема запчастей Komatsu 50E - ВПРЫСК СИСТЕМА ДВИГАТЕЛЬ, АКСЕССУАРЫ И ЭЛЕКТРИЧ. СИСТЕМА
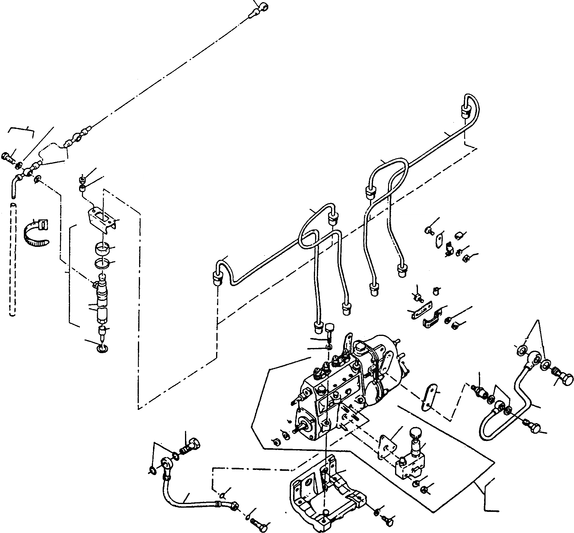
34
34
48
35
24
41
28
40
33
32
35
39
47
37
27
43
46
48
31
38
49
30
42
24
47
46
44
25
45
20
49
26
13
29
14
16
18
50
19
21
7
4
23
8
17
22
9
3
10
5
6
22
15
1
12
22
2
11
23
FIT
1:1
100%

Артикул

Название

Примечание

Количество

1

2992679M91

INJECTION PUMP

SN: 376220441

1шт.

|$51

INJECTION PUMP

DeutschDesc: EINSPRITZPUMPE

-3шт.

2

4404084M91

INJECTION PUMP

SN: 376220442-UP

1шт.

|$52

INJECTION PUMP

DeutschDesc: EINSPRITZPUMPE

-3шт.

3

3237579M91

PRIMING PUMP

EnglischBem: NOTE: Pos. (3) included in Pos. (1) and (1A) Kit

1шт.

|$53

PRIMING PUMP

DeutschDesc: FOERDERPUMPE

-3шт.

4

NOT USED

DeutschDesc: NICHT VERWENDET

-1шт.

5

NOT USED

DeutschDesc: NICHT VERWENDET

-1шт.

6

NOT USED

DeutschDesc: NICHT VERWENDET

-1шт.

7

NOT USED

DeutschDesc: NICHT VERWENDET

-1шт.

8

NOT USED

DeutschDesc: NICHT VERWENDET

-1шт.

9

NOT USED

DeutschDesc: NICHT VERWENDET

-1шт.

10

2871851M1

CARRIER

DeutschDesc: TRAEGER

1шт.

11

339139X1

SCREW

DeutschDesc: SCHRAUBE

2шт.

12

1443792X1

SPRING WASHER

DeutschDesc: FEDERRING

2шт.

13

339132X1

SCREW

DeutschDesc: SCHRAUBE

4шт.

14

1443776X1

PLAIN WASHER

DeutschDesc: UNTERLEGSCHEIBE

4шт.

15

3086050M91

HOSE ASSEMBLY

DeutschDesc: SCHLAUCH VOLLST.

1шт.

16

2992462M1

BANJO BOLT

DeutschDesc: HOHLSCHRAUBE

1шт.

17

2999617M1

BANJO BOLT

DeutschDesc: HOHLSCHRAUBE

3шт.

18

1440993X1

SEAL

DeutschDesc: DICHTRING

6шт.

19

2999610M1

BANJO BOLT

DeutschDesc: HOHLSCHRAUBE

1шт.

20

390839X1

SEAL

DeutschDesc: DICHTRING

2шт.

21

2992459M91

OVERFLOW OIL LINE

DeutschDesc: LECKOELLEITUNG

1шт.

22

1440993X1

SEAL

DeutschDesc: DICHTRING

4шт.

23

2999617M1

BANJO BOLT

DeutschDesc: HOHLSCHRAUBE

2шт.

24

3090238M91

INJECTOR VALVE

DeutschDesc: EINSPRITZVENTIL

4шт.

25

INJECTOR VALVE

EnglischBem: ORDER 3090 238 M91

4шт.

26

3079540M1

FUEL INJECTOR

DeutschDesc: EINSPRITZDUESE

4шт.

27

3079533M1

FLANGE

DeutschDesc: FLANSCH

4шт.

28

3079536M1

BANJO BOLT

DeutschDesc: HOHLSCHRAUBE

4шт.

29

3090239M1

SEAL

DeutschDesc: DICHTRING

4шт.

30

3004280X1

O-RING

DeutschDesc: O-RING

4шт.

31

3090240M1

RING

DeutschDesc: RING

4шт.

32

3090230M1

TUBE

DeutschDesc: ROHR

8шт.

33

339169X1

NUT

DeutschDesc: MUTTER

8шт.

34

3090229M91

OVERFLOW OIL LINE

DeutschDesc: LECKOELLEITUNG

1шт.

35

3000136X1

SEAL

DeutschDesc: DICHTRING

8шт.

36

NOT USED

DeutschDesc: NICHT VERWENDET

-1шт.

37

2963655M1

BRACE

DeutschDesc: HALTEBAND

1шт.

38

2871903M91

INJECTION PIPE

DeutschDesc: EINSPRITZLEITUNG

1шт.

39

2871904M91

INJECTION PIPE

DeutschDesc: EINSPRITZLEITUNG

1шт.

40

2871905M91

INJECTION PIPE

DeutschDesc: EINSPRITZLEITUNG

1шт.

41

2871906M91

INJECTION PIPE

DeutschDesc: EINSPRITZLEITUNG

1шт.

42

2870620M1

CLIP

DeutschDesc: SCHELLE

2шт.

43

2870621M1

CLIP

DeutschDesc: SCHELLE

2шт.

44

2872815M1

CLIP

DeutschDesc: SCHELLE

1шт.

45

2872816M1

CLIP

DeutschDesc: SCHELLE

1шт.

46

2870619M1

PROTECTOR

EnglischBem: 10 MM

8шт.

47

391074X1

SCREW

DeutschDesc: SCHRAUBE

3шт.

48

1443791X1

SPRING WASHER

DeutschDesc: FEDERRING

3шт.

49

339030X1

NUT

DeutschDesc: MUTTER

1шт.

50

2871896M1

BRACKET

DeutschDesc: HALTER

1шт.

Выбрано товаров: 53